GM Service Manual Online
For 1990-2009 cars only
Makes
🢒
Cadillac
🢒
2007
🢒
XLR
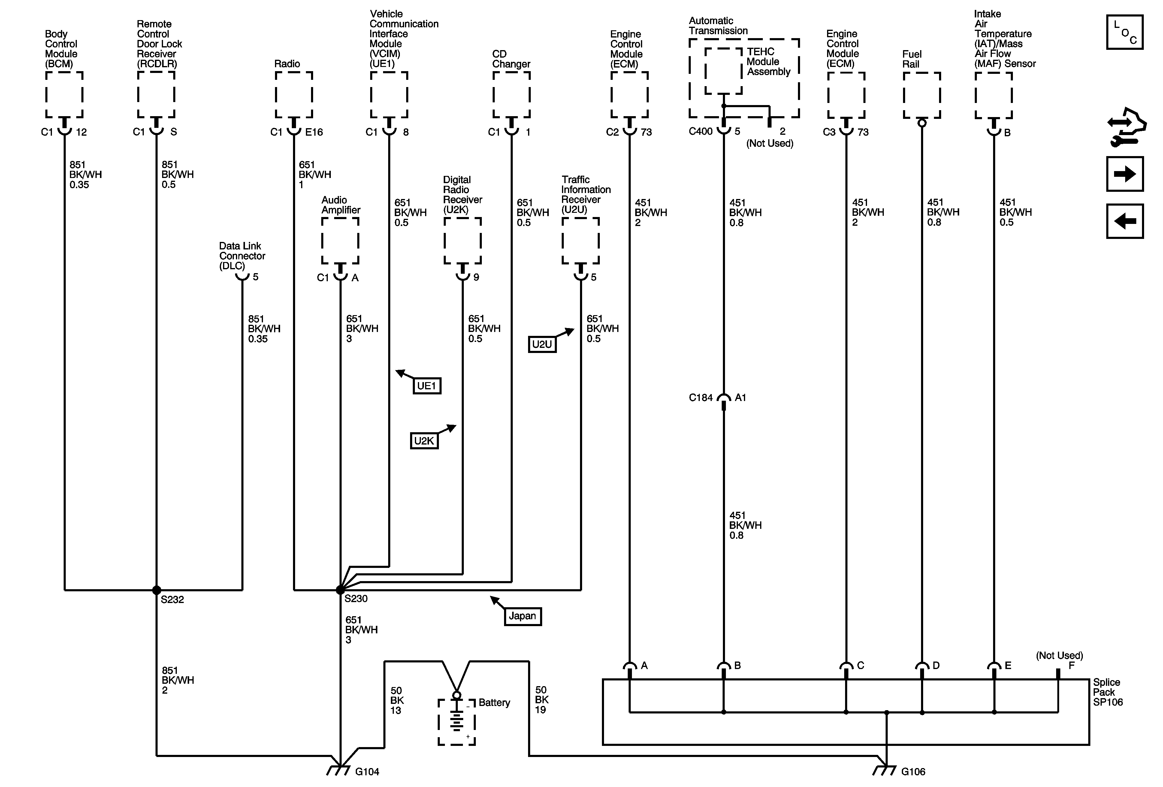
🢒 G104 and G106
G104 and G106
G104 and G106
Master Electrical Component List
Control Module References
G105, G107, G109, G110, G111 and G112
G102