GM Service Manual Online
For 1990-2009 cars only
Makes
🢒
Cadillac
🢒
2007
🢒
XLR
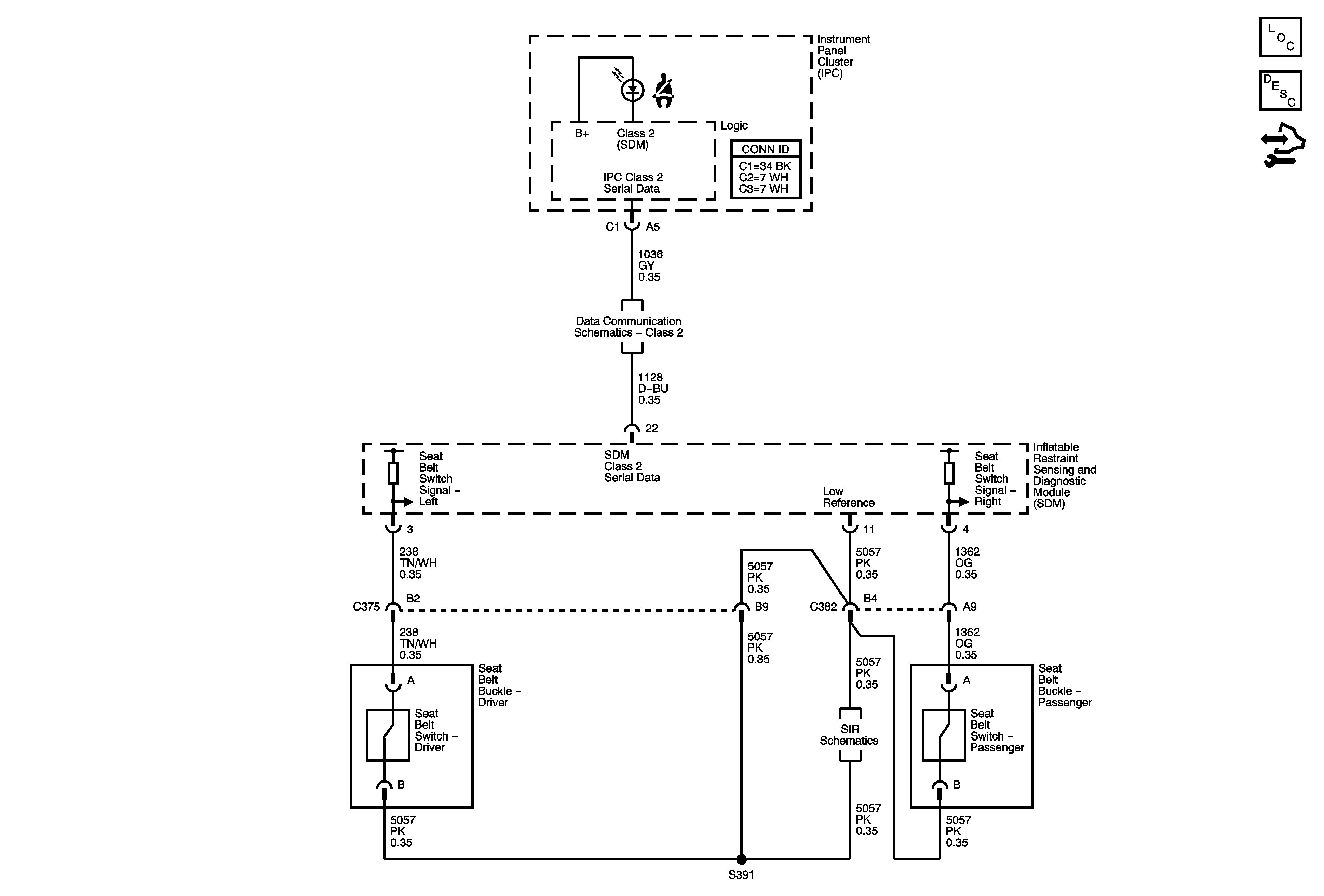
🢒 Seat Belt Schematics
Seat Belt Schematics
Master Electrical Component List
Seat Belt System Description and Operation
Control Module References
Class 2
Power, Ground, DLC, Indicators, Sensors, and References