GM Service Manual Online
For 1990-2009 cars only
Makes
🢒
Cadillac
🢒
2007
🢒
XLR
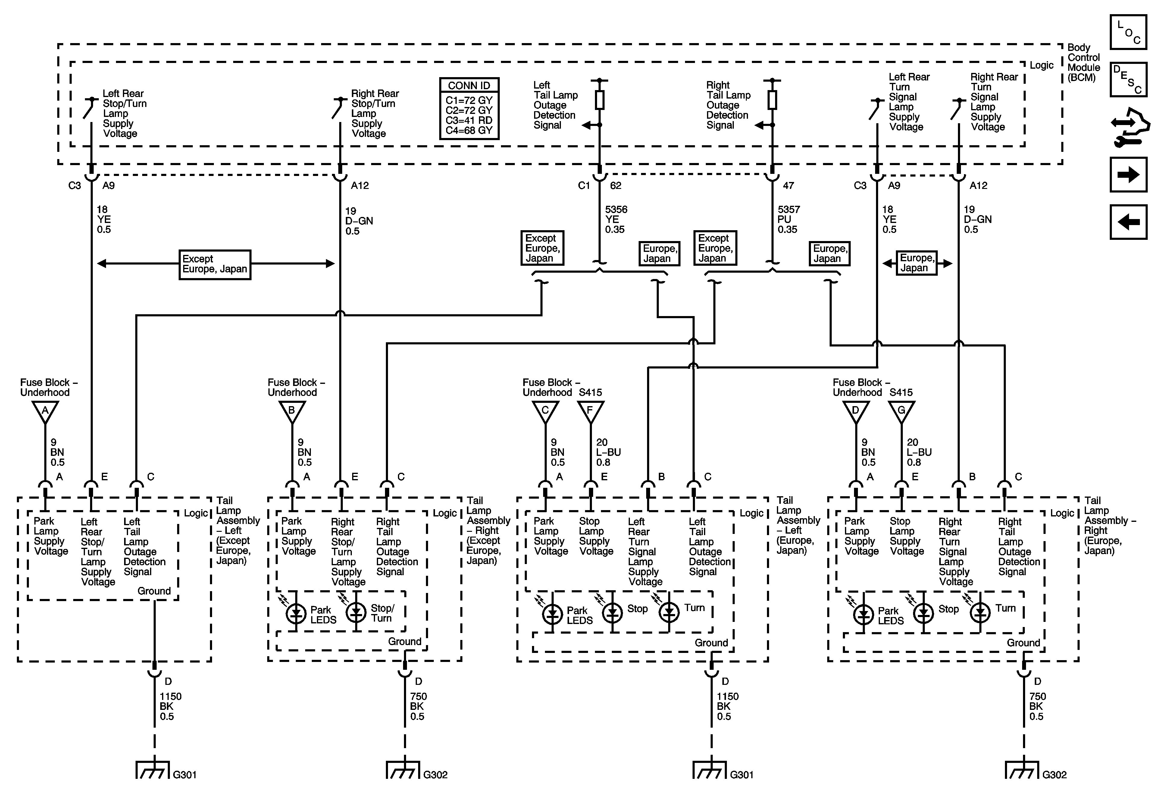
🢒 Tail Lamps
Tail Lamps
Tail Lamps
Master Electrical Component List
Exterior Lighting Systems Description and Operation
Control Module References
Backup Lamps
Stop and License Lamps
Park Lamps
Park Lamps
Park Lamps
Stop and License Lamps
Park Lamps
Stop and License Lamps
G301
G302, G401, and G402
G301
G302, G401, and G402