GM Service Manual Online
For 1990-2009 cars only
Figure 1:

G101


Object Number: 1899290  Size: FS
Master Electrical Component List
Control Module References
G102
G102
Figure 2:

G102


Object Number: 1899298  Size: FS
Master Electrical Component List
Control Module References
G104, and G106
G101
G101
Figure 3:

G104, and G106


Object Number: 1899307  Size: FS
Master Electrical Component List
Control Module References
G105, G107, G109, G110, G111, and G112
G102
Figure 4:

G105, G107, G109, G110, G111, and G112


Object Number: 1899314  Size: FS
Master Electrical Component List
Control Module References
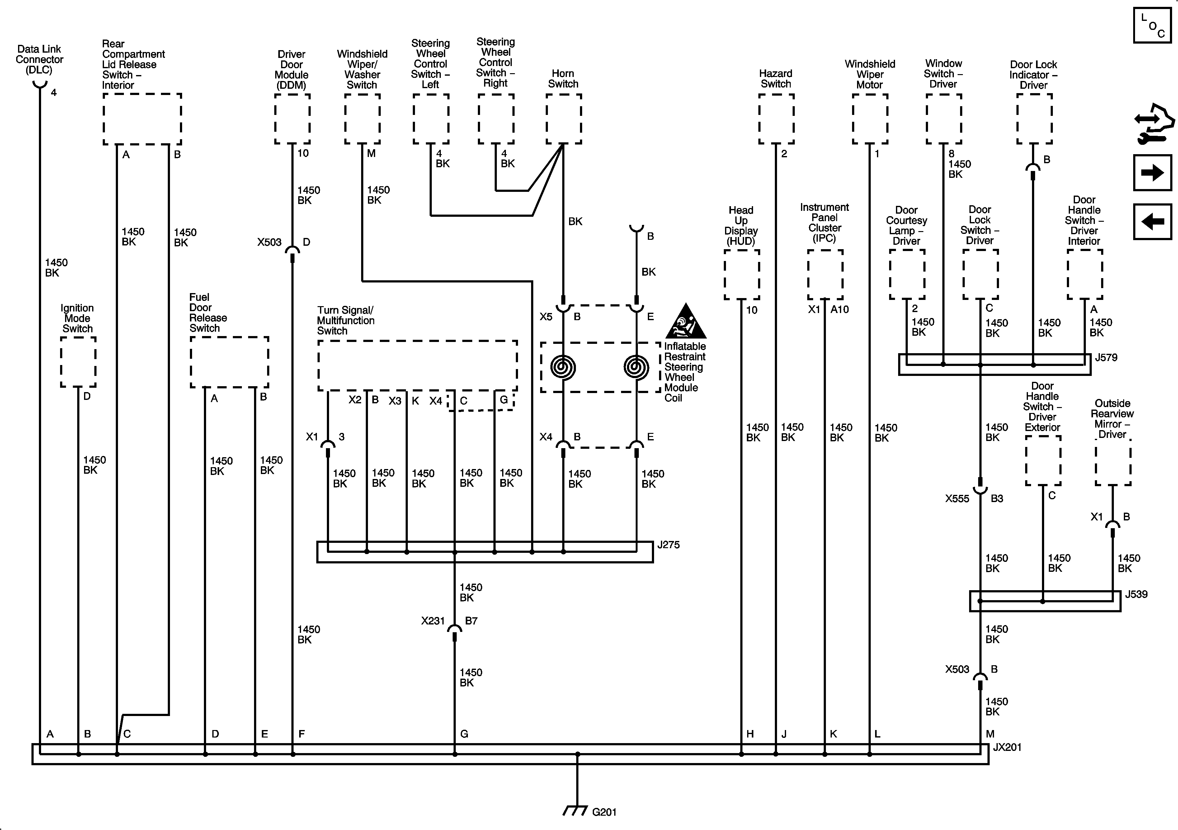
G201
G104, and G106
Figure 5:

G201


Object Number: 1899326  Size: FS
Master Electrical Component List
Control Module References
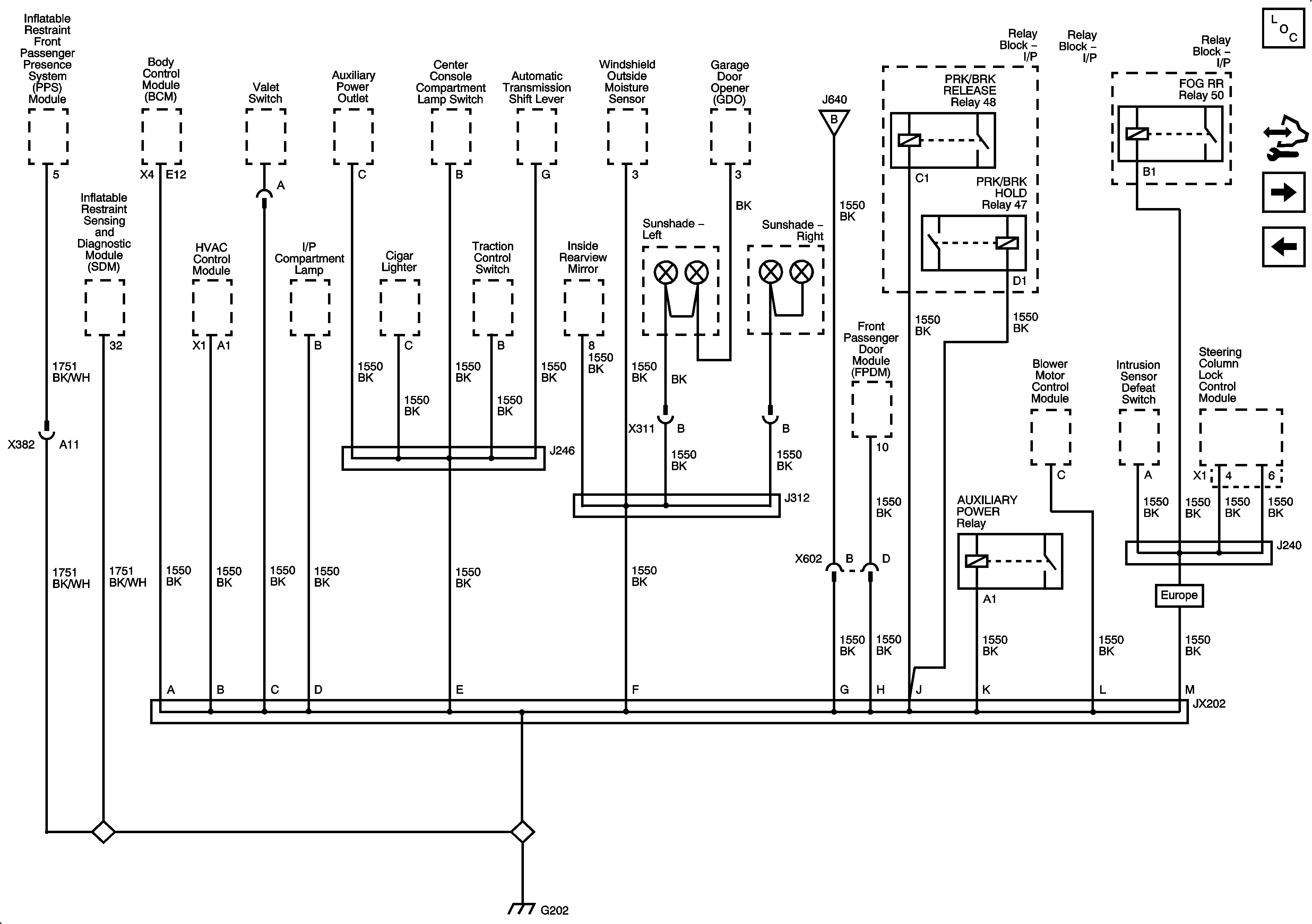
G202
G105, G107, G109, G110, G111, and G112
Master Electrical Schematic Icons
Figure 6:

G202 1 of 2


Object Number: 1899332  Size: FS
Master Electrical Component List
Control Module References
G202 Continued
G201
G202 Continued
Figure 7:

G202 2 of 2


Object Number: 1899338  Size: FS
Master Electrical Component List
Control Module References
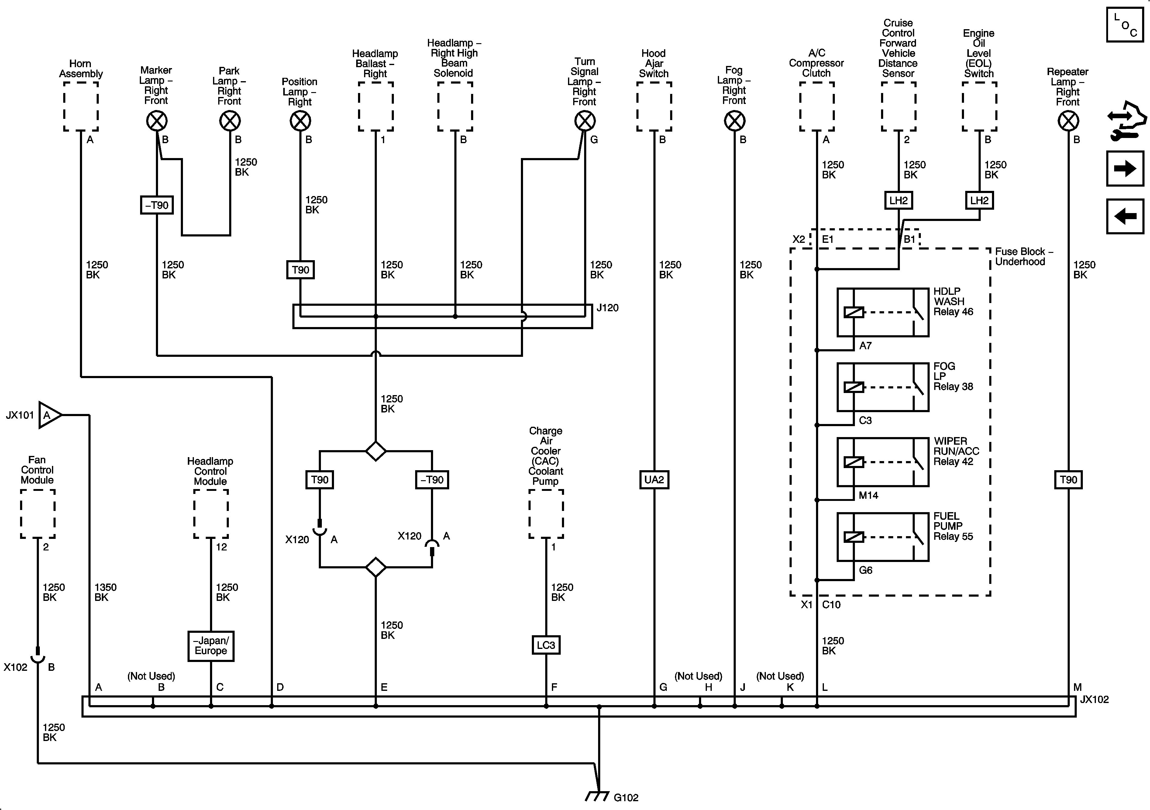
G301
G202
G202
Figure 8:

G301


Object Number: 1899340  Size: FS
Master Electrical Component List
Control Module References
G302, G401, and G402
G202 Continued
Figure 9:

G302, G401, and G402


Object Number: 1899345  Size: FS
Master Electrical Component List
Control Module References
G301