GM Service Manual Online
For 1990-2009 cars only

Cruise Control Schematics Conventional

Figure 1:

Driver Controls


Object Number: 1899524  Size: FS
Master Electrical Component List
Cruise Control Description and Operation (Conventional Cruise)
Control Module References
Computer Controls, and Indicators
Ignition Mode Switch
Ignition Mode Switch
Steering Wheel Secondary/Configurable Control Schematics
Stop and License Lamps
Switches
Power, Ground, and Serial Data
Figure 2:

Computer Controls and Indicators


Object Number: 1899528  Size: FS
Master Electrical Component List
Cruise Control Description and Operation (Conventional Cruise)
Control Module References
Driver Controls
Power, Ground, and Class 2
Engine Data Sensors - Pressure, Temperature, and Throttle Controls

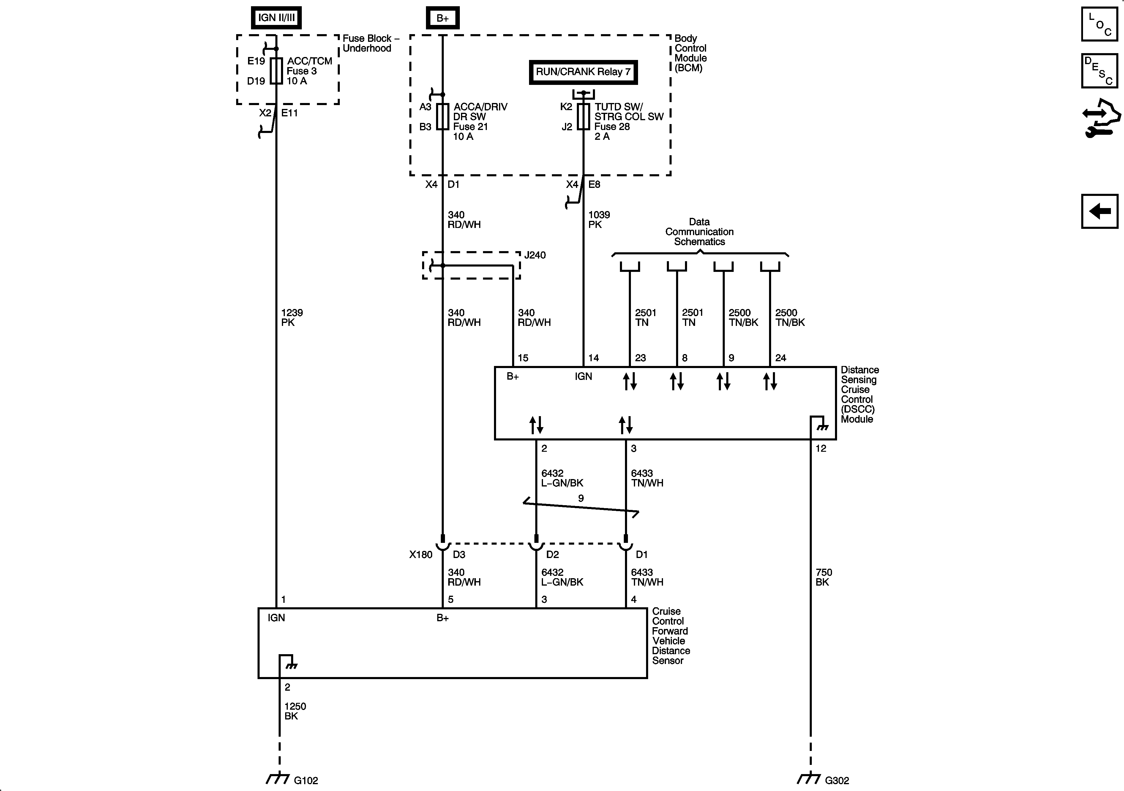
Cruise Control Schematics Adaptive

Figure 1:

Driver Controls


Object Number: 1899531  Size: FS
Master Electrical Component List
Cruise Control Description and Operation (Adaptive Cruise)
Control Module References
Computer Controls, and Indicators
Ignition Mode Switch
Master Electrical Schematic Icons
Stop and License Lamps
Switches
Power, Ground, and Serial Data
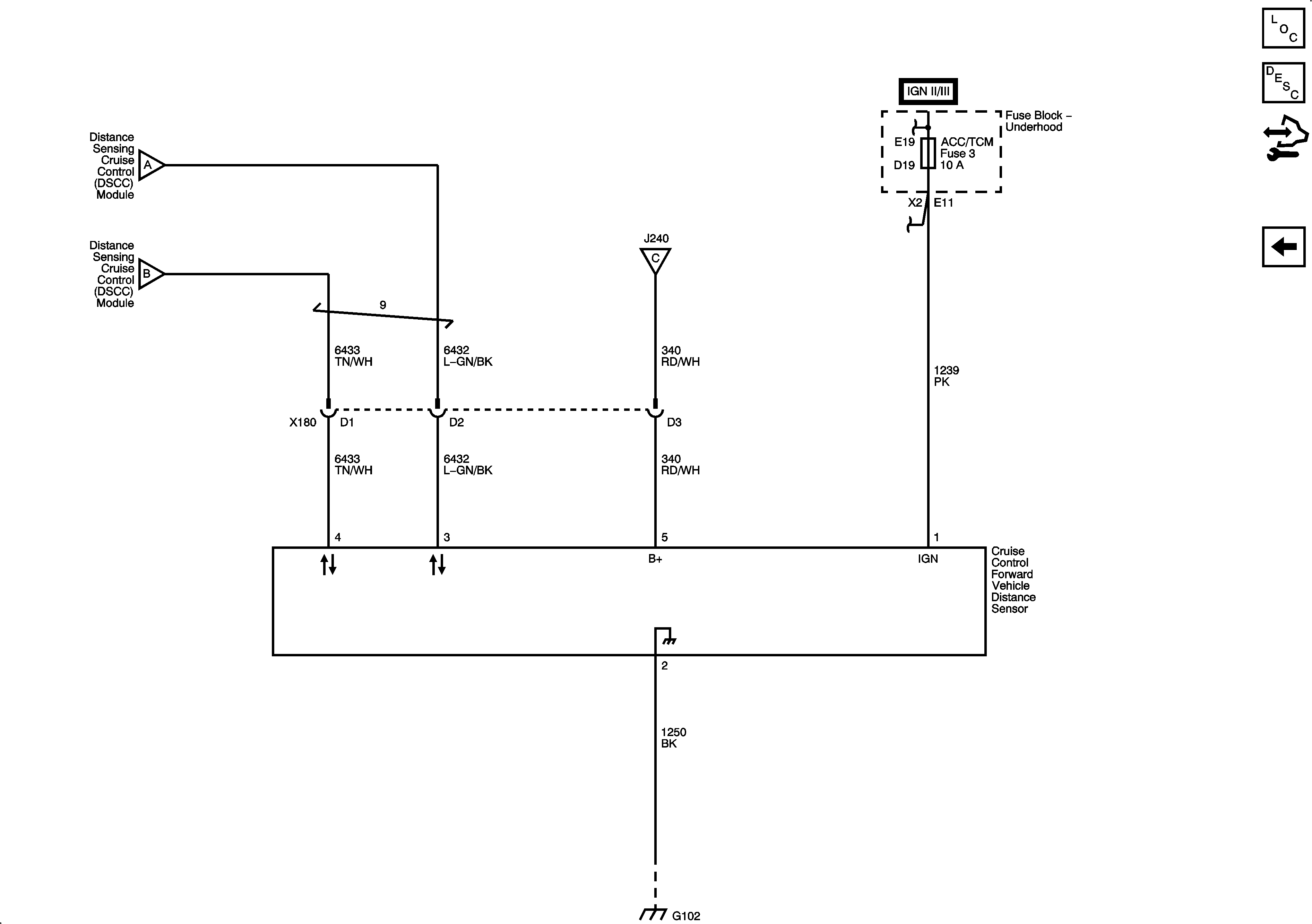
Figure 2:

Computer Controls and Indicators


Object Number: 1899535  Size: FS
Master Electrical Component List
Cruise Control Description and Operation (Adaptive Cruise)
Control Module References
Forward Looking Sensor
Driver Controls
BATT5, TILT/TELE SW/MEM SEAT MOD, ACCA/DRIV DR SW, IGN SW/INTR SENSR, ONSTAR, and PRK BRK SOLA Fuses
Forward Looking Sensor
CLSTR/HUD, DECK LID CLOSE/PARK/BRK B, DR LOCKS, INTERIOR LIGHTS, HVAC/PWR SND, ISRVM/HVAC, TUTD SW STRG COL SW Fuses, and RUN/CRANK Relay
GMLAN
Power, Ground, and Class 2
Electronic Throttle Controls
Forward Looking Sensor
G302, G401, and G402
Figure 3:

Forward Looking Sensor


Object Number: 1899539  Size: FS
Master Electrical Component List
Cruise Control Description and Operation (Adaptive Cruise)
Control Module References
Computer Controls, and Indicators
RPA/H/C SEAT/WIPR RELAYS, GMLAN DEVICES, ECM, SCMPSIR SW, ACC/TCM, and ABS/MRRTD/AFS Fuses
Computer Controls, and Indicators
Computer Controls, and Indicators
G102