GM Service Manual Online
For 1990-2009 cars only

Removal Procedure


    Object Number: 1613998  Size: SH
  1. Turn the ignition OFF.
  2. Remove the engine sight shield. Refer to Intake Manifold Sight Shield Replacement .
  3. Disconnect the manifold absolute pressure (MAP) sensor (3) electrical connector.

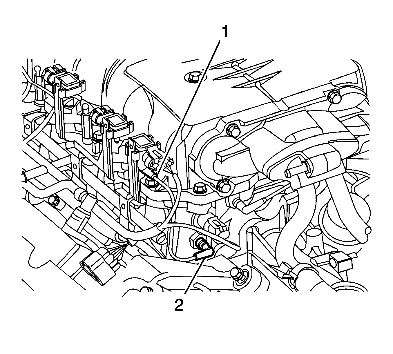
  4. Object Number: 1614002  Size: SH
  5. Remove the MAP sensor from the bracket.
  6. Disconnect the vacuum line fitting (1) from the bottom of the MAP sensor.
  7. Inspect the MAP sensor vacuum line and fittings (1,2) for leaks.

Installation Procedure


    Object Number: 1614002  Size: SH
  1. Connect the vacuum line fitting (1) to the port on the bottom of the MAP sensor.
  2. Install the MAP sensor to the bracket.

  3. Object Number: 1613998  Size: SH
  4. Connect the MAP sensor (3) electrical connector.
  5. Install the engine sight shield. Refer to Intake Manifold Sight Shield Replacement .