GM Service Manual Online
For 1990-2009 cars only
Makes
🢒
Cadillac
🢒
2008
🢒
XLR
🢒
Diagnostic Navigation
🢒
Vehicle Diagnostic Information
🢒 Folding Top Schematics
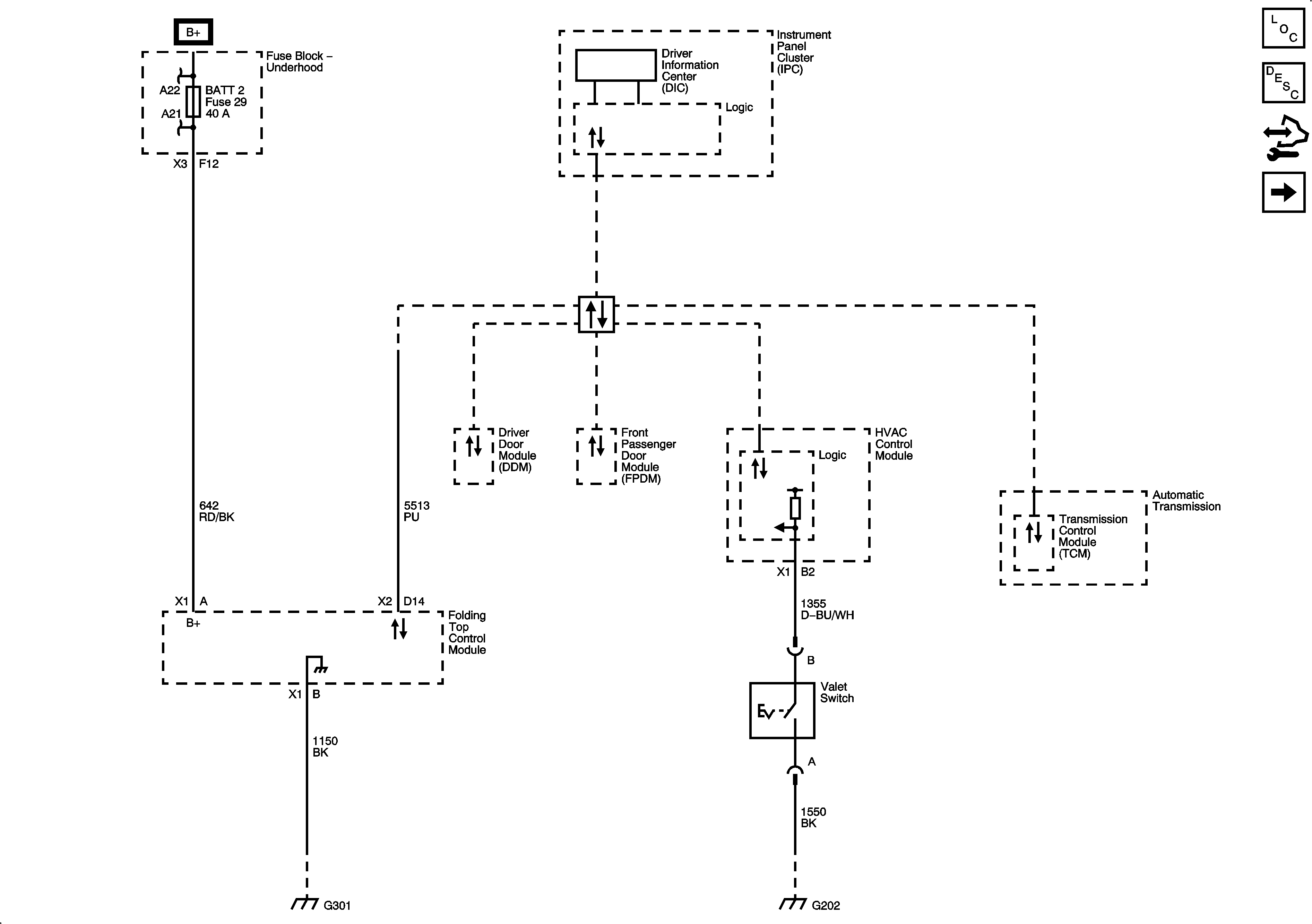
Figure
1:
Power, Ground, DLC, and Messages
Master Electrical Component List
Power Folding Top Description and Operation
Control Module References
Switches
Fuse Block - Underhood Bussing
COOLFAN, AMP, HVAC, ABS, W/S WASH/INTERCOOL, MRRTD, ECM/TCM, HORN, and BATT2 Fuses
Power, Ground, and Class 2
G301
G202
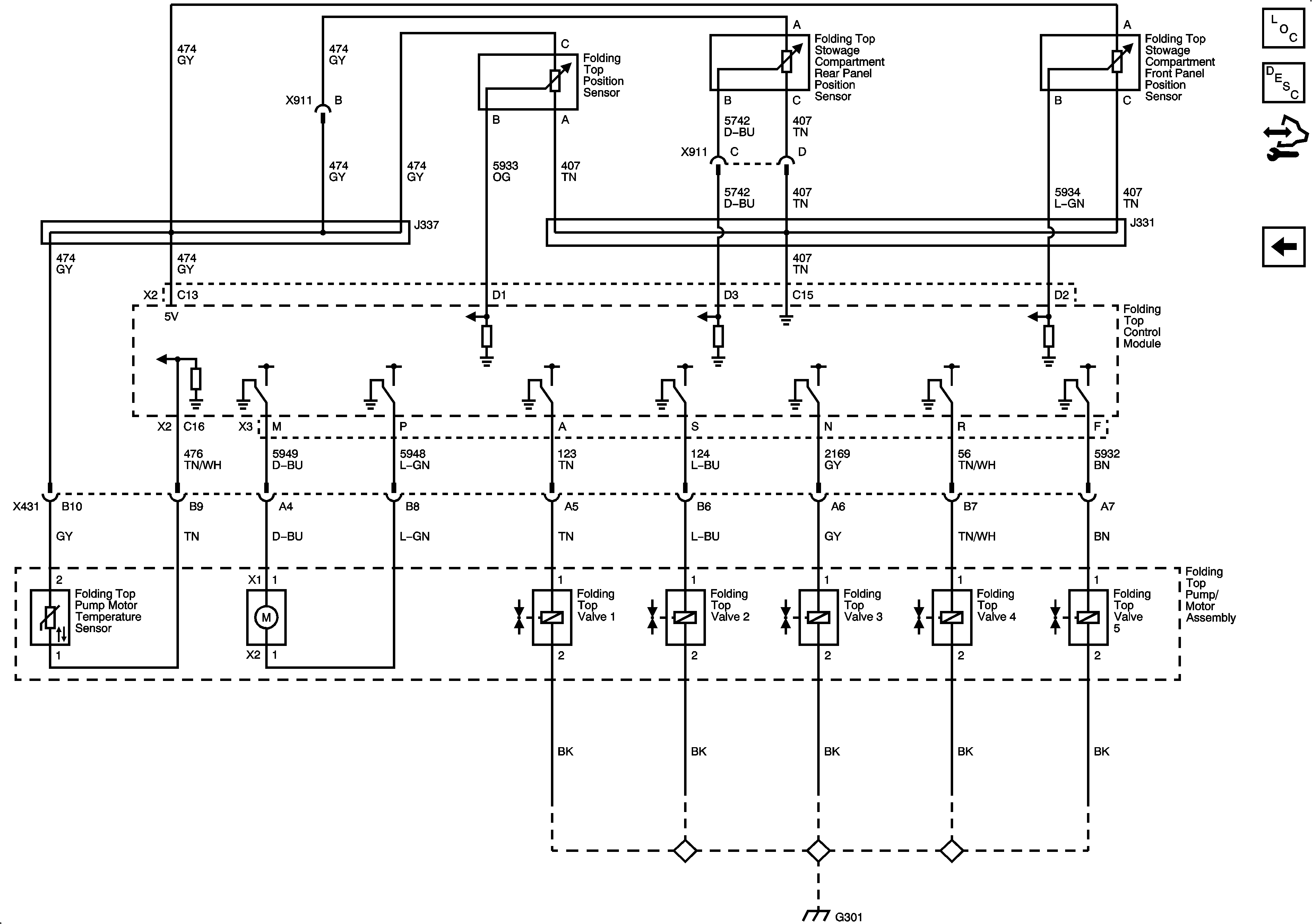
Figure
2:
Switches
Master Electrical Component List
Power Folding Top Description and Operation
Control Module References
Sensors, Valves, and Pump
Power, Ground, DLC, and Messages
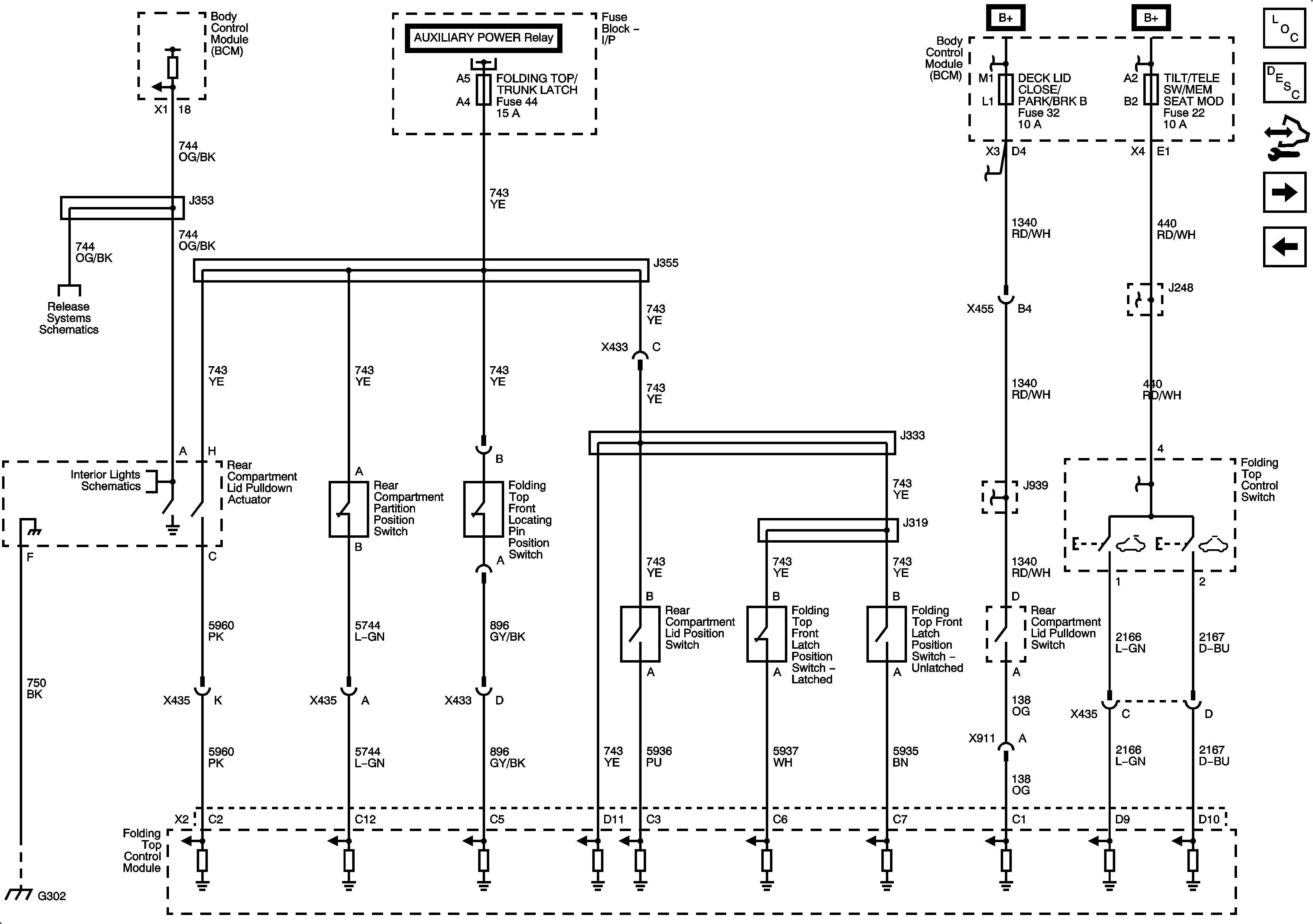
AUXILIARY POWER Relay, and CIGAR LTR, AUX PWR, FOLDING TOP/TRUNK LATCH, COLUMN LK MDL (EUROPE) Fuses
CLSTR/HUD, DECK LID CLOSE/PARK/BRK B, DR LOCKS, INTERIOR LIGHTS, HVAC/PWR SND, ISRVM/HVAC, TUTD SW STRG COL SW Fuses, and RUN/CRANK Relay
CLSTR/HUD, DECK LID CLOSE/PARK/BRK B, DR LOCKS, INTERIOR LIGHTS, HVAC/PWR SND, ISRVM/HVAC, TUTD SW STRG COL SW Fuses, and RUN/CRANK Relay
BATT5, TILT/TELE SW/MEM SEAT MOD, ACCA/DRIV DR SW, IGN SW/INTR SENSR, ONSTAR, and PRK BRK SOLA Fuses
BATT5, TILT/TELE SW/MEM SEAT MOD, ACCA/DRIV DR SW, IGN SW/INTR SENSR, ONSTAR, and PRK BRK SOLA Fuses
Fuel Door, and Rear Compartment Lid Release
Door and Rear Compartment Courtesy Lamps
G302, G401, and G402
Figure
3:
Sensors, Valves, and Pump
Master Electrical Component List
Power Folding Top Description and Operation
Control Module References
Switches
G301