GM Service Manual Online
For 1990-2009 cars only
Makes
🢒
Cadillac
🢒
2008
🢒
XLR
🢒
Diagnostic Navigation
🢒
Vehicle Diagnostic Information
🢒 OnStar Schematics
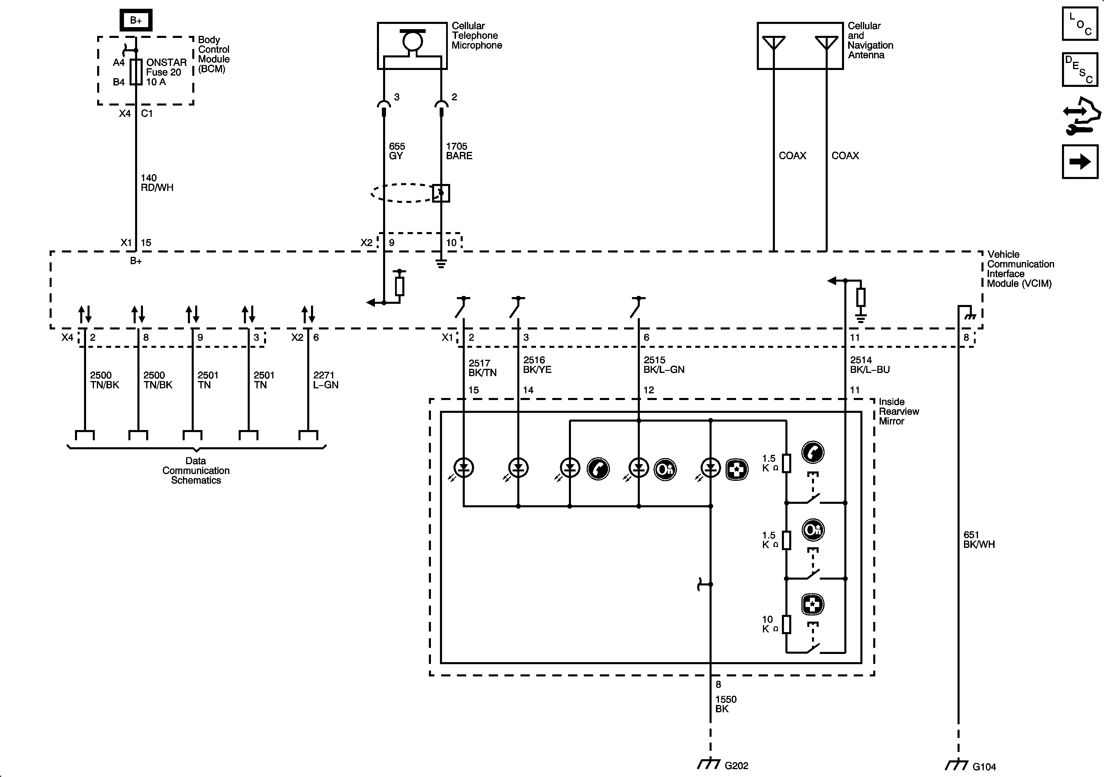
Figure
1:
Power, Ground, DLC, Antenna, and User Inputs
Master Electrical Component List
OnStar Description and Operation
Control Module References
Audio Output
BATT5, TILT/TELE SW/MEM SEAT MOD, ACCA/DRIV DR SW, IGN SW/INTR SENSR, ONSTAR, and PRK BRK SOLA Fuses
Power, Ground, and Class 2
G202
G202
G104, and G106
Figure
2:
Audio Output
Master Electrical Component List
OnStar Description and Operation
Control Module References
Power, Ground, DLC, Antenna, and User Inputs