GM Service Manual Online
For 1990-2009 cars only
Makes
🢒
Cadillac
🢒
2008
🢒
XLR
🢒
Diagnostic Navigation
🢒
Vehicle Diagnostic Information
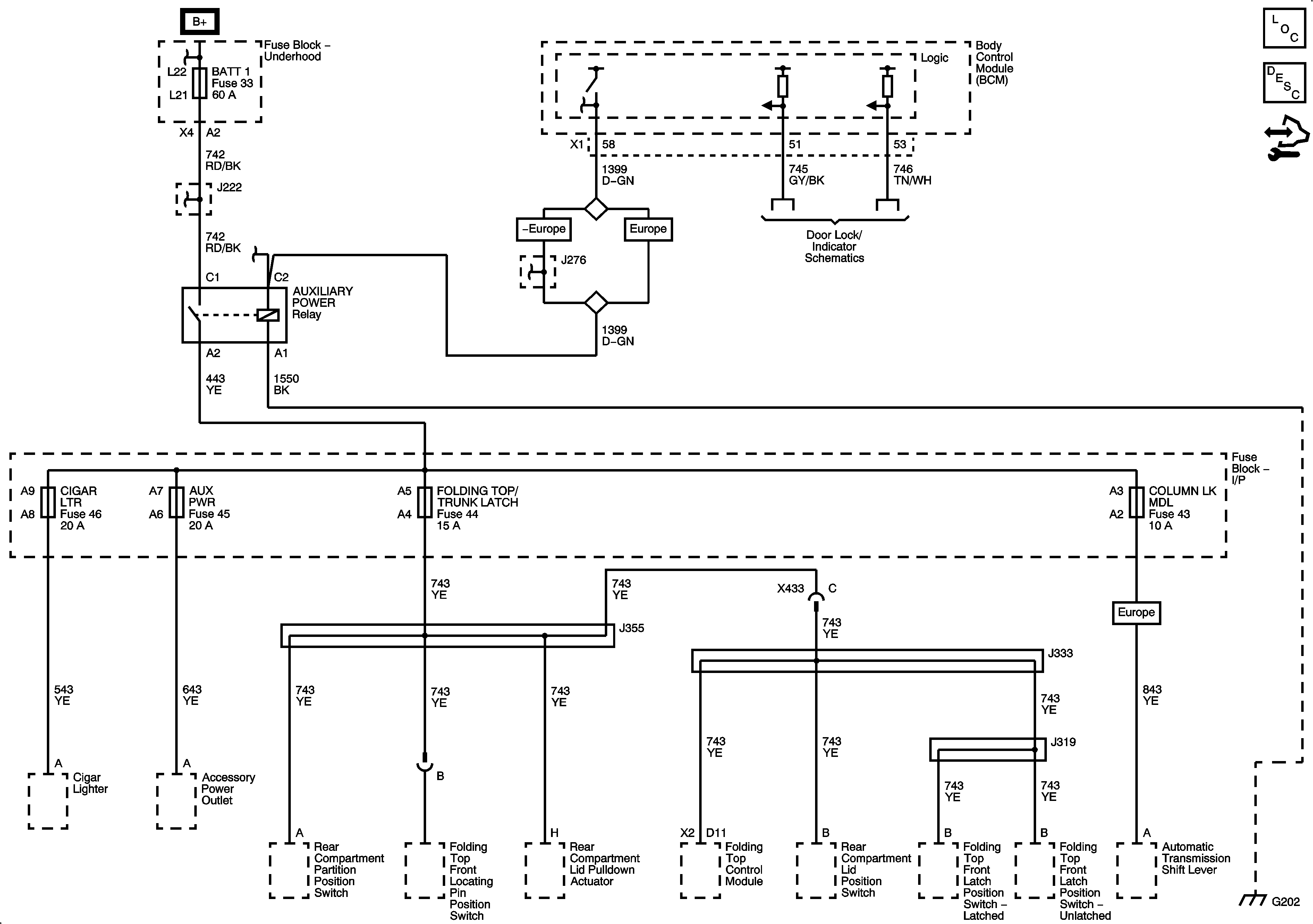
🢒 Power Moding Schematics
Master Electrical Component List
Power Mode Description and Operation
Control Module References
Fuse Block - Underhood Bussing
BATT1, HTD SEAT LH, HTD SEAT RH, PWR LUMBAR LH/RH Fuses, and DR CNTRLS, PWR SEAT Circuit Breakers
Ignition Mode Switch
Ignition Mode Switch
Ignition Mode Switch
Indicators, Messages, and Ajar/Open/Lock Switches
G202