GM Service Manual Online
For 1990-2009 cars only
Makes
🢒
Cadillac
🢒
2008
🢒
XLR
🢒
Diagnostic Navigation
🢒
Vehicle Diagnostic Information
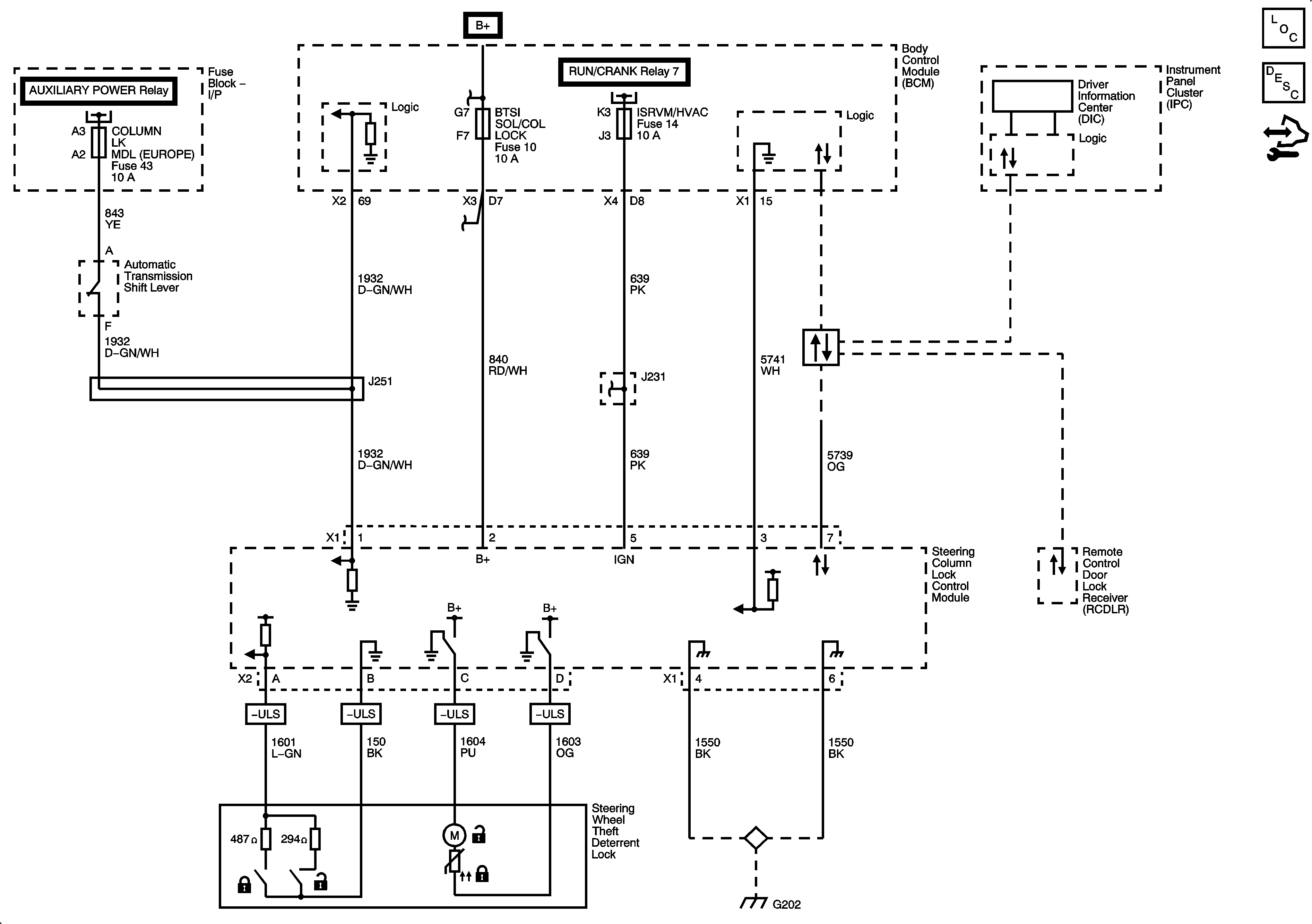
🢒 Column Lock Schematics
Master Electrical Component List
Steering Wheel and Column Description and Operation
Control Module References
AUXILIARY POWER Relay, and CIGAR LTR, AUX PWR, FOLDING TOP/TRUNK LATCH, COLUMN LK MDL (EUROPE) Fuses
BATT3, STOP/B/U/LPS, BTSI SOL/COL LOCK, RADIO, S-BAND/VICS, PWR FLDG MIR - EXT RET, REAR FOG/ALDL, REVERESE LAMPS Fuses, and REVERSE LAMP Relay
CLSTR/HUD, DECK LID CLOSE/PARK/BRK B, DR LOCKS, INTERIOR LIGHTS, HVAC/PWR SND, ISRVM/HVAC, TUTD SW STRG COL SW Fuses, and RUN/CRANK Relay
CLSTR/HUD, DECK LID CLOSE/PARK/BRK B, DR LOCKS, INTERIOR LIGHTS, HVAC/PWR SND, ISRVM/HVAC, TUTD SW STRG COL SW Fuses, and RUN/CRANK Relay
Power, Ground, and Class 2
G202