GM Service Manual Online
For 1990-2009 cars only
Makes
🢒
Cadillac
🢒
2008
🢒
XLR
🢒
Diagnostic Navigation
🢒
Vehicle Diagnostic Information
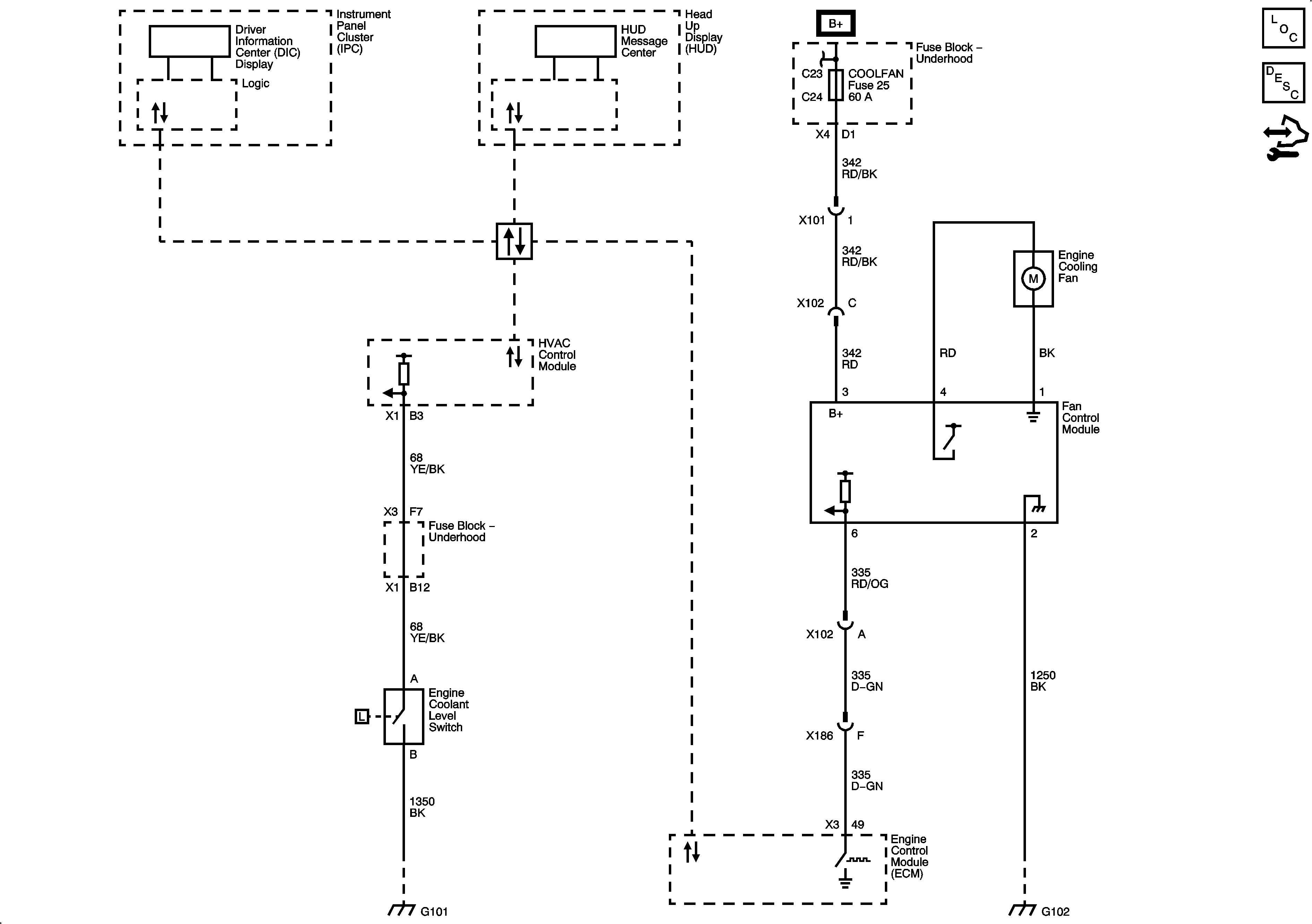
🢒 Engine Cooling Schematics
Master Electrical Component List
Cooling Fan Description and Operation
Control Module References
Fuse Block - Underhood Bussing
COOLFAN, AMP, HVAC, ABS, W/S WASH/INTERCOOL, MRRTD, ECM/TCM, HORN, and BATT2 Fuses
MAF/IAT, ECT, MAP Sensors, and Stop Lamp Switch Signal
Power, Ground, and Class 2
G102
G101