GM Service Manual Online
For 1990-2009 cars only
Makes
🢒
Cadillac
🢒
2008
🢒
XLR
🢒
Diagnostic Navigation
🢒
Vehicle Diagnostic Information
🢒 Headlights/Daytime Running Lights (DRL) Schematics
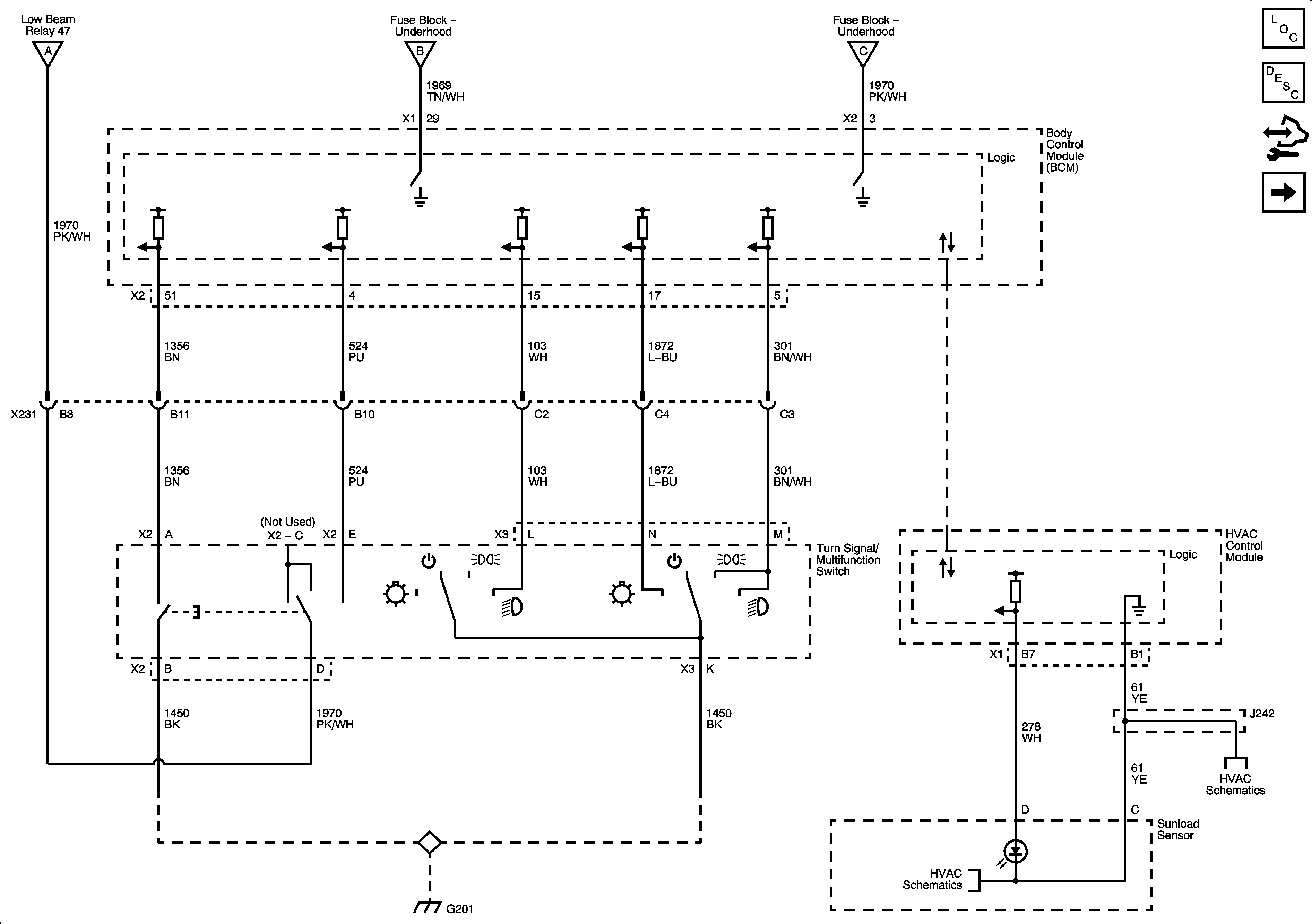
Figure
1:
Headlamp/DRL Control
Master Electrical Component List
Exterior Lighting Systems Description and Operation
Control Module References
Headlamps
Headlamps
Headlamps
Headlamps
Temperature Sensors
Temperature Sensors
G201
Figure
2:
Headlamps
Master Electrical Component List
Exterior Lighting Systems Description and Operation
Control Module References
Adaptive Forward Lighting System (AFS) - Except Japan and Europe
Headlamp/DRL Control
Fuse Block - Underhood Bussing
LT HI BM, RT HI BM, LT LO BM, RT LO BM, WIPER, WIPR DWELL, RUN ACSRY PWR, STR WAL DIMMING Fuses, and HIGH BEAM, LOW BEAM, WIPER RUN/ACC, WIPER ON/OFF, WIPER HI/LO Relays
Headlamp/DRL Control
Headlamp/DRL Control
Headlamp/DRL Control
Master Electrical Schematic Icons
Master Electrical Schematic Icons
G101
G102
Figure
3:
Adaptive Forward Lighting System (AFS) - Except Japan and Europe
Master Electrical Component List
Exterior Lighting Systems Description and Operation
Control Module References
Headlamps
Fuse Block - Underhood Bussing
COOLFAN, AMP, HVAC, ABS, W/S WASH/INTERCOOL, MRRTD, ECM/TCM, HORN, and BATT2 Fuses
RPA/H/C SEAT/WIPR RELAYS, GMLAN DEVICES, ECM, SCMPSIR SW, ACC/TCM, and ABS/MRRTD/AFS Fuses
GMLAN
G102