GM Service Manual Online
For 1990-2009 cars only
Makes
🢒
Cadillac
🢒
2008
🢒
XLR
🢒
Diagnostic Navigation
🢒
Vehicle Diagnostic Information
🢒 Interior Lights Schematics
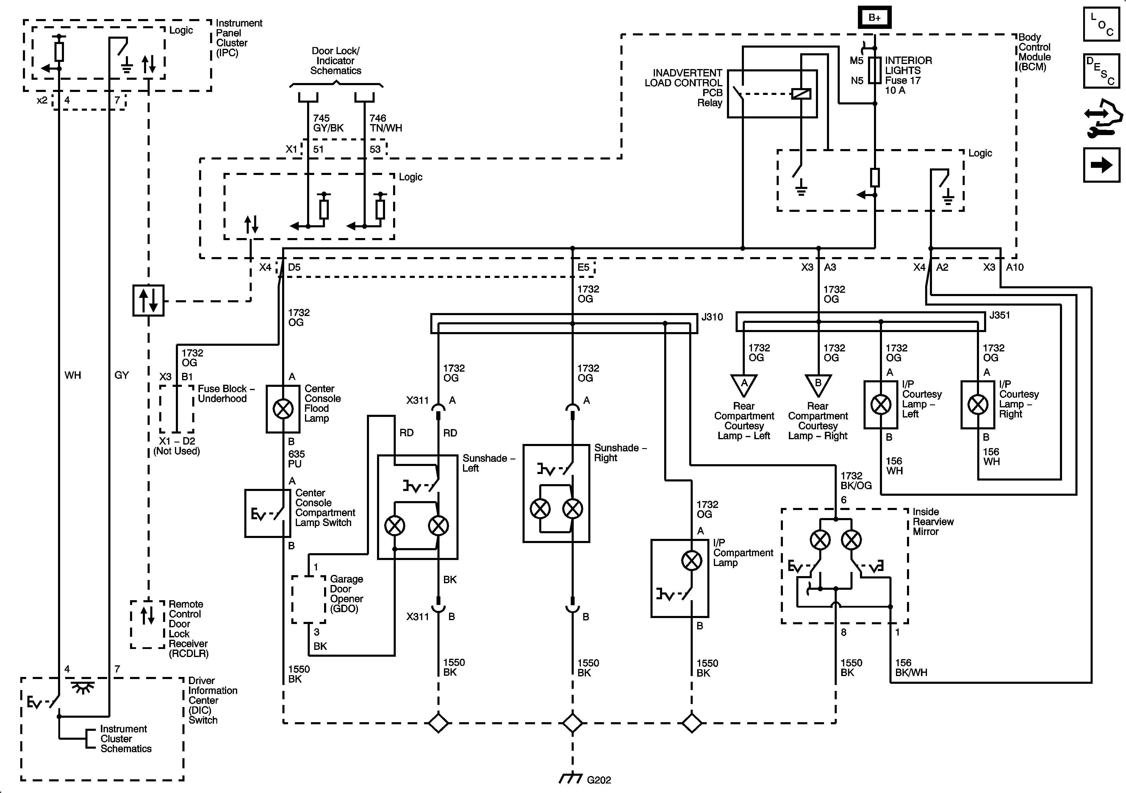
Figure
1:
Lamp Controls and Courtesy, Underhood, I/P Compartment, Vanity Mirrors, Inside Rearview Mirror Lamps
Master Electrical Component List
Interior Lighting Systems Description and Operation
Control Module References
Door and Rear Compartment Courtesy Lamps
CLSTR/HUD, DECK LID CLOSE/PARK/BRK B, DR LOCKS, INTERIOR LIGHTS, HVAC/PWR SND, ISRVM/HVAC, TUTD SW STRG COL SW Fuses, and RUN/CRANK Relay
Indicators, Messages, and Ajar/Open/Lock Switches
Power, Ground, and Class 2
Door and Rear Compartment Courtesy Lamps
Door and Rear Compartment Courtesy Lamps
Messages
G202
G202
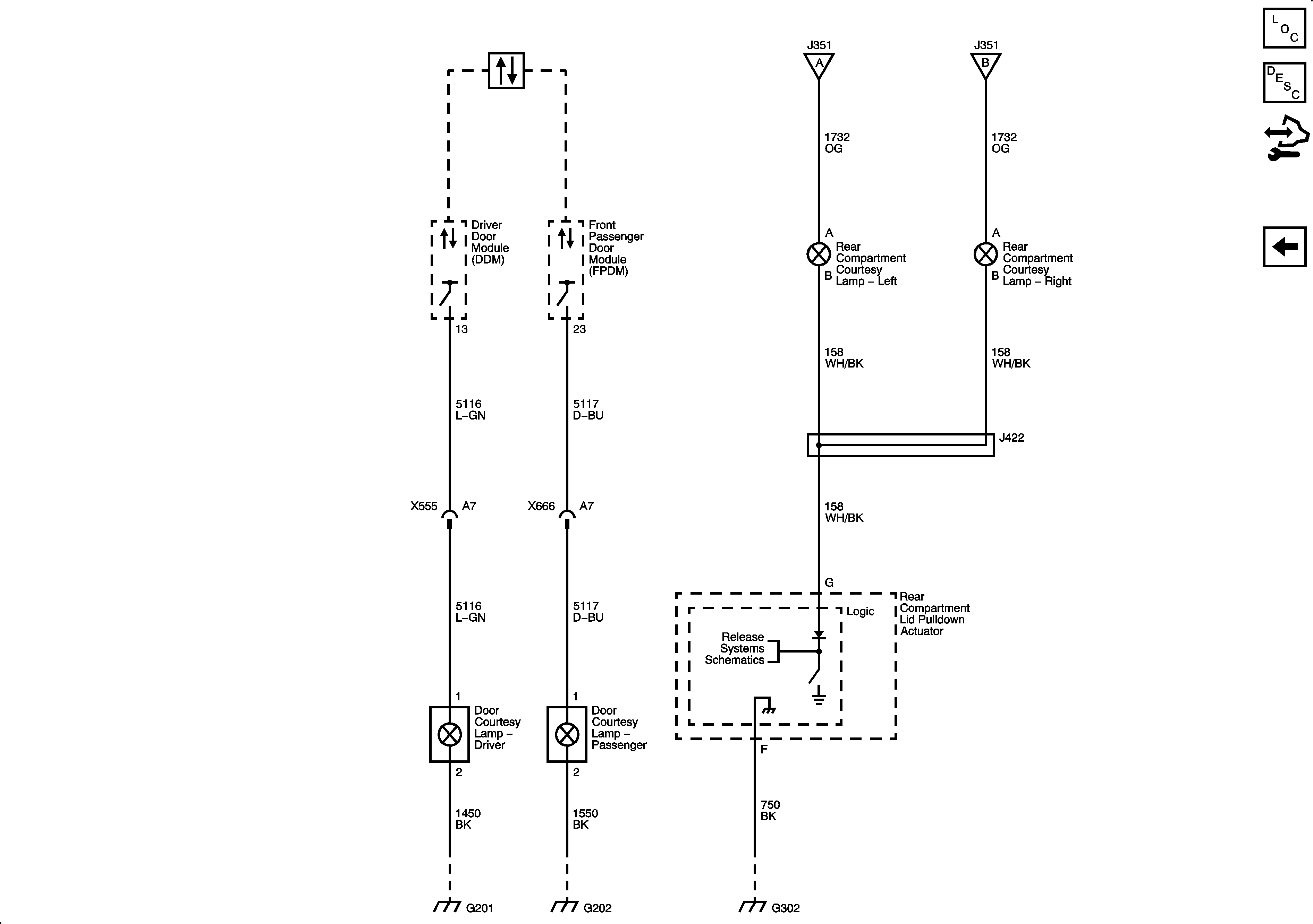
Figure
2:
Door and Rear Compartment Courtesy Lamps
Master Electrical Component List
Interior Lighting Systems Description and Operation
Control Module References
Lamp Controls and Courtesy, Underhood, I/P Compartment, Vanity Mirrors, Inside Rearview Mirror Lamps
Power, Ground, and Class 2
Lamp Controls and Courtesy, Underhood, I/P Compartment, Vanity Mirrors, Inside Rearview Mirror Lamps
Lamp Controls and Courtesy, Underhood, I/P Compartment, Vanity Mirrors, Inside Rearview Mirror Lamps
Fuel Door, and Rear Compartment Lid Release
G201
G202 Continued
G302, G401, and G402