GM Service Manual Online
For 1990-2009 cars only
Makes
🢒
Cadillac
🢒
2008
🢒
XLR
🢒
Diagnostic Navigation
🢒
Vehicle Diagnostic Information
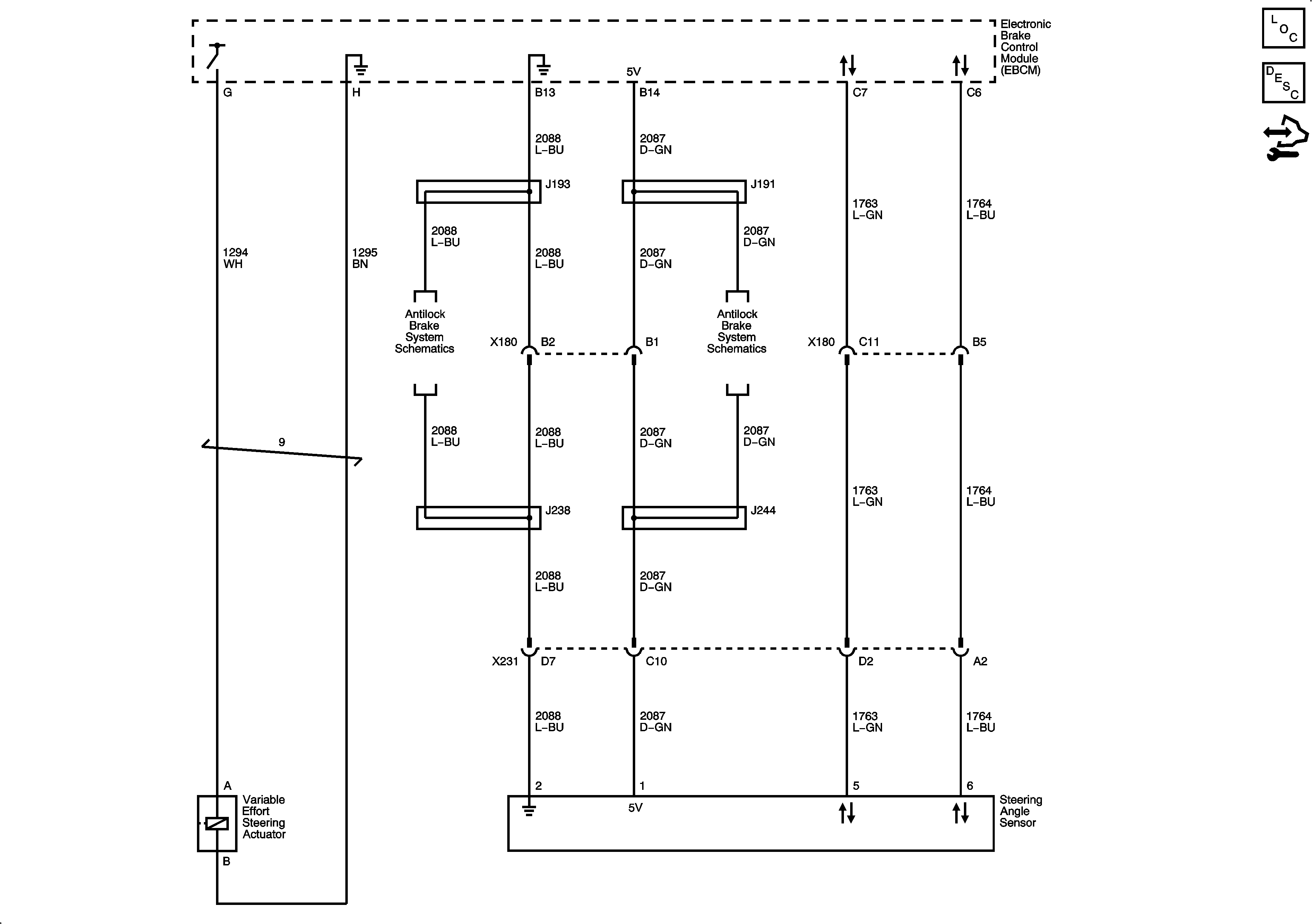
🢒 Power Steering Schematics
Master Electrical Component List
Variable Effort Steering System Description and Operation
Control Module References
Stability Control Sensors
Stability Control Sensors