GM Service Manual Online
For 1990-2009 cars only
Figure 1:

Power, Ground, DLC, Indicators, Sensors, and References


Object Number: 1899607  Size: FS
Master Electrical Component List
SIR System Description and Operation
Control Module References
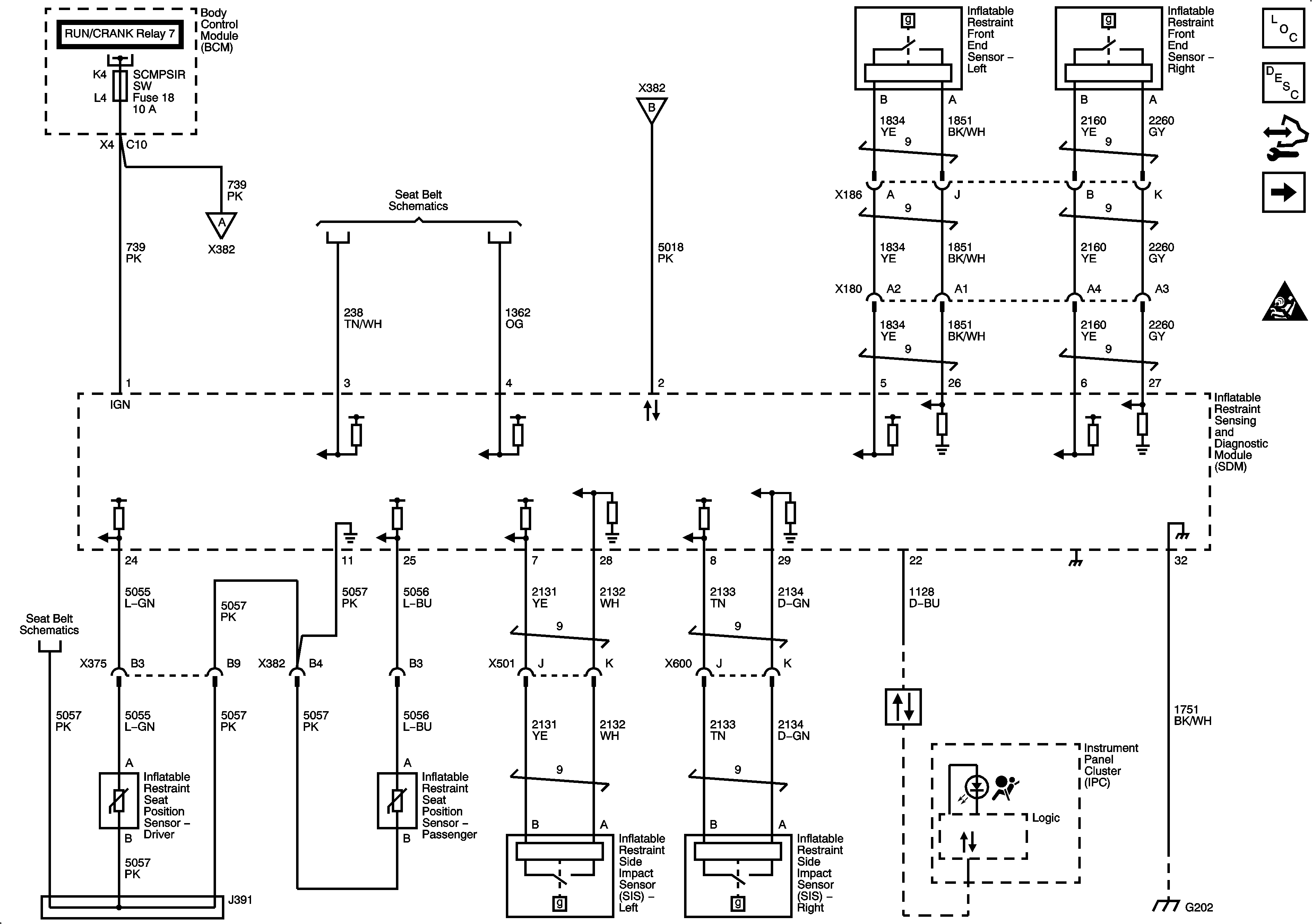
Deployment Loops
Master Electrical Schematic Icons
RPA/H/C SEAT/WIPR RELAYS, GMLAN DEVICES, ECM, SCMPSIR SW, ACC/TCM, and ABS/MRRTD/AFS Fuses
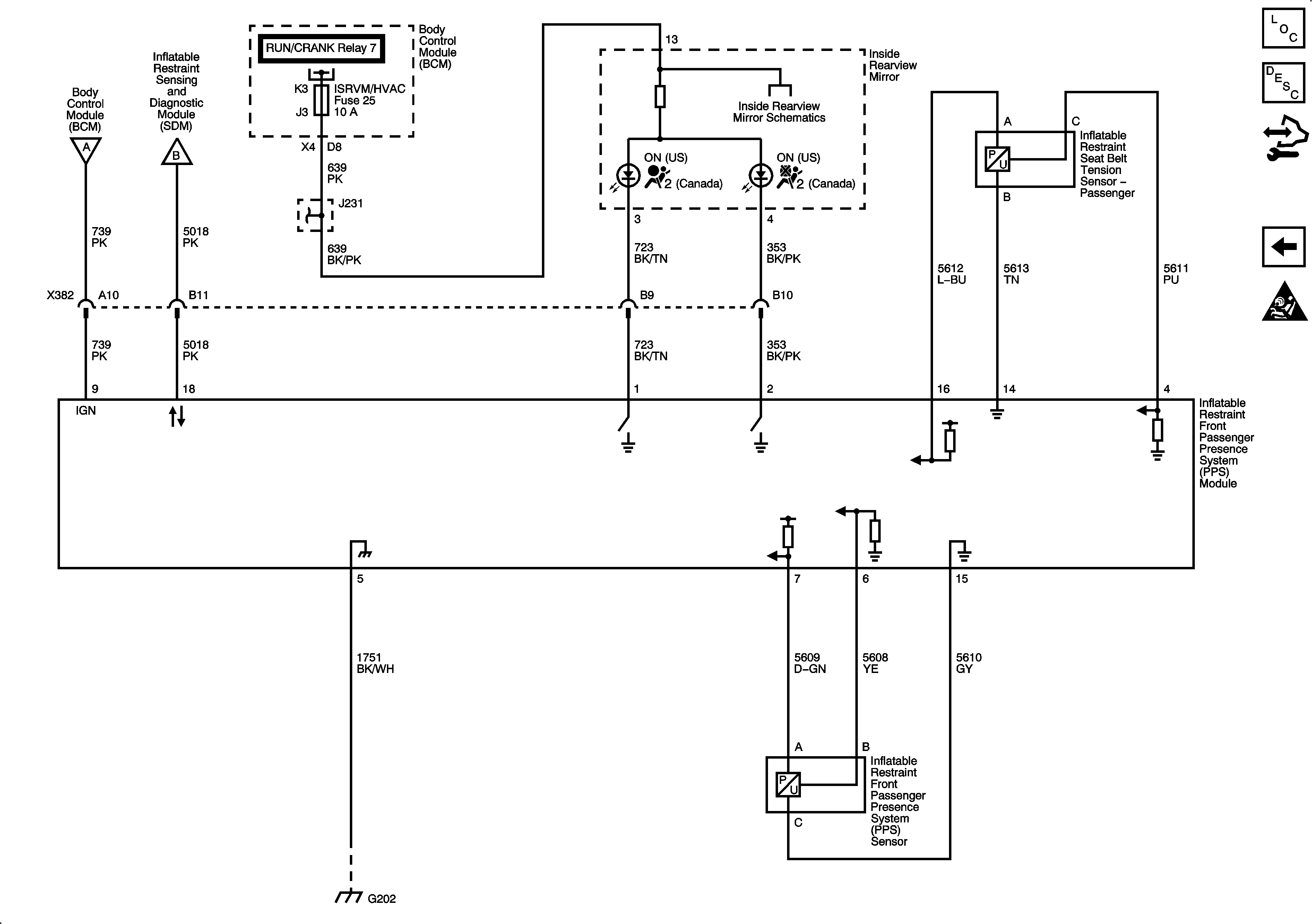
Passenger Presence System
Seat Belt Schematics
Passenger Presence System
Seat Belt Schematics
Power, Ground, and Class 2
G202
Figure 2:

Deployment Loops


Object Number: 1899608  Size: FS
Master Electrical Component List
SIR System Description and Operation
Control Module References
Passenger Presence System
Power, Ground, DLC, Indicators, Sensors, and References
Master Electrical Schematic Icons
Figure 3:

Passenger Presence System


Object Number: 1899609  Size: FS
Master Electrical Component List
SIR System Description and Operation
Control Module References
Deployment Loops
Master Electrical Schematic Icons
CLSTR/HUD, DECK LID CLOSE/PARK/BRK B, DR LOCKS, INTERIOR LIGHTS, HVAC/PWR SND, ISRVM/HVAC, TUTD SW STRG COL SW Fuses, and RUN/CRANK Relay
CLSTR/HUD, DECK LID CLOSE/PARK/BRK B, DR LOCKS, INTERIOR LIGHTS, HVAC/PWR SND, ISRVM/HVAC, TUTD SW STRG COL SW Fuses, and RUN/CRANK Relay
Power, Ground, DLC, Indicators, Sensors, and References
Power, Ground, DLC, Indicators, Sensors, and References
Inside Rearview Mirror Schematics
G202