GM Service Manual Online
For 1990-2009 cars only
Figure 1:

Power, Ground, Indicators, and Brake Pressure Modulator Valve


Object Number: 1899570  Size: FS
Master Electrical Component List
ABS Description and Operation
Control Module References
Brake Pedal Signal and Traction Control Switch
Figure 2:

Brake Pedal Signal, and Traction Control Switch


Object Number: 1899575  Size: FS
Master Electrical Component List
ABS Description and Operation
Control Module References
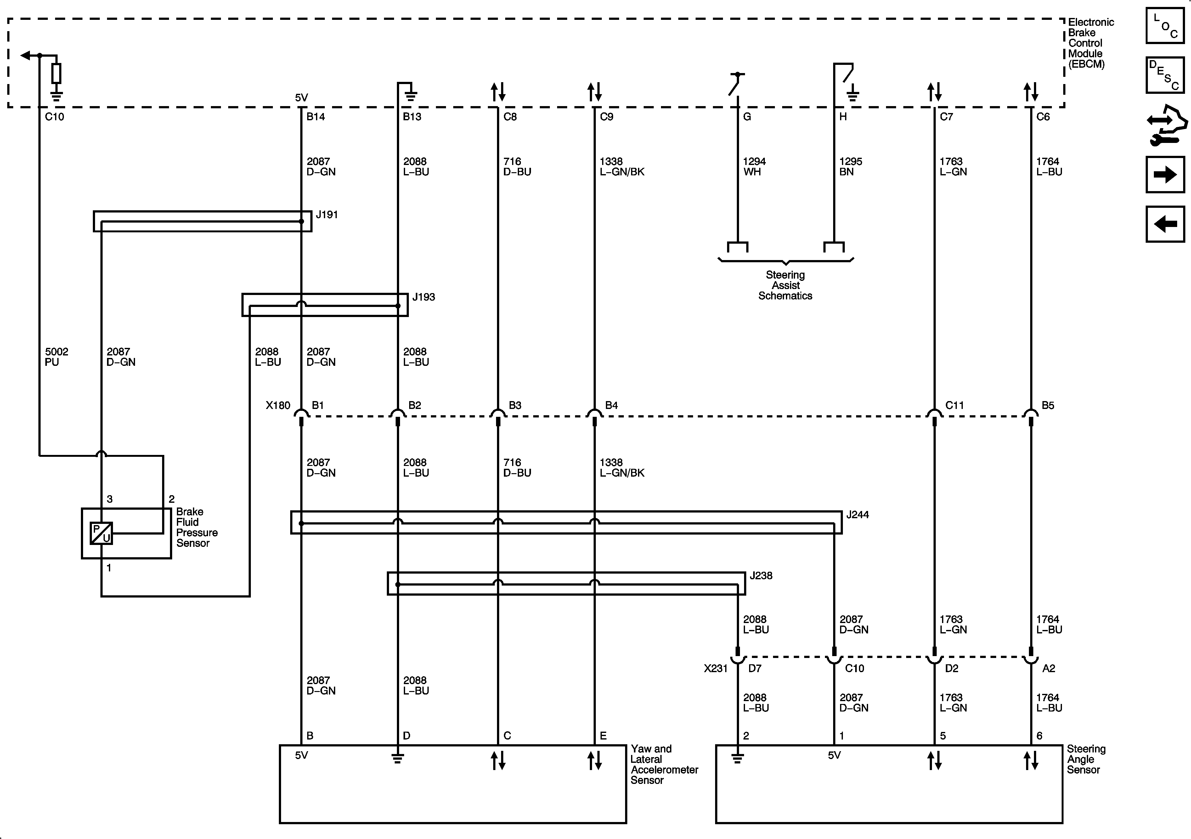
Stability Control Sensors
Power, Ground, Indicators, and Brake Pressure Modulator Valve
Figure 3:

Stability Control Sensors


Object Number: 1899577  Size: FS
Master Electrical Component List
ABS Description and Operation
Control Module References
Wheel Speed Sensors
Brake Pedal Signal and Traction Control Switch
Figure 4:

Wheel Speed Sensors


Object Number: 1899581  Size: FS
Master Electrical Component List
ABS Description and Operation
Control Module References
Stability Control Sensors