GM Service Manual Online
For 1990-2009 cars only
Makes
🢒
Cadillac
🢒
2008
🢒
XLR
🢒
Steering
🢒
Steering Wheel and Column
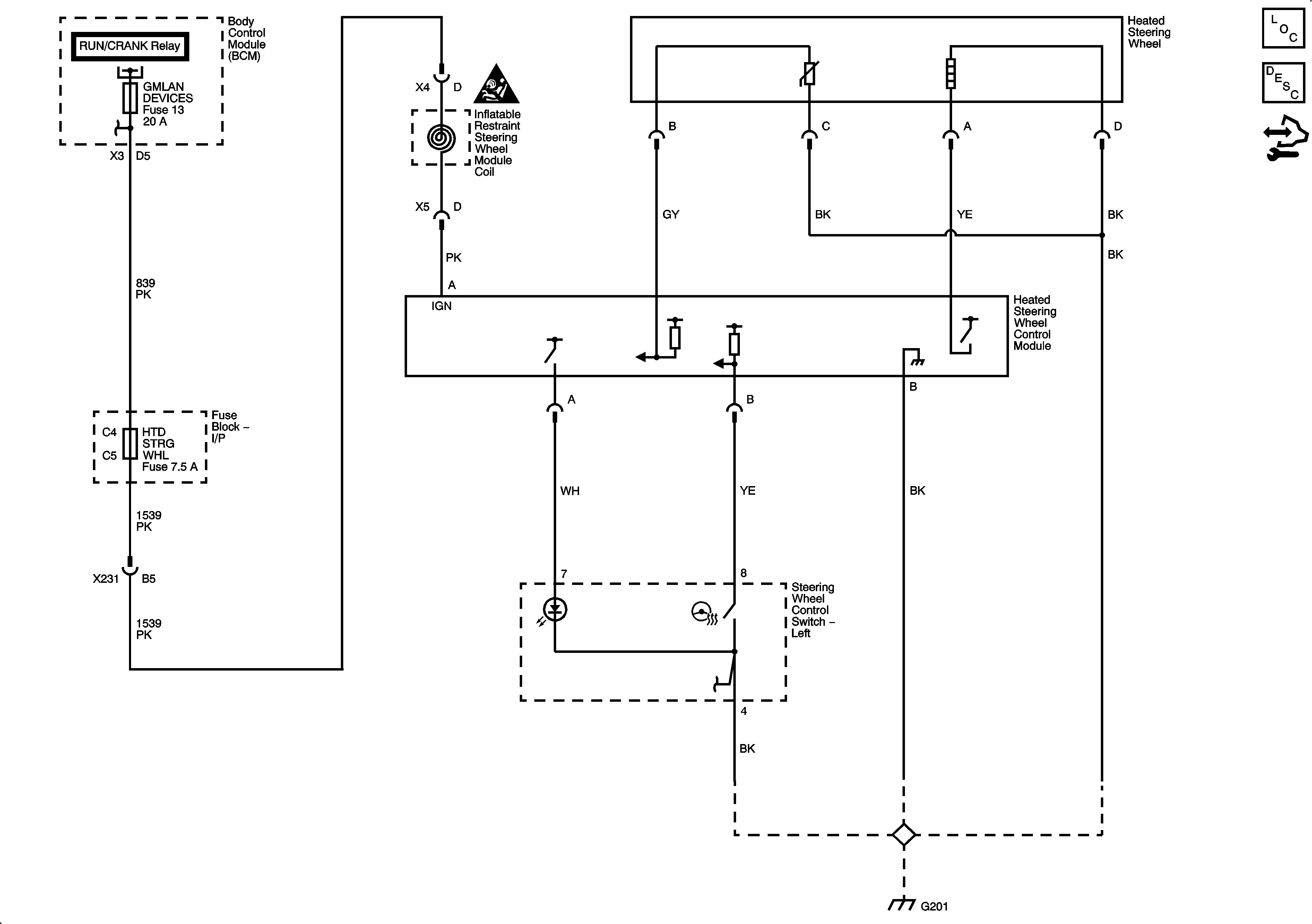
🢒 Steering Wheel Schematics
Master Electrical Component List
Steering Wheel and Column Description and Operation
Control Module References
CLSTR/HUD, DECK LID CLOSE/PARK/BRK B, DR LOCKS, INTERIOR LIGHTS, HVAC/PWR SND, ISRVM/HVAC, TUTD SW STRG COL SW Fuses, and RUN/CRANK Relay
RPA/H/C SEAT/WIPR RELAYS, GMLAN DEVICES, ECM, SCMPSIR SW, ACC/TCM, and ABS/MRRTD/AFS Fuses
Master Electrical Schematic Icons
G201
G201