GM Service Manual Online
For 1990-2009 cars only
Makes
🢒
Cadillac
🢒
2008
🢒
XLR
🢒
Power and Signal Distribution
🢒
Data Communications
🢒 Remote Function Schematics
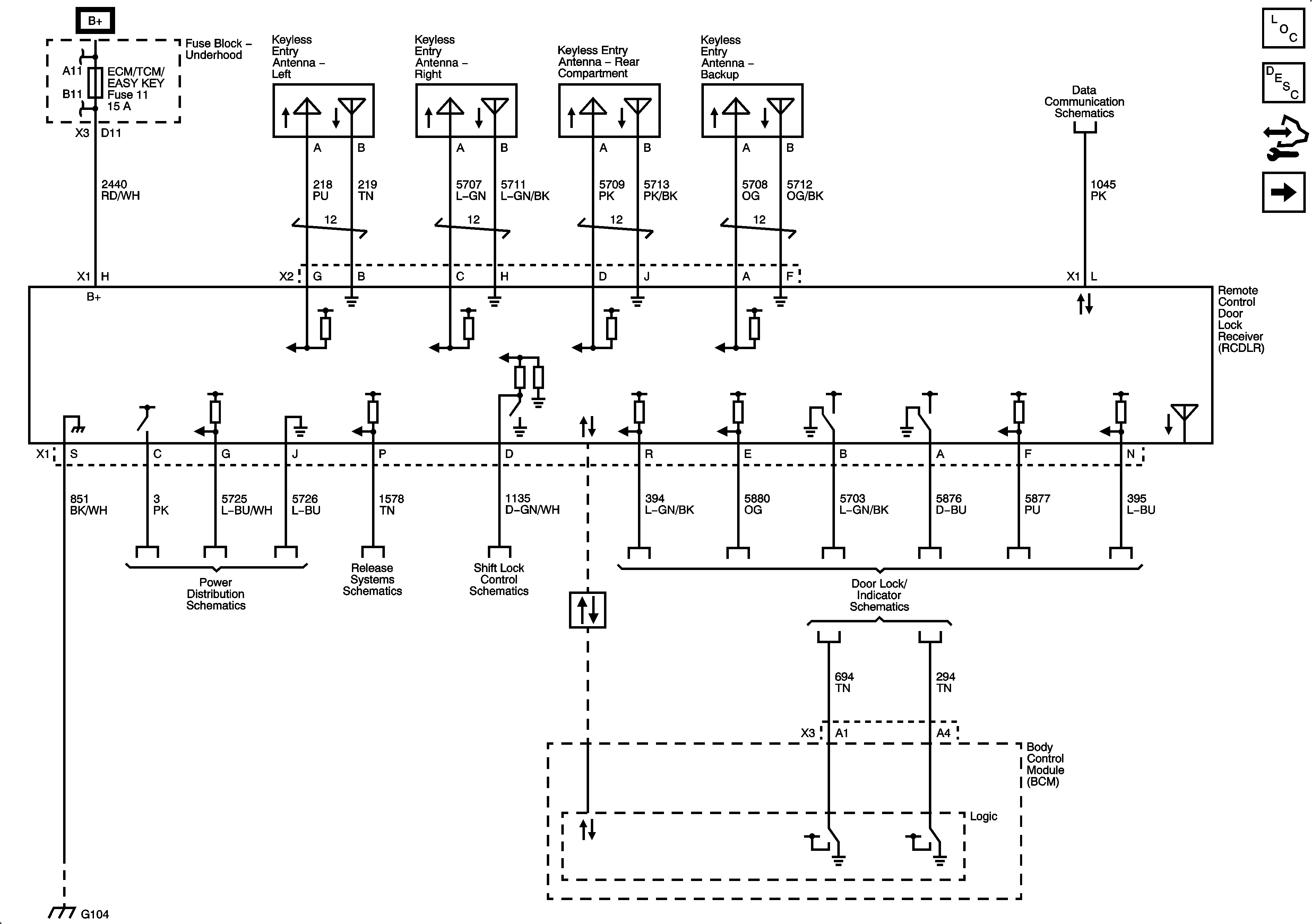
Figure
1:
Keyless Entry
Master Electrical Component List
Keyless Entry System Description and Operation
Control Module References
Garage Door Opener
Fuse Block - Underhood Bussing
COOLFAN, AMP, HVAC, ABS, W/S WASH/INTERCOOL, MRRTD, ECM/TCM, HORN, and BATT2 Fuses
Fuel Door, and Rear Compartment Lid Release
Shift Lock Control Schematics
Ignition Mode Switch
Power, Ground, and Class 2
Actuators and Handle Switches
Actuators and Handle Switches
Horn Schematics
Horn Schematics
Lamp Controls and Courtesy, Underhood, I/P Compartment, Vanity Mirrors, Inside Rearview Mirror Lamps
G104, and G106
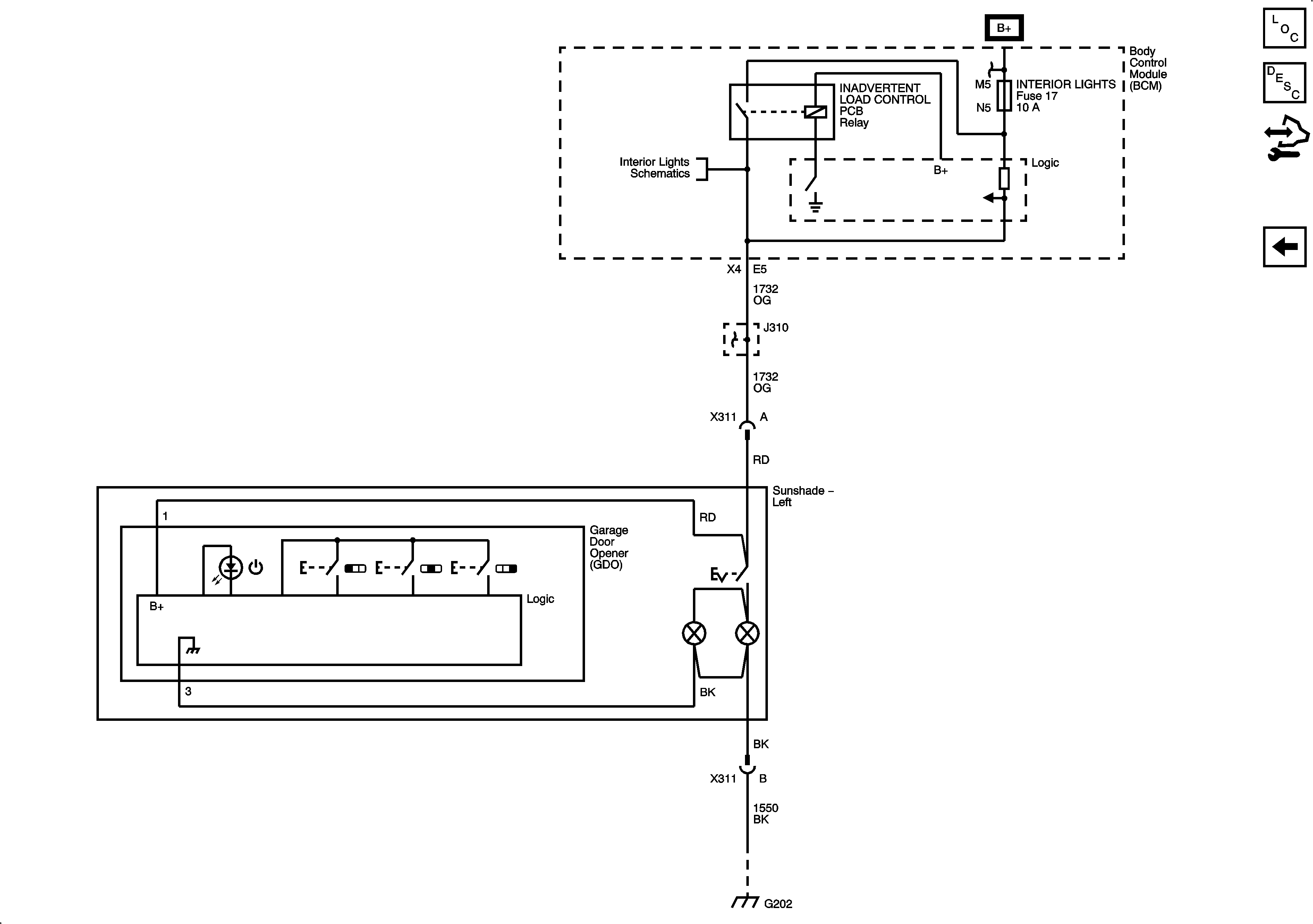
Figure
2:
Garage Door Opener
Master Electrical Component List
Garage Door Opener Description and Operation
Control Module References
Keyless Entry
CLSTR/HUD, DECK LID CLOSE/PARK/BRK B, DR LOCKS, INTERIOR LIGHTS, HVAC/PWR SND, ISRVM/HVAC, TUTD SW STRG COL SW Fuses, and RUN/CRANK Relay
Lamp Controls and Courtesy, Underhood, I/P Compartment, Vanity Mirrors, Inside Rearview Mirror Lamps
Lamp Controls and Courtesy, Underhood, I/P Compartment, Vanity Mirrors, Inside Rearview Mirror Lamps
G202