GM Service Manual Online
For 1990-2009 cars only
Makes
🢒
Cadillac
🢒
2008
🢒
XLR
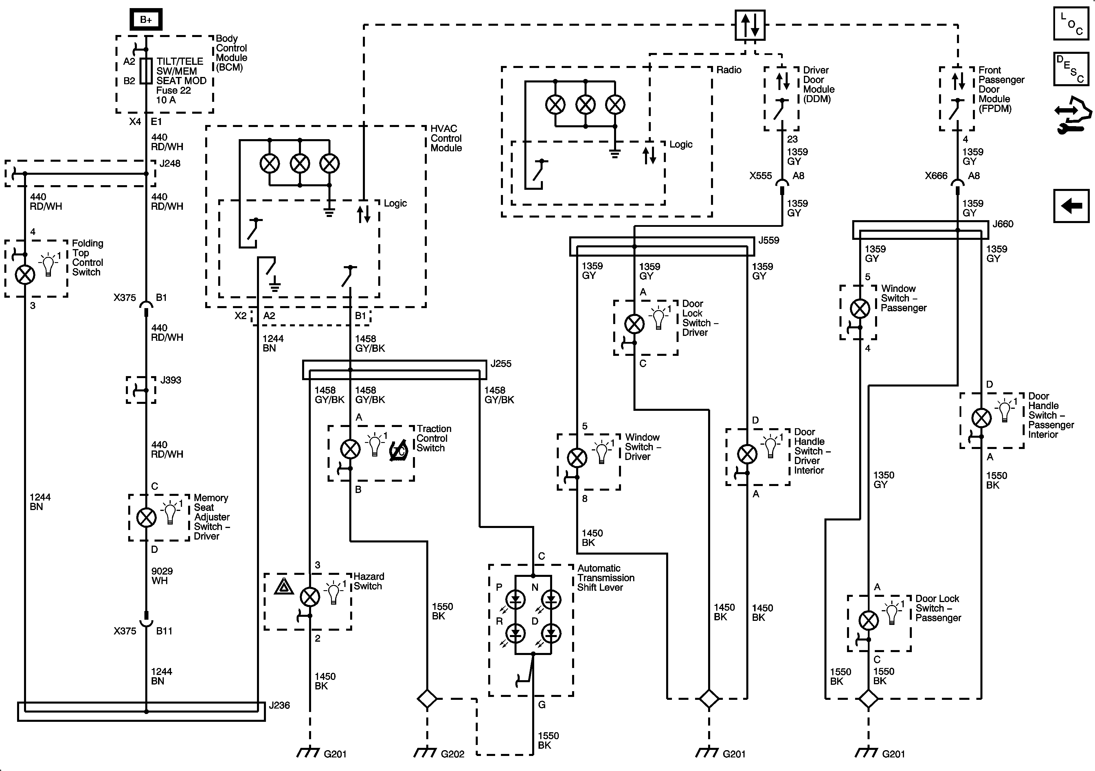
🢒 DLC, HVAC Control Module, Radio, and Switches
DLC, HVAC Control Module, Radio, and Switches
DLC, HVAC Control Module, Radio, and Switches
Master Electrical Component List
Interior Lighting Systems Description and Operation
Control Module References
Dimmer Controls, IPC, Switches, and DLC
BATT5, TILT/TELE SW/MEM SEAT MOD, ACCA/DRIV DR SW, IGN SW/INTR SENSR, ONSTAR, and PRK BRK SOLA Fuses
BATT5, TILT/TELE SW/MEM SEAT MOD, ACCA/DRIV DR SW, IGN SW/INTR SENSR, ONSTAR, and PRK BRK SOLA Fuses
BATT5, TILT/TELE SW/MEM SEAT MOD, ACCA/DRIV DR SW, IGN SW/INTR SENSR, ONSTAR, and PRK BRK SOLA Fuses
BATT5, TILT/TELE SW/MEM SEAT MOD, ACCA/DRIV DR SW, IGN SW/INTR SENSR, ONSTAR, and PRK BRK SOLA Fuses
Power, Ground, and Class 2
G201
G201
G202
G202
G202
G201
G201
G201
G201
G202 Continued
G202 Continued
G202 Continued
G202 Continued