GM Service Manual Online
For 1990-2009 cars only
Makes
🢒
Cadillac
🢒
2008
🢒
XLR
🢒 Power Folding Mirror - Export
Power Folding Mirror - Export
Power Folding Mirror - Export
Master Electrical Component List
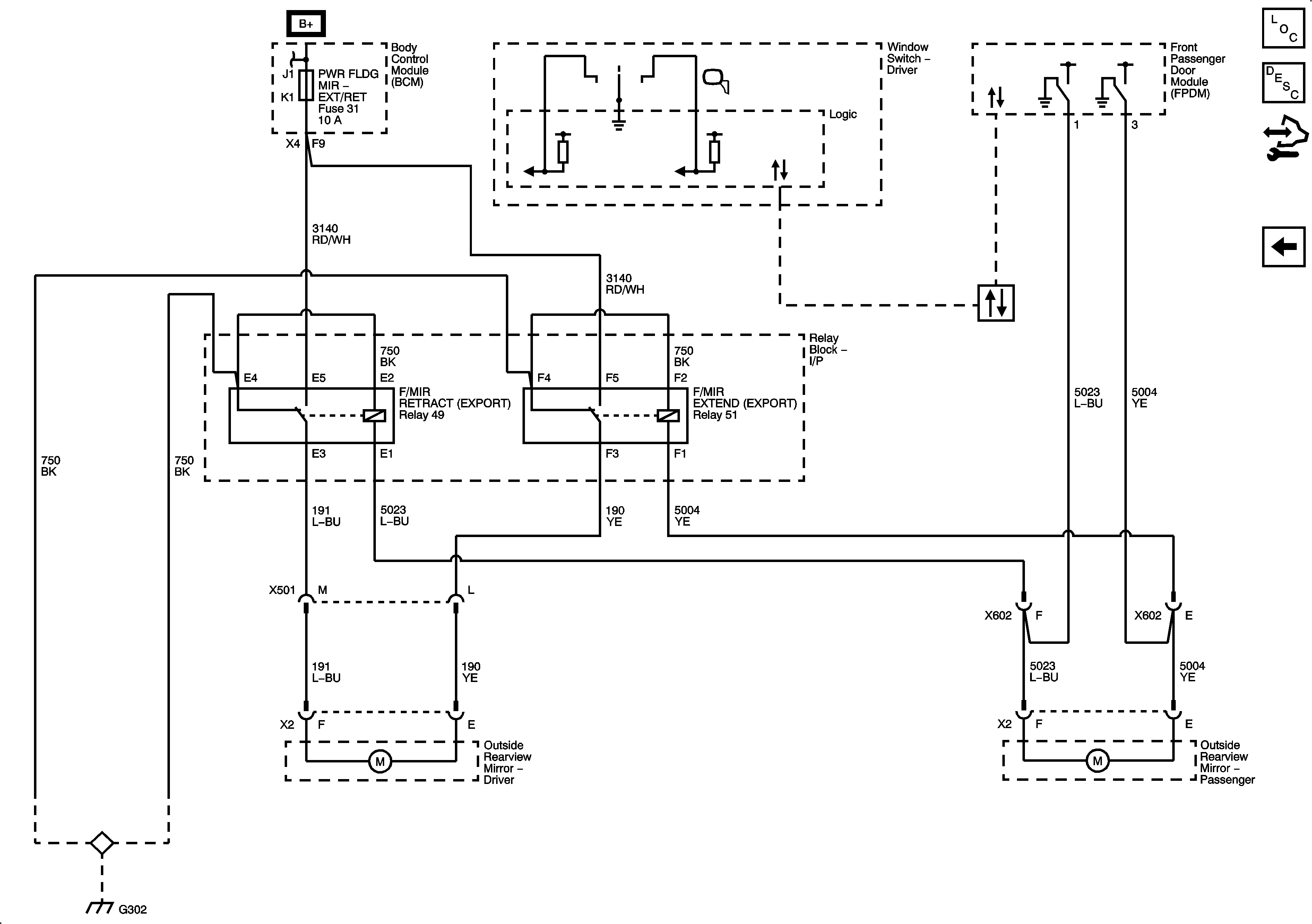
Outside Mirror Description and Operation
Control Module References
Dimming Mirror and Heated Mirror
BATT3, STOP/B/U/LPS, BTSI SOL/COL LOCK, RADIO, S-BAND/VICS, PWR FLDG MIR - EXT RET, REAR FOG/ALDL, REVERESE LAMPS Fuses, and REVERSE LAMP Relay
Power, Ground, and Class 2
G302, G401, and G402