GM Service Manual Online
For 1990-2009 cars only
Makes
🢒
Cadillac
🢒
2008
🢒
XLR
🢒 Power, Ground, and DLC
Power, Ground, and DLC
Power, Ground, and DLC
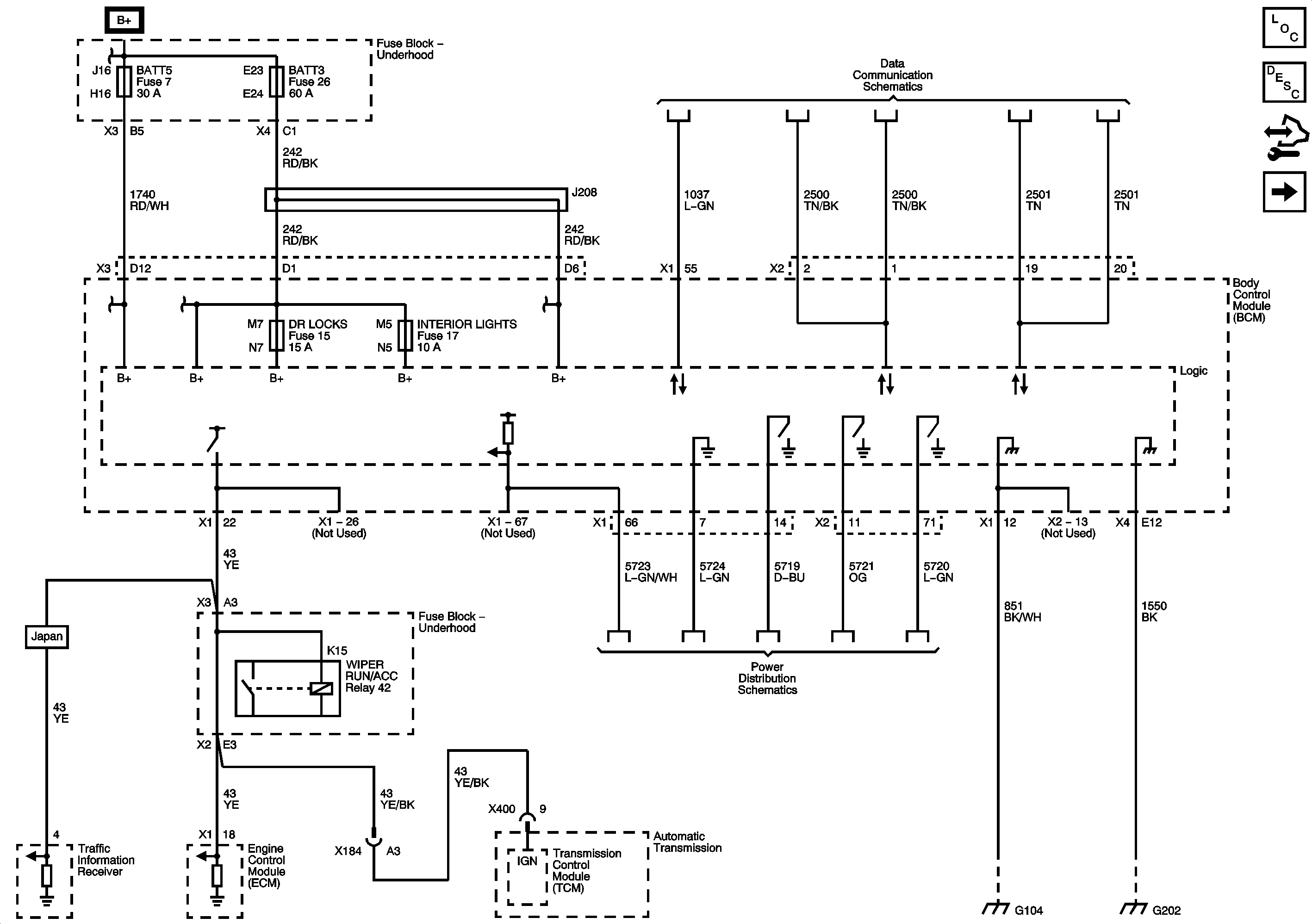
Master Electrical Component List
Body Control System Description and Operation
Control Module References
Headlights/DRL, and Exterior Lights References
Fuse Block - Underhood Bussing
BATT5, TILT/TELE SW/MEM SEAT MOD, ACCA/DRIV DR SW, IGN SW/INTR SENSR, ONSTAR, and PRK BRK SOLA Fuses
CLSTR/HUD, DECK LID CLOSE/PARK/BRK B, DR LOCKS, INTERIOR LIGHTS, HVAC/PWR SND, ISRVM/HVAC, TUTD SW STRG COL SW Fuses, and RUN/CRANK Relay
Power, Ground, and Class 2
Ignition Mode Switch
G104, and G106
G202