GM Service Manual Online
For 1990-2009 cars only
Figure 1:

Power, Ground, Messages, and Radio to Remote CD Changer Audio Signals


Object Number: 2075857  Size: FS
Master Electrical Component List
Radio/Audio System Description and Operation
Control Module References
Amplification
BATT3, STOP/B/U/LPS, BTSI SOL/COL LOCK, RADIO, S-BAND/VICS, PWR FLDG MIR-EXT RET, REAR FOG/ALDL, REVERSE LAMPS Fuses, and Reverse LAMP Relay
BATT3, STOP/B/U/LPS, BTSI SOL/COL LOCK, RADIO, S-BAND/VICS, PWR FLDG MIR-EXT RET, REAR FOG/ALDL, REVERSE LAMPS Fuses, and Reverse LAMP Relay
Power, Ground, and Class 2
Gages
G104, and G106
Figure 2:

Amplification


Object Number: 2075858  Size: FS
Master Electrical Component List
Radio/Audio System Description and Operation
Control Module References
AM and FM Antennas and OnStar References
Power, Ground, Messages, and Radio to Remote CD Changer Audio Signals
Fuse Block - Underhood Bussing
COOLFAN, AMP, HVAC, ABS, W/S WASH/INTERCOOL, MRRTD, ECM/TCM, HORN, and BATT2 Fuses
Power, Ground, and Class 2
G104, and G106
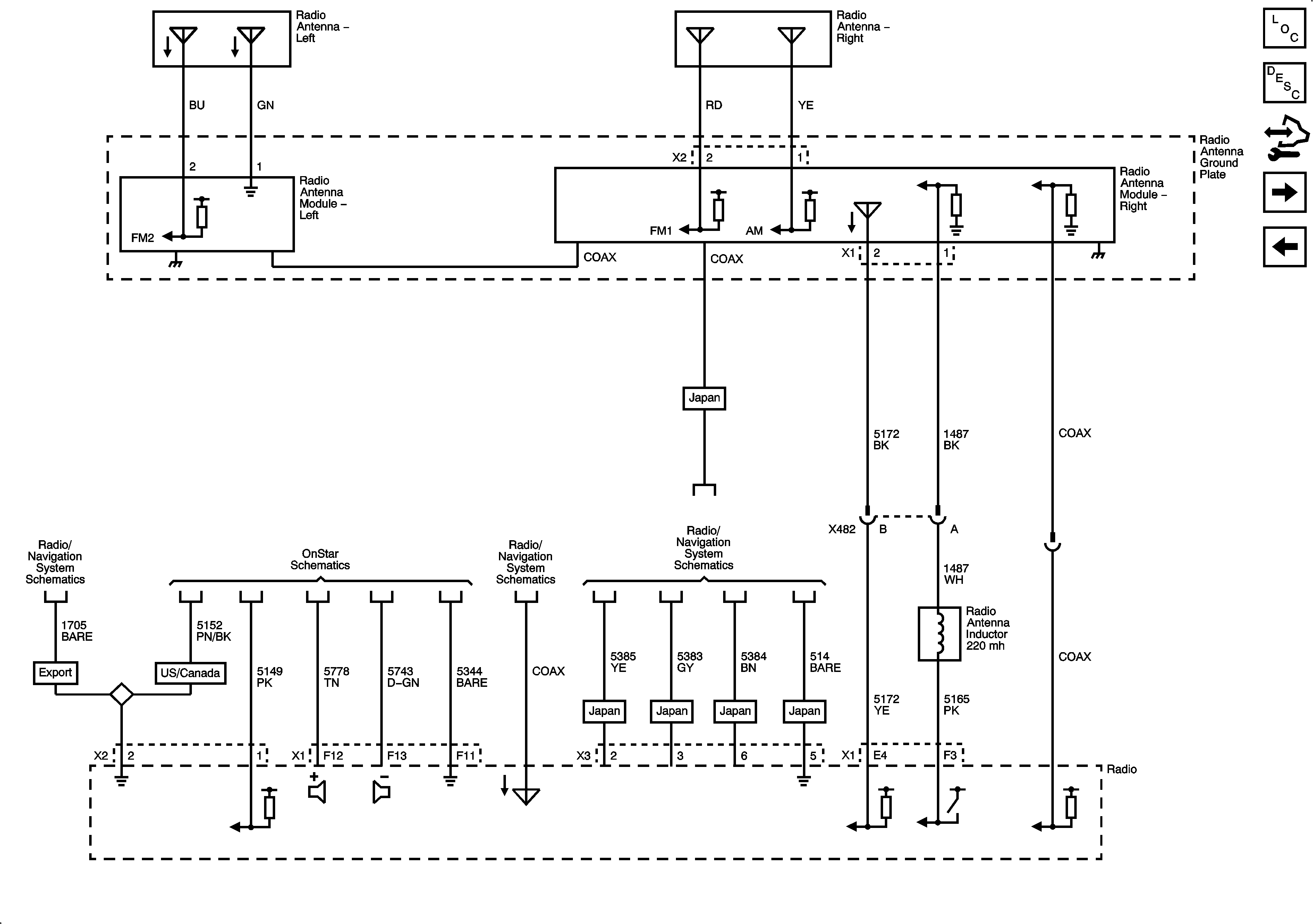
Figure 3:

AM and FM Antennas and OnStar References


Object Number: 2075859  Size: FS
Master Electrical Component List
Radio/Audio System Description and Operation
Control Module References
Digital Radio Receiver
Amplification
Navigation - Except Japan
Audio Output
Navigation - Except Japan
Navigation - Japan
Figure 4:

Digital Radio Receiver


Object Number: 2075860  Size: FS
Master Electrical Component List
Radio/Audio System Description and Operation
Control Module References
Navigation - Except Japan
AM and FM Antennas and OnStar References
BATT3, STOP/B/U/LPS, BTSI SOL/COL LOCK, RADIO, S-BAND/VICS, PWR FLDG MIR-EXT RET, REAR FOG/ALDL, REVERSE LAMPS Fuses, and Reverse LAMP Relay
Power, Ground, and Class 2
G104, and G106
Figure 5:

Navigation - Except Japan


Object Number: 2075861  Size: FS
Master Electrical Component List
Navigation System Description and Operation
Control Module References
Navigation - Japan
Digital Radio Receiver
Figure 6:

Navigation - Japan


Object Number: 2075863  Size: FS
Master Electrical Component List
Navigation System Description and Operation
Control Module References
Navigation - Except Japan
BATT3, STOP/B/U/LPS, BTSI SOL/COL LOCK, RADIO, S-BAND/VICS, PWR FLDG MIR-EXT RET, REAR FOG/ALDL, REVERSE LAMPS Fuses, and Reverse LAMP Relay
BATT3, STOP/B/U/LPS, BTSI SOL/COL LOCK, RADIO, S-BAND/VICS, PWR FLDG MIR-EXT RET, REAR FOG/ALDL, REVERSE LAMPS Fuses, and Reverse LAMP Relay
Power, Ground, and DLC
G104, and G106