GM Service Manual Online
For 1990-2009 cars only
Makes
🢒
Cadillac
🢒
2009
🢒
XLR
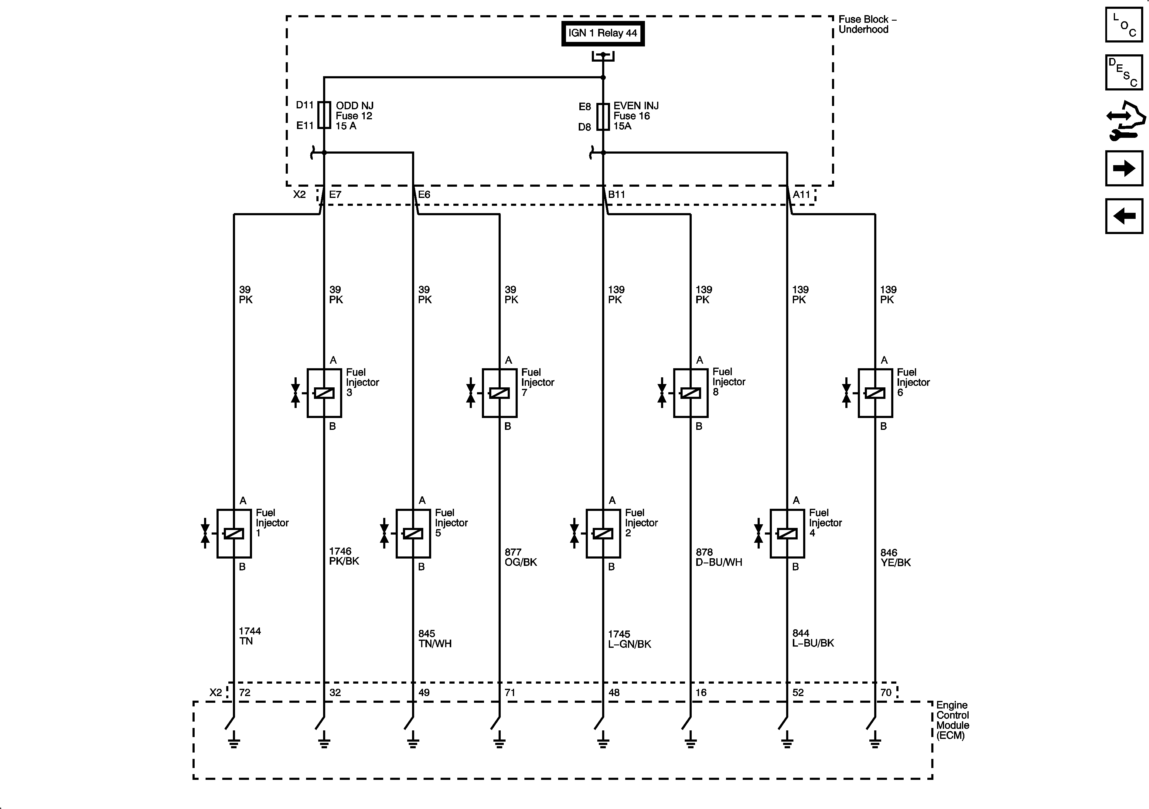
🢒 Fuel Injectors
Fuel Injectors
Fuel Injectors
Master Electrical Component List
Fuel System Description
Control Module References
EVAP Controls and Manifold Tuning
Ignition Controls - Crankshaft/Knock Sensors