GM Service Manual Online
For 1990-2009 cars only
Makes
🢒
Cadillac
🢒
2009
🢒
XLR
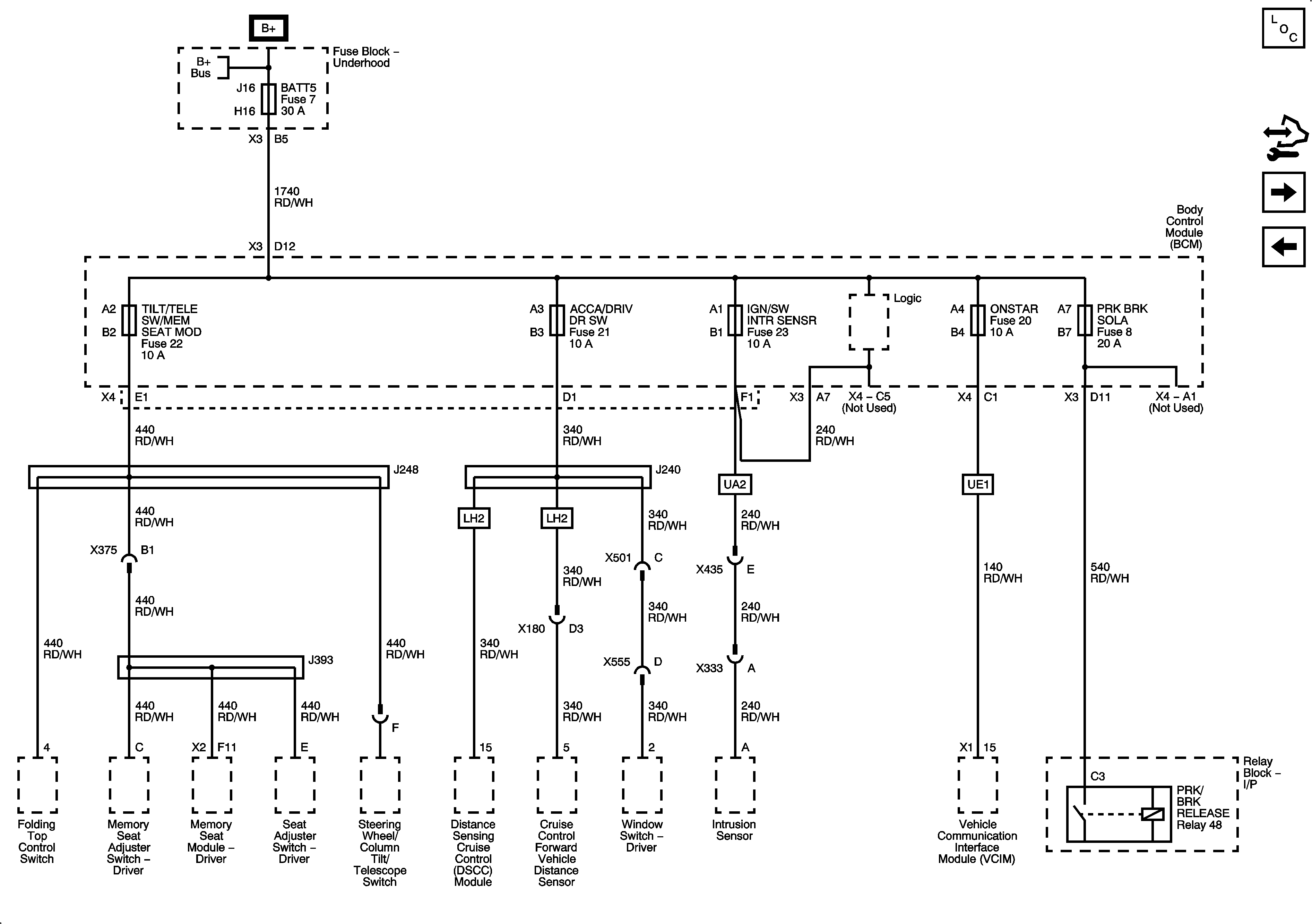
🢒 BATT5, TILT/TELE SW/MEM SEAT MOD, ACCA/DRIV DR SW, IGN SW/INTR SENSR, ONSTAR, and PRK BRK SOLA Fuses
BATT5, TILT/TELE SW/MEM SEAT MOD, ACCA/DRIV DR SW, IGN SW/INTR SENSR, ONSTAR, and PRK BRK SOLA Fuses
BATT5, TILT/TELE SW/MEM SEAT MOD, ACCA/DRIV DR SW, IGN SW/INTR SENSR, ONSTAR, and PRK BRK SOLA Fuses
Master Electrical Component List
Control Module References
BATT3, STOP/B/U/LPS, BTSI SOL/COL LOCK, RADIO, S-BAND/VICS, PWR FLDG MIR-EXT RET, REAR FOG/ALDL, REVERSE LAMPS Fuses, and Reverse LAMP Relay
AUXILIARY POWER Relay, and CIGAR LTR, AUX PWR, FOLDING TOP/TRUNK LATCH, COLUMN LK MDL (EUROPE) Fuses
Fuse Block - Underhood Bussing
Fuse Block - Underhood Bussing