GM Service Manual Online
For 1990-2009 cars only
Makes
🢒
Cadillac
🢒
2009
🢒
XLR
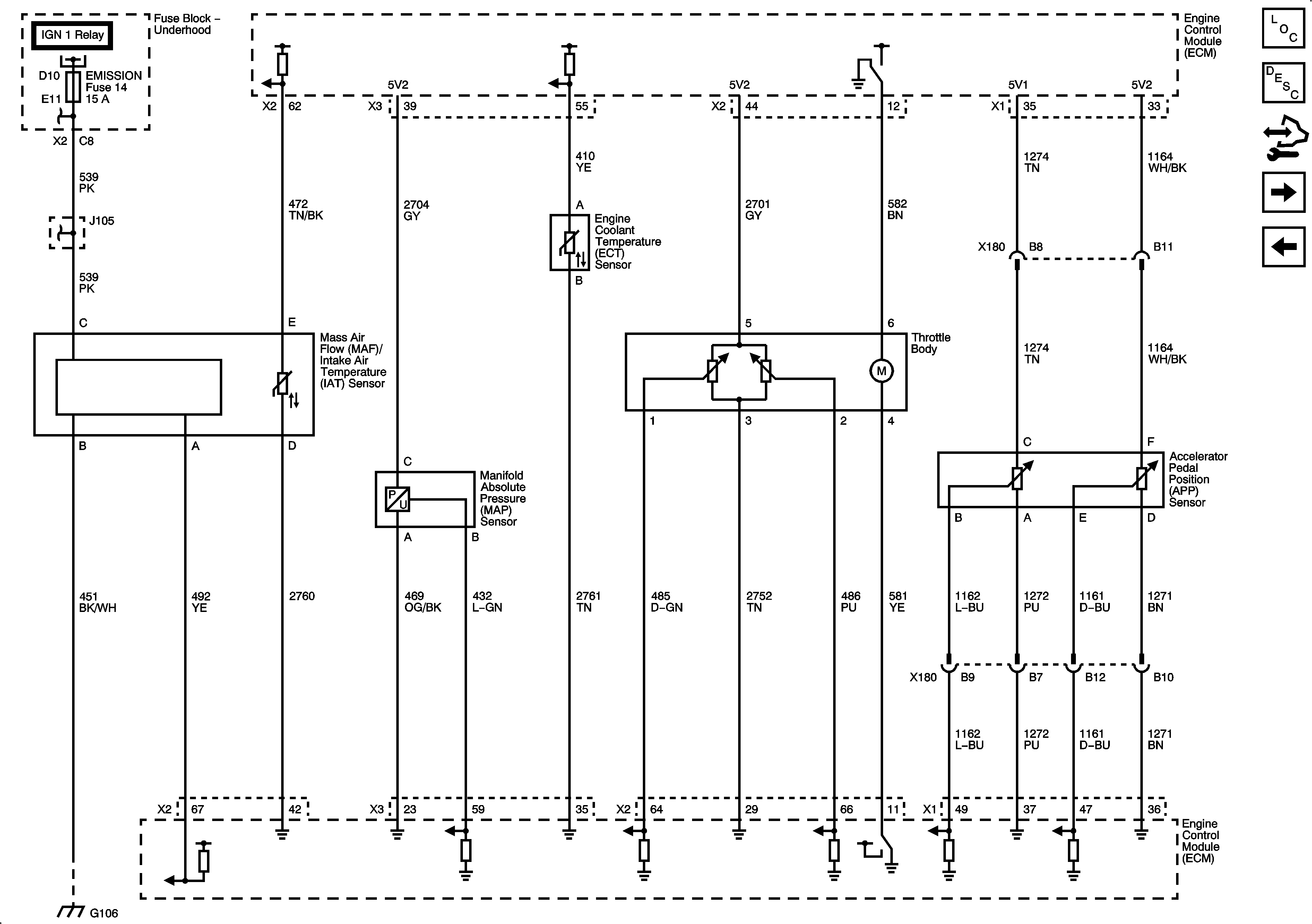
🢒 Engine Data Sensors - Pressure, Temperature, and Throttle Controls
Engine Data Sensors - Pressure, Temperature, and Throttle Controls
Engine Data Sensors - Pressure, Temperature, and Throttle Controls
Master Electrical Component List
Throttle Actuator Control (TAC) System Description
Control Module References
Engine Data Sensors - HO2S
5-Volt 2 and Low References
Module Power, Ground, Serial Data, and MIL
ETC, O2 SEN, EMISSION, ODD INJ, EVEN INJ Fuses, and IGN 1 Relay
ETC, O2 SEN, EMISSION, ODD INJ, EVEN INJ Fuses, and IGN 1 Relay
G104, and G106