GM Service Manual Online
For 1990-2009 cars only
Makes
🢒
Cadillac
🢒
2009
🢒
XLR
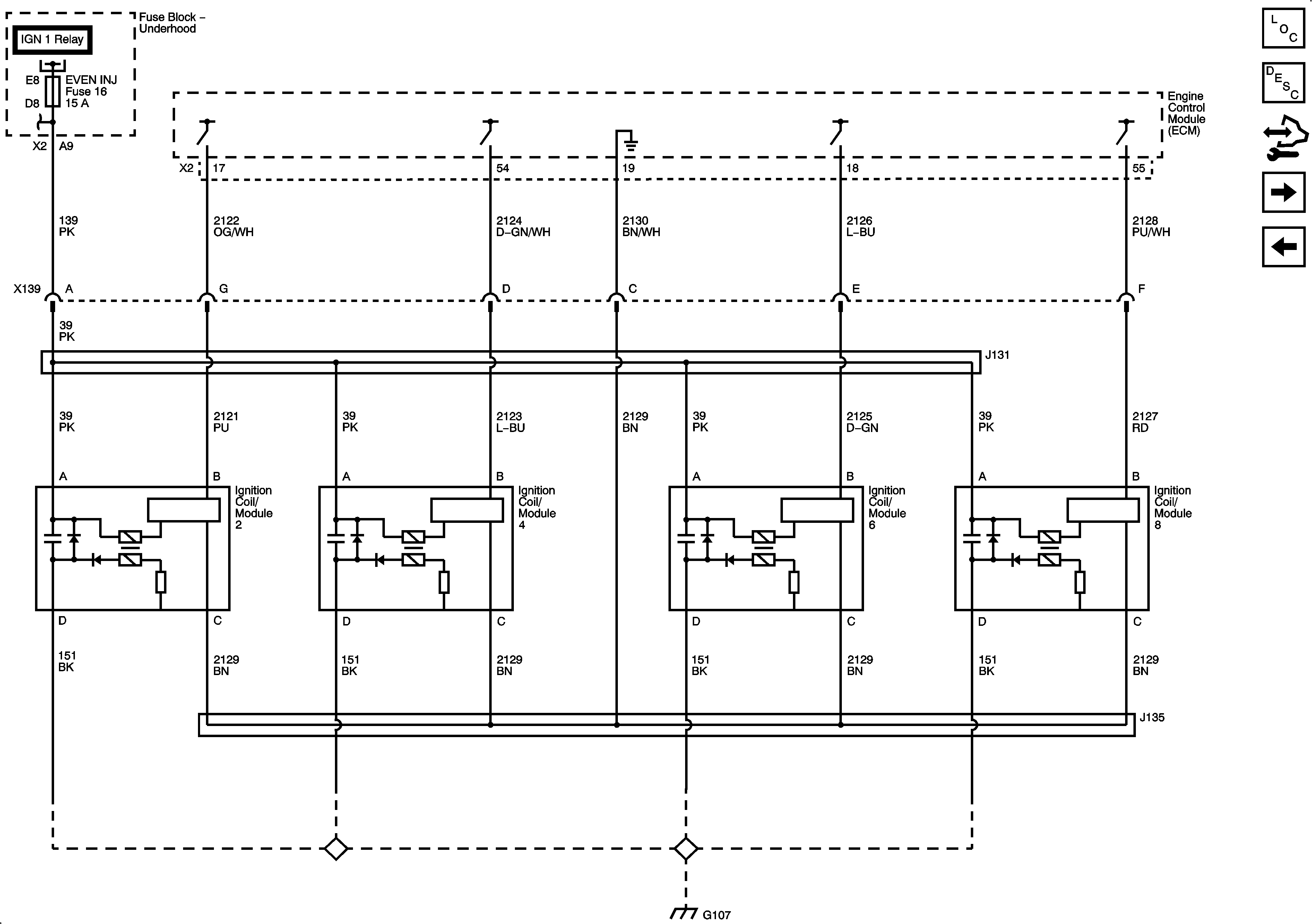
🢒 Ignition Controls - Ignition System Even
Ignition Controls - Ignition System Even
Ignition Controls - Ignition System Even
Master Electrical Component List
Electronic Ignition (EI) System Description
Control Module References
Ignition Controls - Camshaft Sensors/Actuators
Ignition Controls - Ignition System Odd
Module Power, Ground, Serial Data, and MIL
ETC, O2 SEN, EMISSION, ODD INJ, EVEN INJ Fuses, and IGN 1 Relay
G105, G107, G109, G110, G111, and G112