GM Service Manual Online
For 1990-2009 cars only
Makes
🢒
Cadillac
🢒
2009
🢒
XLR
🢒 Fuel Controls - Fuel Injectors and Fuel Pump Controls
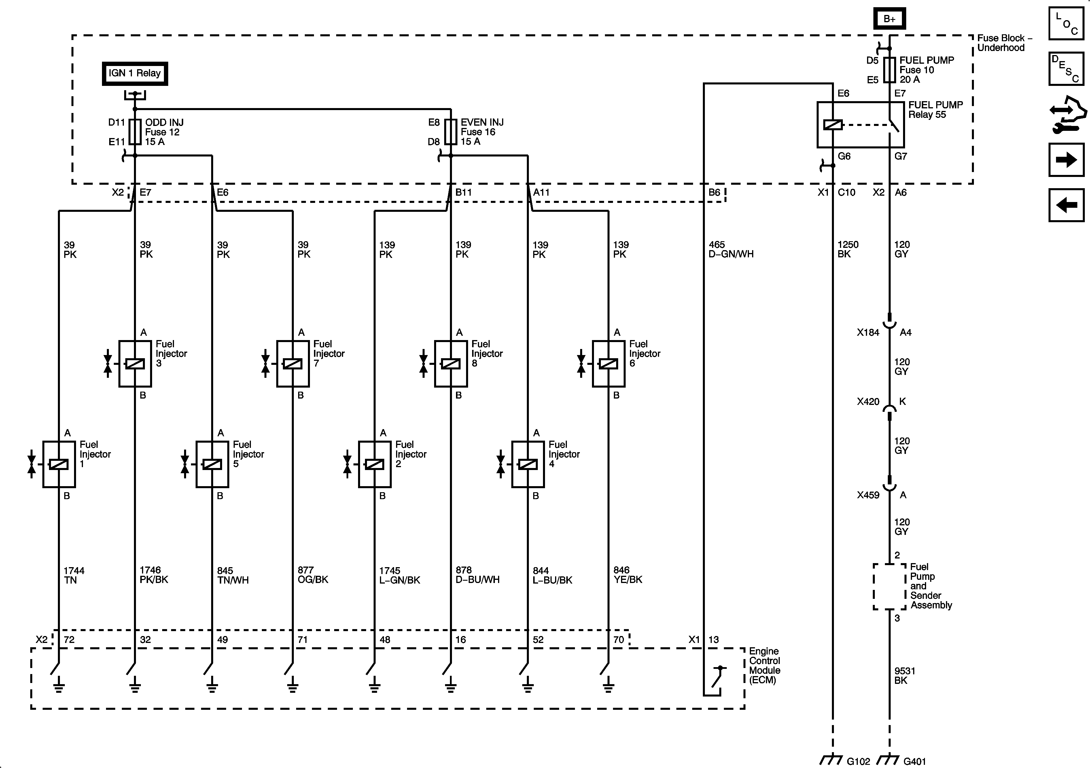
Fuel Controls - Fuel Injectors and Fuel Pump Controls
Fuel Controls - Fuel Injectors and Fuel Pump Controls
Master Electrical Component List
Fuel System Description
Control Module References
CMP Sensors, and Actuators
Ignition Controls - Crankshaft/Knock Sensors
Module Power, Ground, Serial Data, and MIL
ETC, O2 SEN, EMISSION, ODD INJ, EVEN INJ Fuses, and IGN 1 Relay
ETC, O2 SEN, EMISSION, ODD INJ, EVEN INJ Fuses, and IGN 1 Relay
Fuse Block - Underhood Bussing
G102
G302, G401, and G402