GM Service Manual Online
For 1990-2009 cars only
Makes
🢒
Cadillac
🢒
2009
🢒
XLR
🢒 Power, Ground, and Serial Data
Power, Ground, and Serial Data
Power, Ground, and Serial Data
Master Electrical Component List
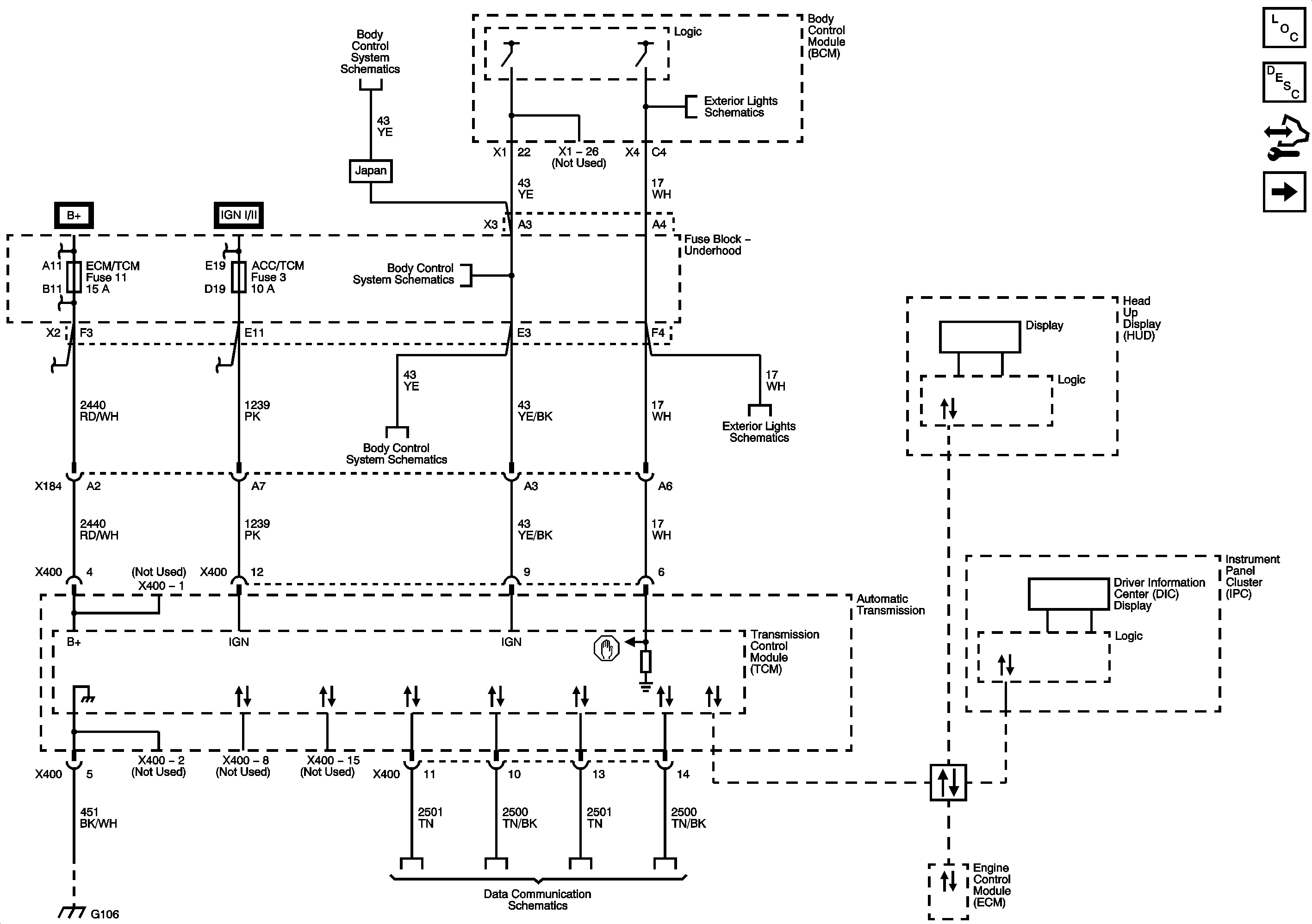
Transmission General Description
Control Module References
IMS Switch, and ISS, OSS Sensors
Fuse Block - Underhood Bussing
COOLFAN, AMP, HVAC, ABS, W/S WASH/INTERCOOL, MRRTD, ECM/TCM, HORN, and BATT2 Fuses
RPA/H/C SEAT/WIPR RELAYS, GMLAN DEVICES, ECM, SCMPSIR SW, ACC/TCM, and ABS/MRRTD/AFS Fuses
RPA/H/C SEAT/WIPR RELAYS, GMLAN DEVICES, ECM, SCMPSIR SW, ACC/TCM, and ABS/MRRTD/AFS Fuses
Power, Ground, and DLC
Power, Ground, and DLC
Power, Ground, and DLC
Stop and License Lamps
Stop and License Lamps
GMLAN
Power, Ground, and Class 2
G104, and G106