GM Service Manual Online
For 1990-2009 cars only
Makes
🢒
Cadillac
🢒
2009
🢒
XLR
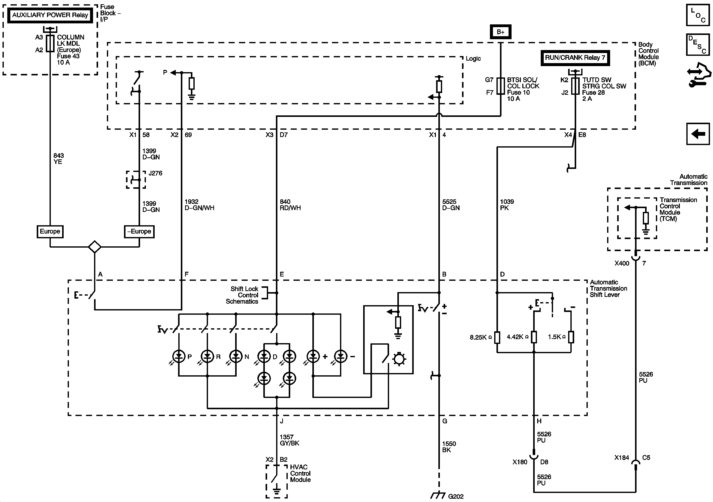
🢒 Shift Lever
Shift Lever
Shift Lever
Master Electrical Component List
Transmission General Description
Control Module References
IMS Switch, and ISS, OSS Sensors
AUXILIARY POWER Relay, and CIGAR LTR, AUX PWR, FOLDING TOP/TRUNK LATCH, COLUMN LK MDL (EUROPE) Fuses
Power Moding Schematics
BATT3, STOP/B/U/LPS, BTSI SOL/COL LOCK, RADIO, S-BAND/VICS, PWR FLDG MIR-EXT RET, REAR FOG/ALDL, REVERSE LAMPS Fuses, and Reverse LAMP Relay
CLSTR/HUD, DECK LID CLOSE/PARK/BRK B, DR LOCKS, INTERIOR LIGHTS, HVAC/PWR SND, ISRVM/HVAC, TUTD SW STRG COL SW Fuses, and RUN/CRANK Relay
CLSTR/HUD, DECK LID CLOSE/PARK/BRK B, DR LOCKS, INTERIOR LIGHTS, HVAC/PWR SND, ISRVM/HVAC, TUTD SW STRG COL SW Fuses, and RUN/CRANK Relay
Shift Lock Control Schematics
G202 1 of 2
G202 1 of 2