GM Service Manual Online
For 1990-2009 cars only
Makes
🢒
Cadillac
🢒
2009
🢒
XLR
🢒 Indicators, Messages, and Ajar/Open/Lock Switches
Indicators, Messages, and Ajar/Open/Lock Switches
Indicators, Messages, and Ajar/Open/Lock Switches
Master Electrical Component List
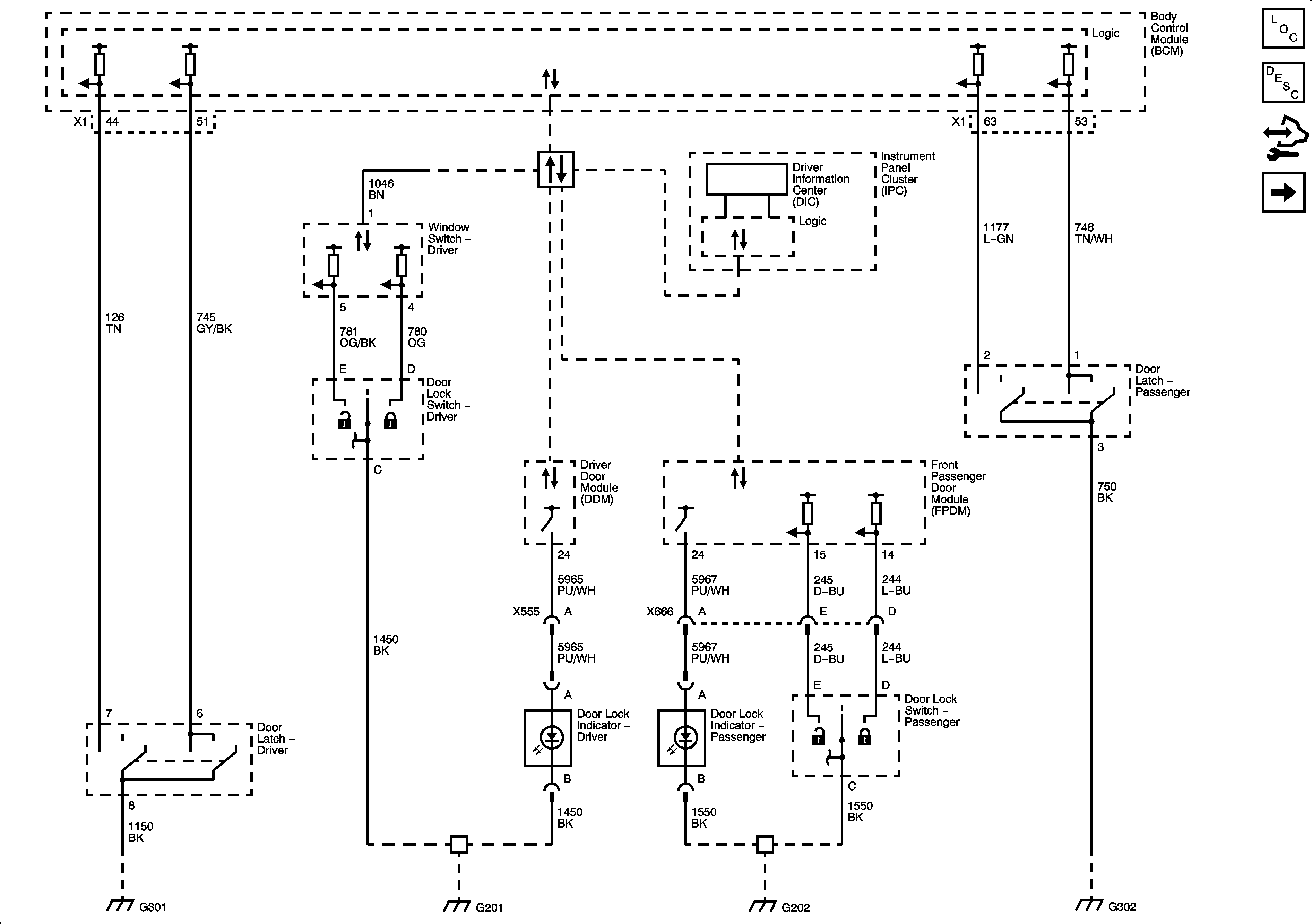
Power Door Locks Description and Operation
Control Module References
Actuators and Handle Switches
Power, Ground, and Class 2
G301
G201
G202 2 of 2
G302, G401, and G402