GM Service Manual Online
For 1990-2009 cars only
Makes
🢒
Cadillac
🢒
2009
🢒
XLR
🢒 Passenger
Passenger
Passenger
Master Electrical Component List
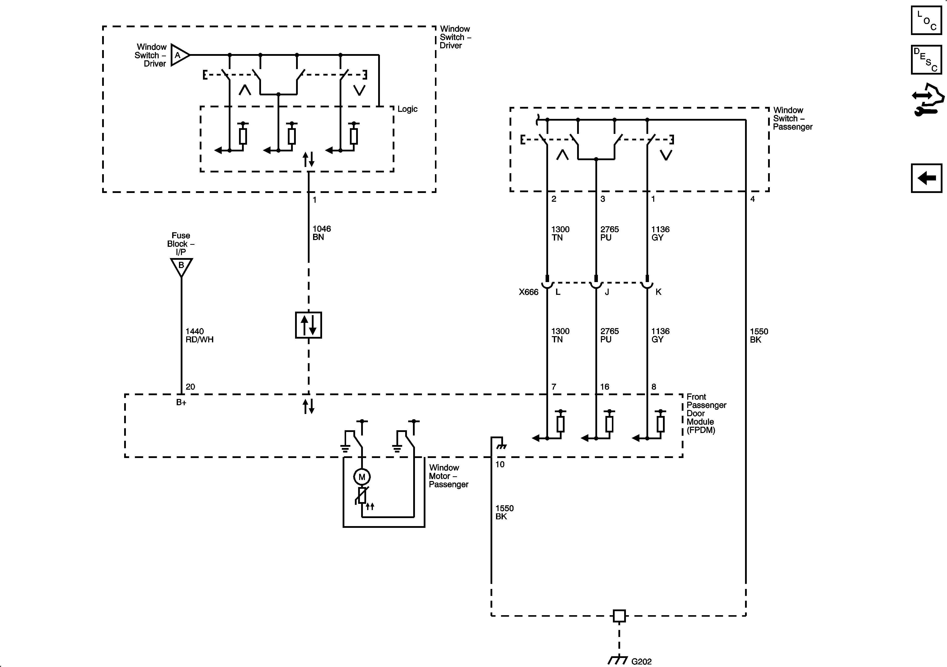
Power Windows Description and Operation
Control Module References
Driver
Driver
Driver
Power, Ground, and Class 2
G202 1 of 2