GM Service Manual Online
For 1990-2009 cars only
Makes
🢒
Cadillac
🢒
2009
🢒
XLR
🢒 Dimming Mirror and Heated Mirror
Dimming Mirror and Heated Mirror
Dimming Mirror and Heated Mirror
Master Electrical Component List
Outside Mirror Description and Operation
Control Module References
Power Folding Mirror - Export
Memory Power Mirrors
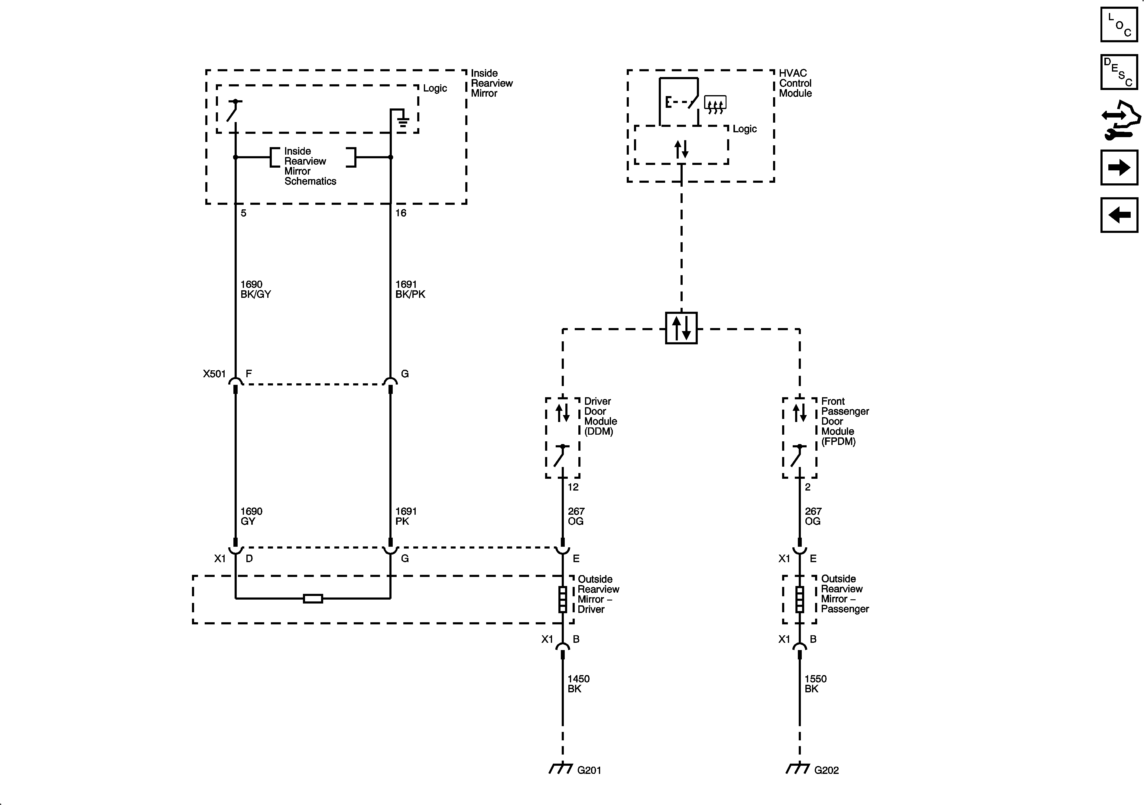
Inside Rearvier Mirror Schematics
Power, Ground, and Class 2
G201
G202 2 of 2