GM Service Manual Online
For 1990-2009 cars only
Makes
🢒
Cadillac
🢒
2009
🢒
XLR
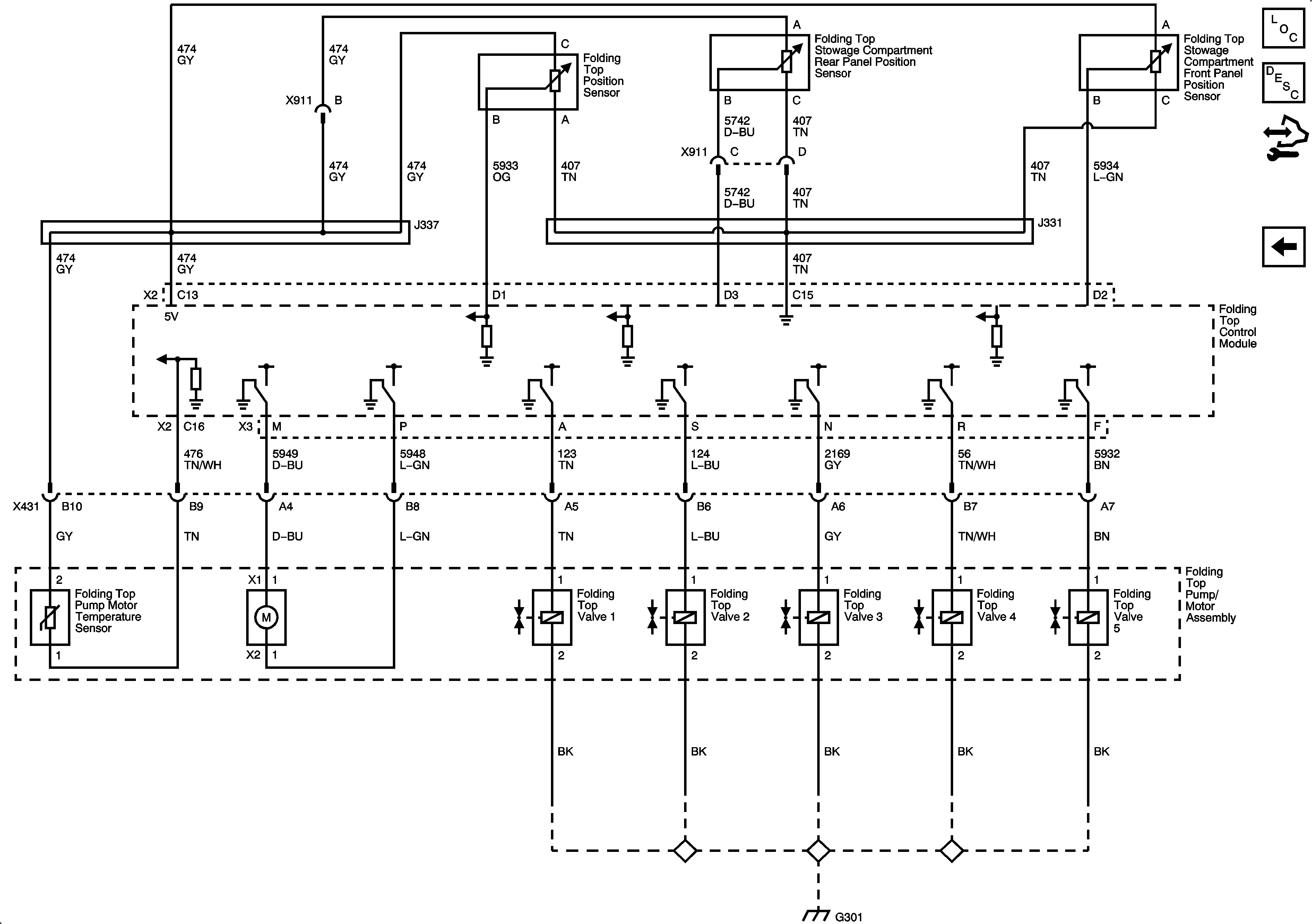
🢒 Sensors, Valves, and Pump
Sensors, Valves, and Pump
Sensors, Valves, and Pump
Master Electrical Component List
Power Folding Top Description and Operation
Control Module References
Switches
G301