GM Service Manual Online
For 1990-2009 cars only

Refer to

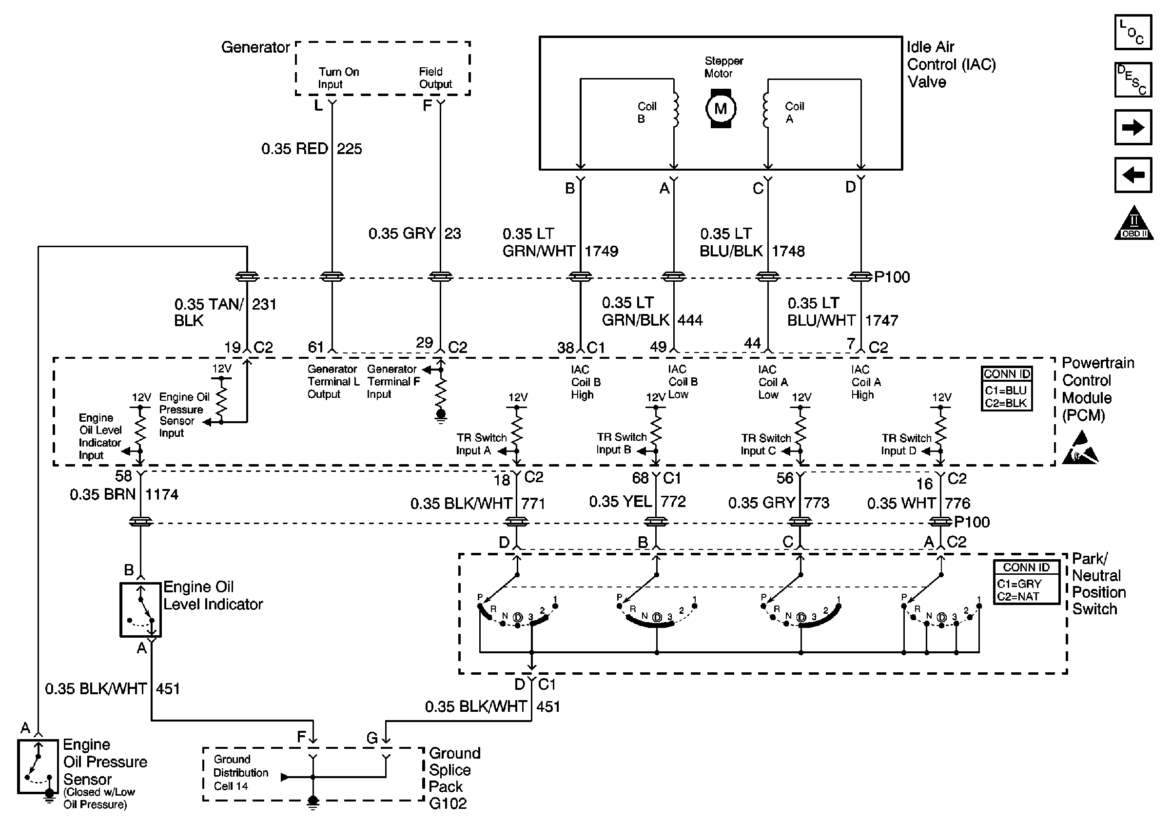
Cell 21: IAC Valve, Generator, TR, and Oil Switches


Object Number: 229890  Size: FS
Engine Controls Components
Information Sensors/Switches Description
Cell 21: VSS and Cruise Control
Cell 21: Oxygen Sensors
OBDII Symbol Description Notice
Handling Electrostatic Discharge Sensitive Parts Notice
Powertrain Control Module Connector End Views
Ground Distribution Schematics
schematic at the beginning of this section.

Circuit Description

The PCM controls engine idle speed by adjusting the position of the Idle Air Control (IAC) motor pintle. The IAC is a bi-directional motor driven by two coils. The PCM pulses current to the IAC coils in steps (counts) to extend the IAC pintle into a passage in the throttle body to decrease air flow. The PCM reverses the current pulses to retract the pintle, increasing air flow. This method allows highly accurate control of idle speed and quick response to changes in engine load.

Diagnostic Aids

Check for the following conditions:

    •  Poor connection at PCM or IAC motor. Inspect harness connectors for backed out terminals, improper mating, broken locks, improperly formed or damaged terminals, and poor terminal to wire connection.
    •  Damaged harness. Inspect the wiring harness for damage.
    •  Restricted air intake system. Check for a possible collapsed air intake duct, restricted air filter element, or foreign objects blocking the air intake system.
    •  Throttle body. Check for objects blocking the IAC passage or throttle bore, excessive deposits in the IAC passage and on the IAC pintle, and excessive deposits in the throttle bore and on the throttle plate.
         Check for a sticking throttle plate. Also inspect the IAC passage for deposits or objects which will not allow the IAC pintle to fully extend.
    •  Vacuum leak. Check for a condition that causes a vacuum leak, such as disconnected or damaged hoses, leaks at EGR valve and EGR pipe to intake manifold, leaks at throttle body, faulty or incorrectly installed PCV valve, leaks at intake manifold brake booster hose disconnected, etc.

Reviewing the Fail Records vehicle mileage since the diagnostic test last failed may help determine how often the condition that caused the DTC to be set occurs. This may assist in diagnosing the condition.

Test Description

The number below refers to the step number on the Diagnostic Table:

  1. This vehicle is equipped with a PCM which utilizes an Electrically Erasable Programmable Read Only Memory (EEPROM). When the PCM is being replaced, the new PCM must be programmed. Refer to Powertrain Control Module Replacement/Programming .

Step

Action

Value(s)

Yes

No

1

Was the Powertrain OBD System Check performed?

--

Go to Step 2

Go to Powertrain On Board Diagnostic (OBD) System Check

2

  1. Start the engine.
  2. All accessories off (A/C, Rear defroster etc.)
  3. Using a scan tool, command RPM up to 1500, down to 650, and then up to 1500 while monitoring Engine Speed on the scan tool.

Does Engine Speed remain within the specified value of Desired Idle for each RPM command?

+/-50 RPM

System OK

Go to Step 3

3

  1. Disconnect the IAC.
  2. Install a J 37027-A .
  3. With the engine running, command RPM up to 1500, down to 650, and then up to 1500 while observing the IAC System Monitor node lights.

Does each node light cycle red and green (never off)?

--

Go to Step 5

Go to Step 4

4

  1. Check the following circuits for an open, short to voltage, or short to ground:
  2. •  IAC A Low.
    •  IAC A High.
    •  IAC B Low.
    •  IAC B High.
  3. If a problem is found, repair as necessary. Refer to Wiring Repairs .

Was a problem found?

--

Go to Step 12

Go to Step 10

5

Was a low idle symptom or rich condition noticed?

--

Go to Step 6

Go to Step 7

6

  1. Visually/physically inspect for the following conditions:
  2. •  Throttle body tampering.
    •  Restricted air intake system.
    •  Collapsed air intake duct.
    •  Restricted air filter element.
    •  Foreign objects blocking the air intake system.
    •  Throttle body. Check for objects blocking the IAC passage or throttle bore, excessive deposits in the IAC passage and on the IAC pintle, and excessive deposits in the throttle bore and on the throttle plate.
  3. If a problem is found, repair as necessary.

Was a problem found?

--

Go to Step 11

Go to Step 8

7

  1. Visually/physically inspect for the following conditions:
  2. •  Vacuum leaks. Refer to Emission Hose Routing Diagram .
    •  Throttle body tampering.
    •  Throttle Plate or throttle shaft for binding.
    •  Accelerator and Cruise Control cables for being misadjusted or for binding. Refer to Accelerator Controls Cable Replacement.
    •  Faulty, missing, or incorrectly installed PCV valve. Refer to Crankcase Ventilation System Description .
  3. If a problem is found, repair as necessary.

Was a problem found?

--

Go to Step 11

Go to Step 8

8

  1. Check for a poor connection at the IAC harness connector.
  2. If a problem is found, replace faulty terminals as necessary. Refer to Wiring Repairs .

Was a problem found?

--

Go to Step 12

Go to Step 9

9

Replace the IAC valve. Refer to Idle Air Control Valve Replacement .

Is the action complete?

--

Go to Step 12

--

10

  1. Check for a poor connection at the PCM harness connector.
  2. If a problem is found, replace faulty terminals as necessary. Refer to Wiring Repairs .

Was a problem found?

--

Go to Step 12

Go to Step 11

11

Replace the PCM. Refer to Powertrain Control Module Replacement/Programming .

Is the action complete?

--

Go to Step 12

--

12

  1. Clear DTCs.
  2. Start the engine.
  3. All accessories off (A/C, Rear defroster etc.)
  4. Using a scan tool, command RPM up to 1500, down to 650, and then up to 1500 while monitoring Engine Speed on the scan tool.

Does Engine Speed remain within the specified value of Desired Idle for each RPM command?

+/-50 RPM

System OK

Go to Step 3