GM Service Manual Online
For 1990-2009 cars only
Makes
🢒
Chevrolet
🢒
1999
🢒
Alero Export
🢒
Brakes
🢒
Antilock Brake System
🢒 HVAC Component Views
Figure
1:
Top Right Side of IP
(1)
IP Compartment (Glove Box) Lamp
(2)
Air Temperature Actuator
(3)
Auxiliary Power Outlet
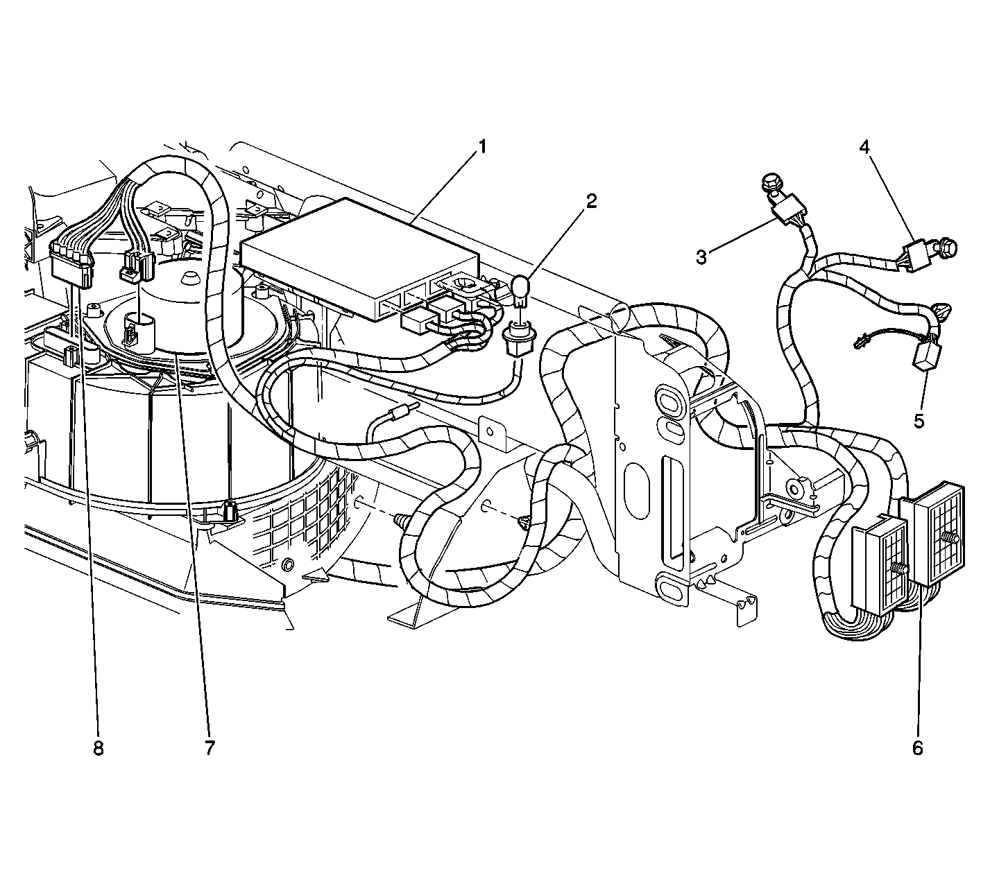
Figure
2:
IP Wiring Harness Installation (RH)
(1)
Body Control Module (BCM)
(2)
RH Courtesy Lamp
(3)
G203
(4)
G204
(5)
Passenger Safing Senser
(6)
Right IP Junction Block
(7)
Blower Motor
(8)
Blower Motor Resistor
Figure
3:
Center of IP
(1)
Radio
(2)
Heater A/C Control Assembly
(3)
Cassette PLayer