GM Service Manual Online
For 1990-2009 cars only
Makes
🢒
Chevrolet
🢒
1999
🢒
Alero Export
🢒
Steering
🢒
Variable Effort Steering
🢒 Steering Assist Schematics
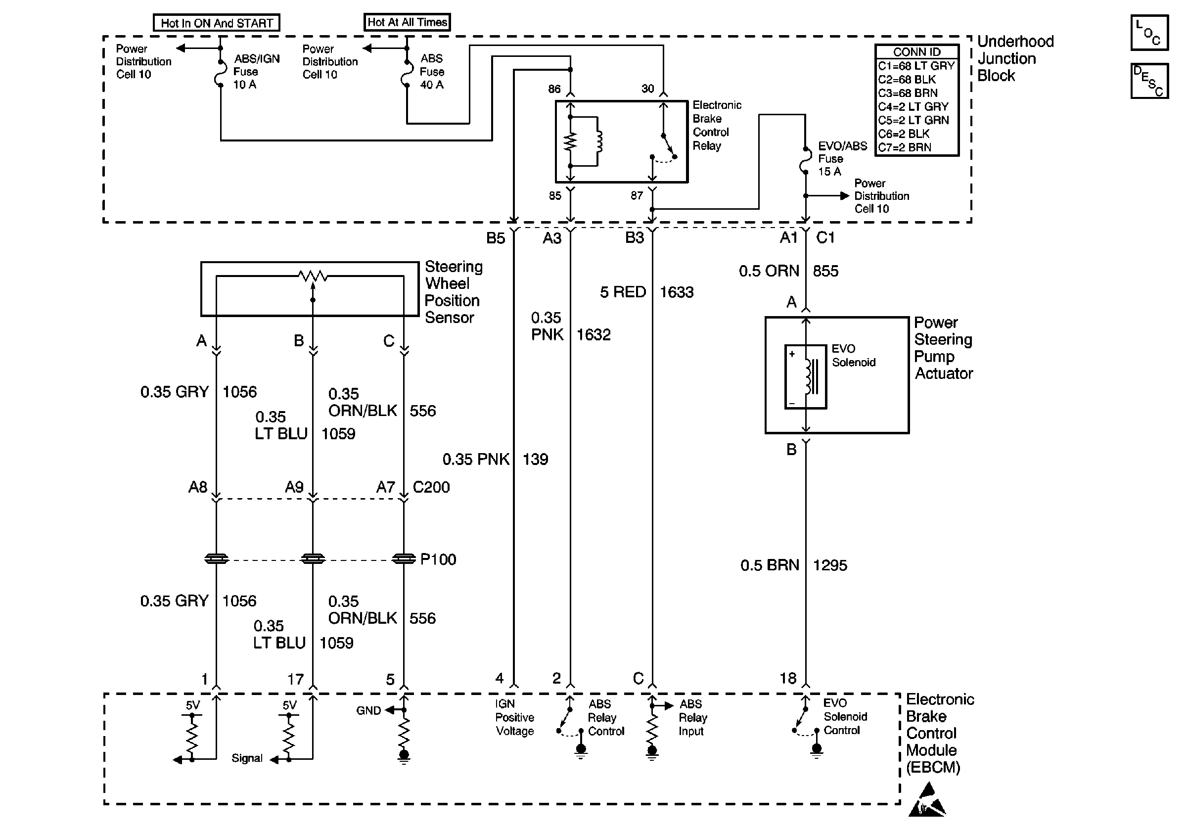
Variable Effort Steering System Cell 45: Steering Sensor and EVO Solenoid
ABS Components
ABS Operation
Power and Grounding Schematic Icons
Power and Grounding Schematic Icons
Power and Grounding Schematic Icons