GM Service Manual Online
For 1990-2009 cars only

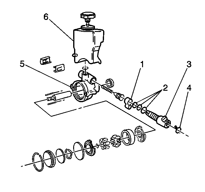
Removal Procedure


    Object Number: 304619  Size: SH
  1. Remove the power steering pump (5) from the engine. To remove the actuator, it is necessary that the power steering pump be removed from the engine. Refer to Power Steering Pump Replacement for removal of the power steering pump from the engine.
  2. Important: Note the positioning of the electrical connector and discharge fitting before removal. Noted positions will be used during installation.

  3. Remove the position retaining clip (4) from the power steering pump actuator.
  4. Remove the actuator (3) and discharge fitting (1) from the power steering pump (5).
  5. Remove and discard the actuator O-rings (2).

Installation Procedure


    Object Number: 304619  Size: SH
  1. Install the discharge fitting (1) and power steering pump actuator (3) with new O-rings to the power steering pump (5).
  2. Position the discharge fitting (1) to noted location during disassembly.
  3. Tighten
    Tighten the actuator to 62 N·m (46 lb ft)

  4. Install the position retaining clip (4) to the actuator (3) using noted connector positioning during disassembly.
  5. Install the power steering pump (5) to the engine. Refer to Power Steering Pump Replacement .
  6. Connect the actuator (3) electrical connector.
  7. Perform the Diagnostic System Check - ABS