GM Service Manual Online
For 1990-2009 cars only
Makes
🢒
Chevrolet
🢒
1999
🢒
Alero Export
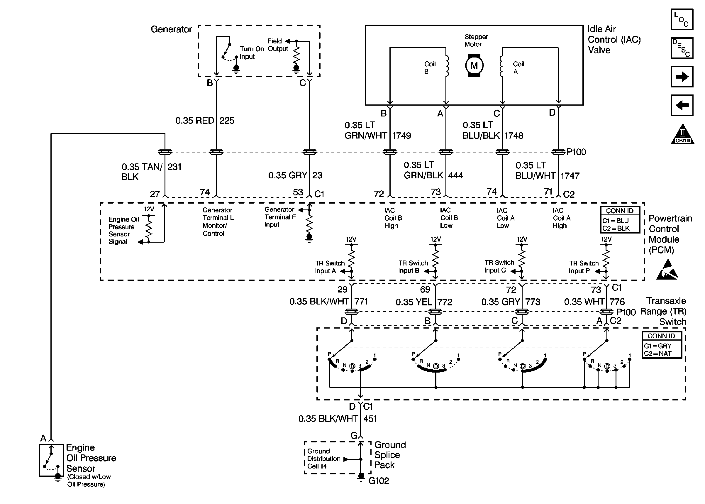
🢒 Cell 23: IAC Valve, Generator, TR and Oil Switches
Cell 23: IAC Valve, Generator, TR and Oil Switches
Cell 23: IAC Valve, Generator, TR and Oil Switches
Engine Controls Components
Information Sensors/Switches Description
Cell 23: VSS and Cruise Control
Cell 23: Oxygen Sensors
OBDII Symbol Description Notice
Handling Electrostatic Discharge Sensitive Parts Notice