GM Service Manual Online
For 1990-2009 cars only
Makes
🢒
Chevrolet
🢒
1999
🢒
Alero Export
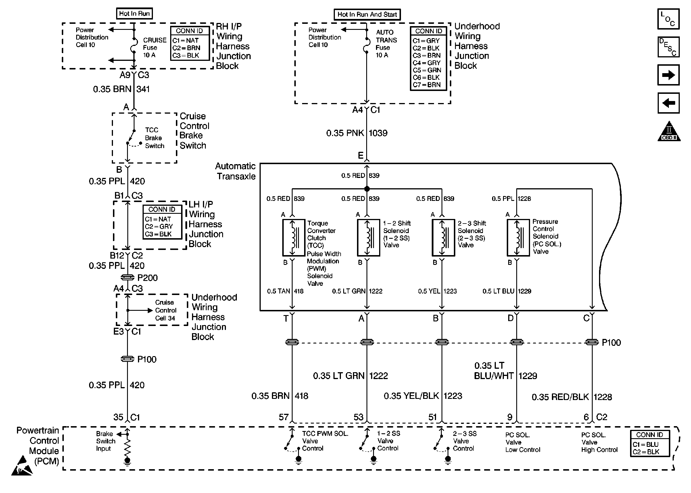
🢒 Cell 23: Transaxle Controls (Solenoids)
Cell 23: Transaxle Controls (Solenoids)
Cell 23: Transaxle Controls (Solenoids)
Engine Controls Components
Information Sensors/Switches Description
Cell 23: Transaxle Controls (Switches)
Cell 23: VSS and Cruise Control
OBDII Symbol Description Notice
Handling Electrostatic Discharge Sensitive Parts Notice