GM Service Manual Online
For 1990-2009 cars only
Makes
🢒
Chevrolet
🢒
1999
🢒
Alero Export
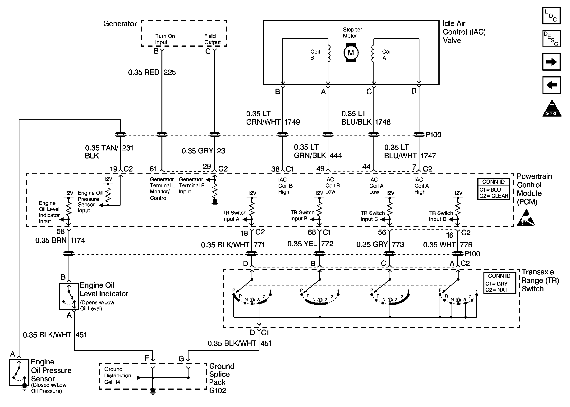
🢒 Cell 21: IAC Valve, Generator, TR, and Oil Switches
Cell 21: IAC Valve, Generator, TR, and Oil Switches
Cell 21: IAC Valve, Generator, TR, and Oil Switches
Engine Controls Components
Information Sensors/Switches Description
Cell 21: VSS and Cruise Control
Cell 21: Oxygen Sensors
OBDII Symbol Description Notice
Handling Electrostatic Discharge Sensitive Parts Notice