GM Service Manual Online
For 1990-2009 cars only
Makes
🢒
Chevrolet
🢒
1999
🢒
Alero Export
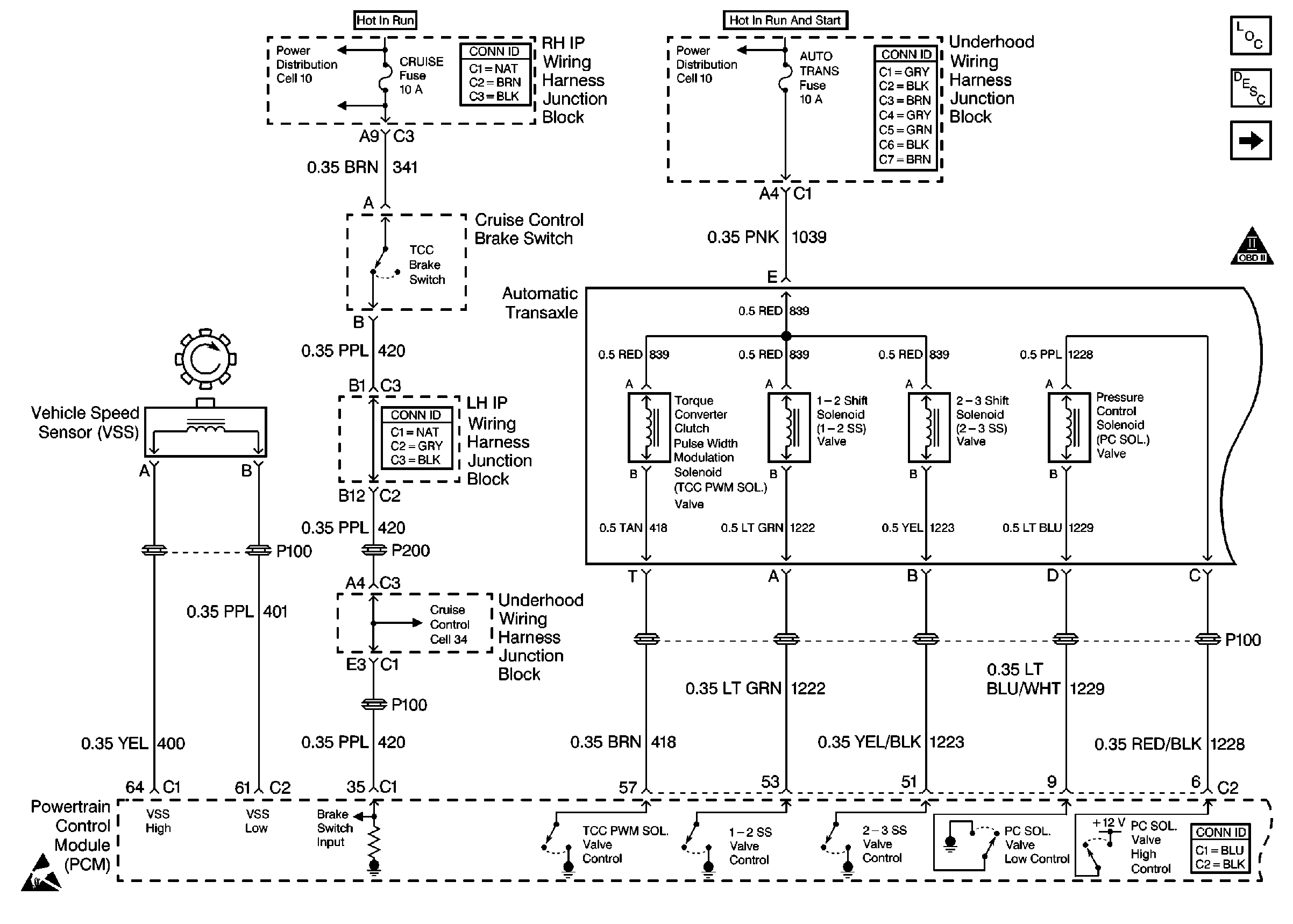
🢒 Brake Switch, Solenoids, and VSS: VIN T
Brake Switch, Solenoids, and VSS: VIN T
Brake Switch, Solenoids, and VSS: VIN T
Automatic Transmission Components VIN T
Electronic Component Description
TFP Valve Position Switch, TFT Sensor, and A/T ISS Sensor: VIN T
OBDII Symbol Description Notice
Handling Electrostatic Discharge Sensitive Parts Notice