GM Service Manual Online
For 1990-2009 cars only
Makes
🢒
Chevrolet
🢒
2000
🢒
Alero Export
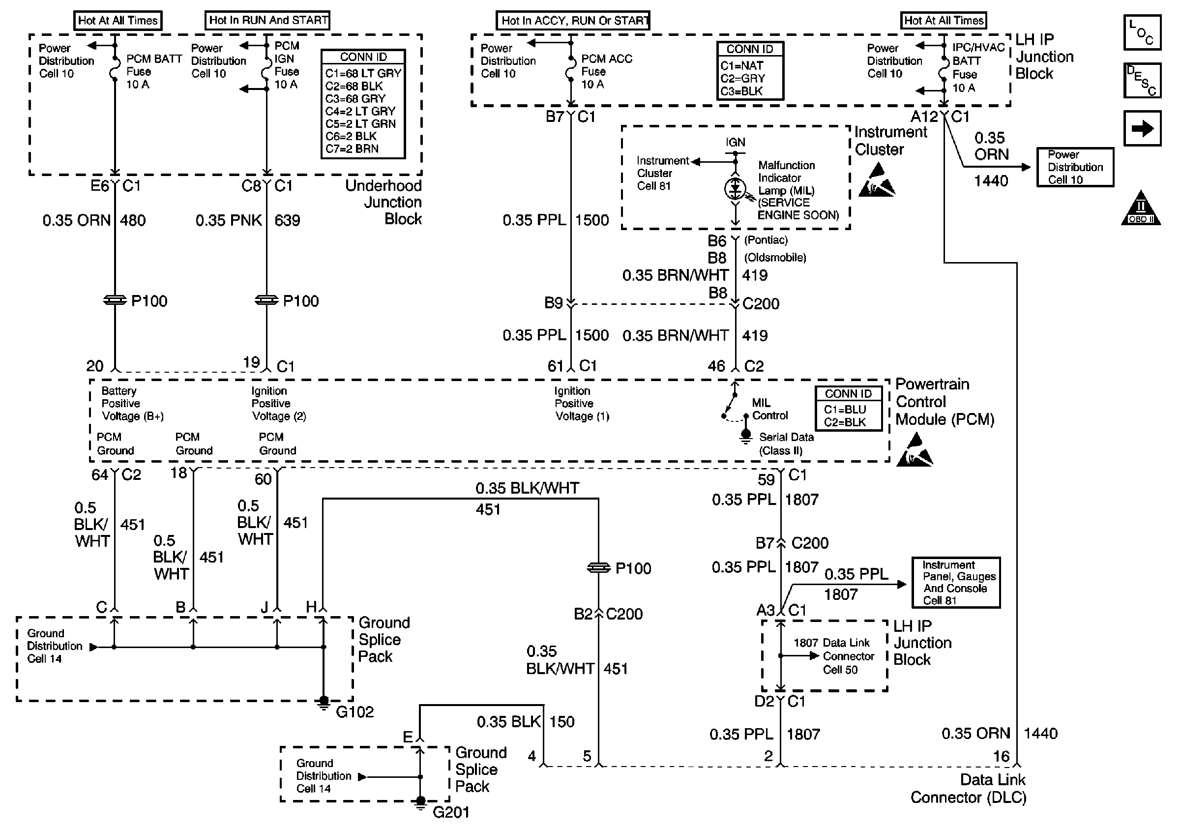
🢒 Power, Ground, MIL, and DLC
Power, Ground, MIL, and DLC
Power, Ground, MIL, and DLC
Engine Controls Components
Powertrain Control Module Description
Power, Ground, KS, CMP, CKP, Coils, and ICM
OBD II Symbol Description Notice
Handling ESD Sensitive Parts Notice
Handling ESD Sensitive Parts Notice
Power Distribution Schematics
Power Distribution Schematics
Power Distribution Schematics
Power Distribution Schematics
Instrument Cluster: Analog Schematics
Ground Distribution Schematics
Power Distribution Schematics
Instrument Cluster: Analog Schematics
Data Link Connector Schematics
Ground Distribution Schematics