GM Service Manual Online
For 1990-2009 cars only
Makes
🢒
Chevrolet
🢒
2000
🢒
Alero Export
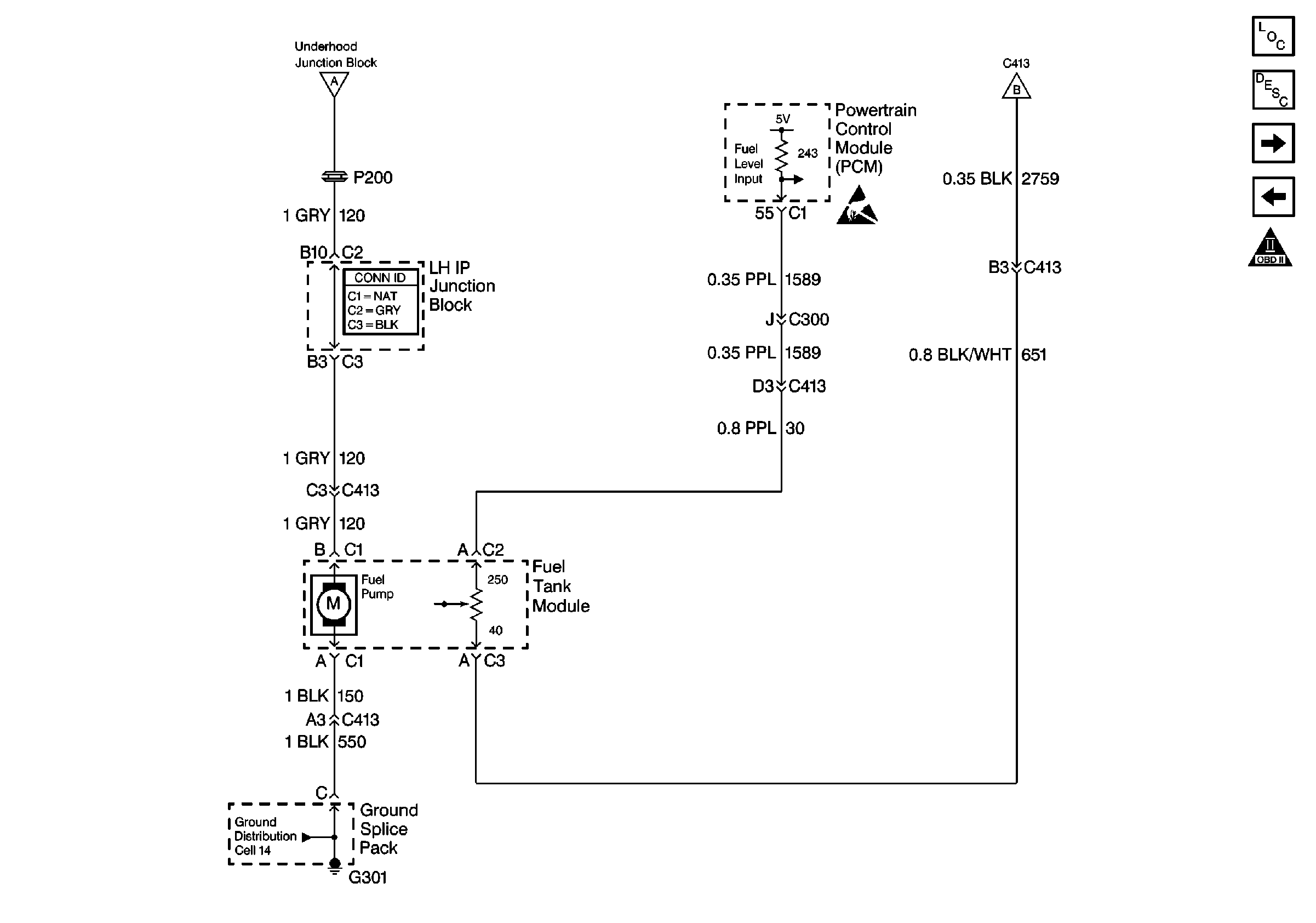
🢒 Fuel Tank Module
Fuel Tank Module
Fuel Tank Module
Engine Controls Components
Powertrain Control Module Description
Power, Ground, and Cooling Fans
A/C Compressor Clutch
OBD II Symbol Description Notice
Handling ESD Sensitive Parts Notice
Engine Data Sensors
Power, Ground, and Injectors
Ground Distribution Schematics