GM Service Manual Online
For 1990-2009 cars only
Makes
🢒
Chevrolet
🢒
2000
🢒
Alero Export
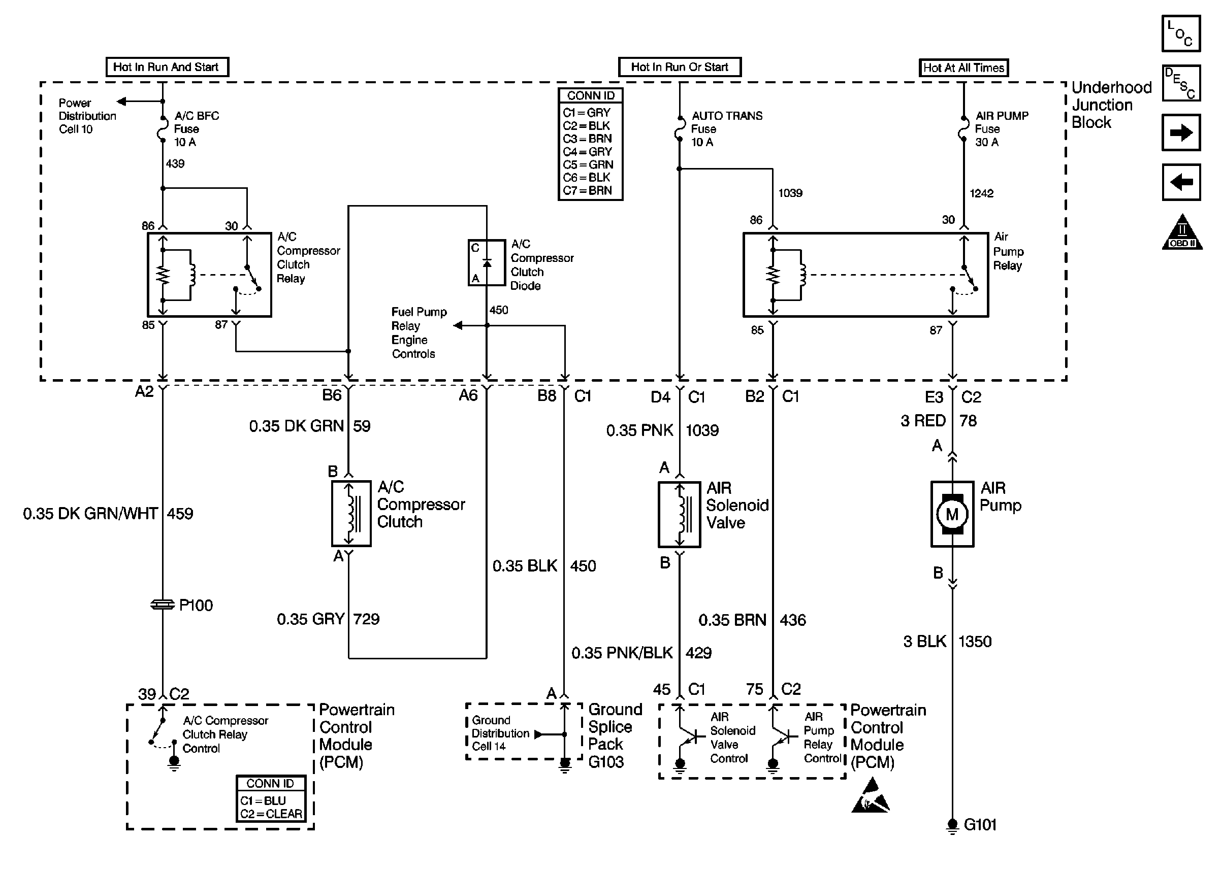
🢒 Power, Ground, A/C Compressor Clutch, and AIR
Power, Ground, A/C Compressor Clutch, and AIR
Power, Ground, A/C Compressor Clutch, and AIR
Engine Controls Components
Powertrain Control Module Description
Cruise Control Module, and VSS
Automatic Transaxle
OBD II Symbol Description Notice
Handling ESD Sensitive Parts Notice
Power Distribution Schematics
Ground Distribution Schematics