GM Service Manual Online
For 1990-2009 cars only

Refer to

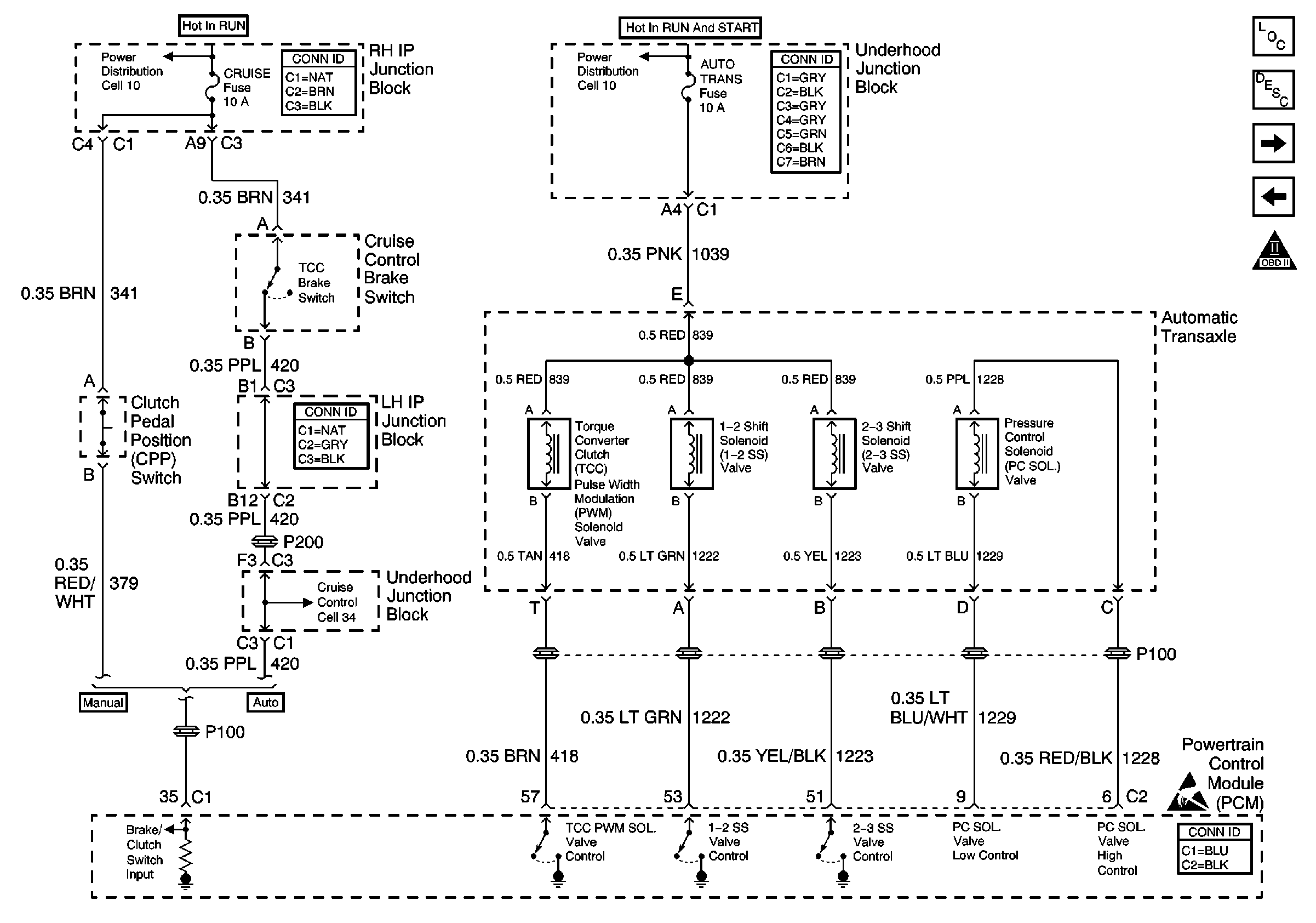
Power, Ground, CPP, AT, and Cruise Control Brake Switch


Object Number: 527284  Size: FS
Engine Controls Components
Powertrain Control Module Description
Automatic Transaxle
Cruise Control Module, and VSS
OBD II Symbol Description Notice
Handling ESD Sensitive Parts Notice
Power Distribution Schematics
Power Distribution Schematics
Cruise Control Schematics
in Engine Controls Schematics.

Circuit Description

The vehicle theft deterrent (VTD) system, called a Passlock II system, is designed to prevent vehicle theft by disabling the engine unless the Passlock lock cylinder is correctly engaged by a mechanical key. The Passlock II system utilizes the following 4 components for theft detection:

    • The lock cylinder
    • The ignition switch
    • The body control module (BCM)
    • The powertrain control module (PCM)

When the ignition switch is first turned on, the BCM will send a password to the PCM through the Class 2 serial data circuit. If the BCM password does not match the password that is stored in the PCM, the PCM will disable the engine. This will cause the engine to start and stall immediately, or to not start at all.

The SYSTEM telltale will flash on the instrument panel cluster (IPC) and the engine is disabled until a matching password is received. The password is tested every 4 seconds. The engine is disabled for at least 10 minutes and the SYSTEM telltale will flash for approximately 4 seconds then illuminate steady for 10 minutes if the following passwords are received:

    • Fuel disabled
    • Undecided
    • Mismatched

The following are situations in which the PCM and the BCM passwords would not match:

    • The PCM does not receive a password from the BCM.
    • The BCM sends a Fuel Disabled password, meaning a tamper has occurred.
    • The BCM sends a Undecided password.
    • The PCM receives a password from the BCM that does not match.

After the vehicle has passed theft detection, the PCM will continue a normal engine operation. If the PCM loses the BCM communication within the same ignition cycle, the vehicle will continue to run on the following ignition cycles. This mode is called the Fail Enable mode. Additional information can be found in Theft Deterrent.

Conditions for Setting the DTC

A password (other than the fuel disabled or undecided password) that does not match the PCM is sent from the BCM.

Action Taken When the DTC Sets

    • The PCM will record the operating conditions at the time the diagnostic fails. This information will store in the Freeze Frame and Failure Records buffers.
    • A history DTC stores.
    • The fuel system is disabled by the PCM.

Conditions for Clearing the MIL/DTC

    • As soon as one good, or matching, password is received at key-up this becomes a history code. A good password is anything but a Fuel Disabled or Undecided password.
    • A history DTC will clear after 40 consecutive warm up cycles without a fault.
    • Use a scan tool to clear the DTCs.

Diagnostic Aids

Attempting to start the vehicle by bypassing the Passlock ll system or by substituting parts without performing the password learn procedure may set a DTC P1631 and a DTC P1632.

If no password is received, a DTC U1064 and a DTC P1632 may set.

An intermittent may be caused by the following conditions:

    • A faulty connection
    • A broken wire inside the insulation

Inspect any suspected circuitry for the following concerns:

    • Backed-out terminals or improper mating
    • Improperly formed or damaged terminals
    • Faulty terminal-to-wire connections
    • Physical damage to the wiring harness
    • Corrosion

Test Description

The numbers below refer to the step numbers on the diagnostic table.

  1. A BCM Passlock theft deterrent DTC set indicates that a Passlock II component may be malfunctioning. Refer to the applicable BCM table for diagnosis.

  2. The theft deterrent password resides in the BCM. Anytime a VTD component is replaced, the PCM must relearn the new BCM password.

  3. The replacement PCM must be programmed and the Crankshaft Position System Variation Learn procedure must be performed.

DTC P1631 - Incorrect Security Password

Step

Action

Value(s)

Yes

No

1

Did you perform the Powertrain On Board Diagnostic (OBD) System Check?

--

Go to Step 2

Go to Powertrain On Board Diagnostic (OBD) System Check

2

Use a scan tool in order to determine if any BCM DTCs are set.

Are any BCM DTCs set?

--

Go to Diagnostic System Check - Body Control System in Body Control System

Go to Step 3

3

Use a scan tool in order to determine if any Passlock theft deterrent DTCs are set.

Are any Passlock theft deterrent DTCs set?

--

Go to Diagnostic System Check - Theft Deterrent in Theft Deterrent

Go to Step 4

4

  1. Perform the Password Learn Procedure. Refer to Password Learn .
  2. Attempt to restart the engine.

Does the engine start and continue to run?

--

Go to Step 6

Go to Step 5

5

Important:: The replacement PCM must be programmed. Refer to Powertrain Control Module Replacement/Programming .

Replace the PCM. Refer to Powertrain Control Module Replacement .

Did you complete the repair?

--

Go to Step 6

--

6

  1. Use a scan tool in order to clear DTCs.
  2. Operate vehicle within the Conditions for Running the DTC as specified in the supporting text.

Does the DTC reset?

--

Go to Step 2

System OK