GM Service Manual Online
For 1990-2009 cars only

Object Number: 621263  Size: MF
Engine Controls Components
Engine Data Sensors
OBD II Symbol Description Notice
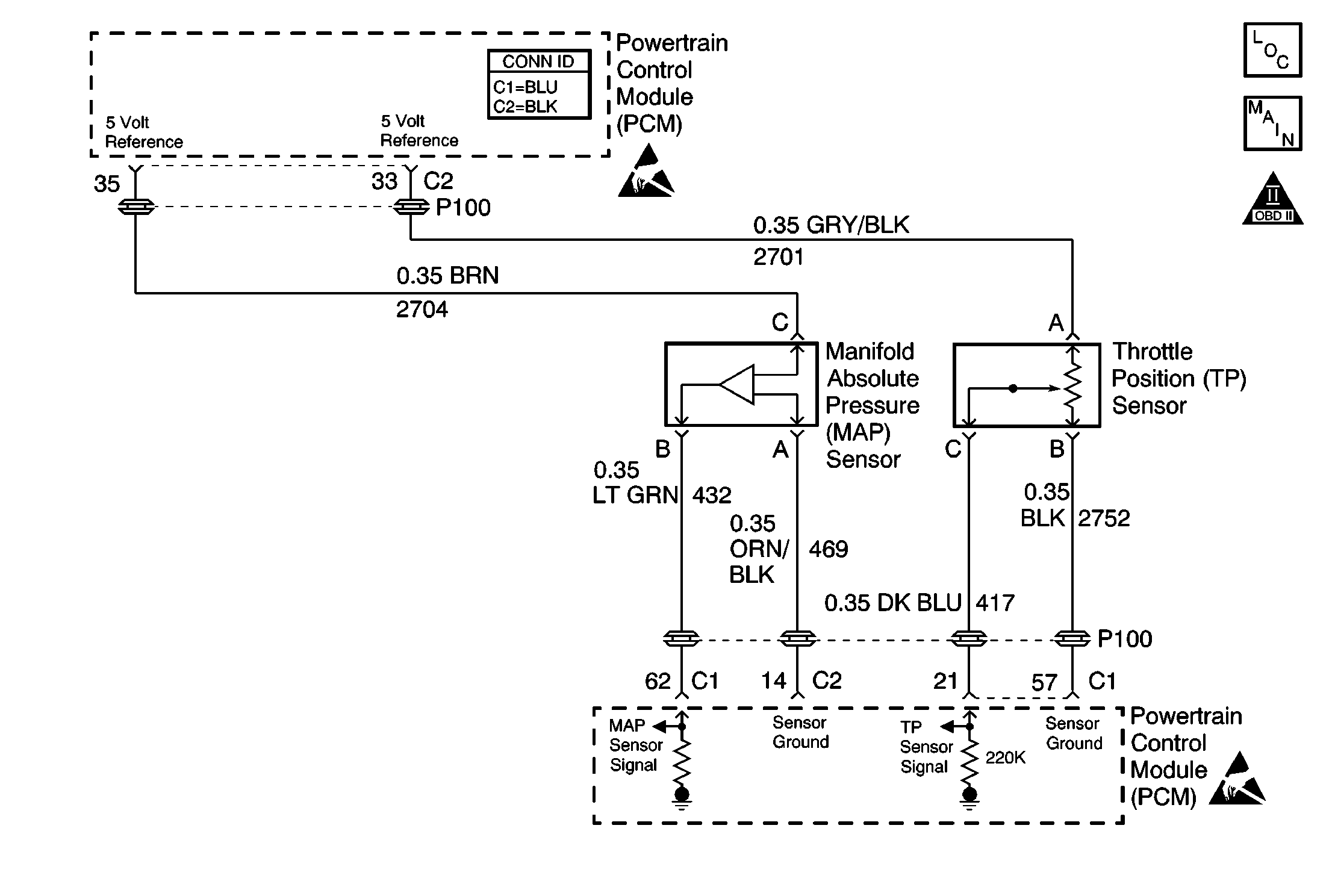
Powertrain Control Module Connector End Views
Handling ESD Sensitive Parts Notice
Handling ESD Sensitive Parts Notice

Circuit Description

The Powertrain Control Module (PCM) supplies a 5.0 V reference signal and a ground to both the throttle position (TP) sensor and to the manifold absolute pressure (MAP) sensor. The TP sensor sends a voltage signal back to the PCM relative to the throttle plate opening and the MAP sensor sends a voltage signal back to the PCM relative to the intake manifold pressure. The PCM can detect if the TP sensor or the MAP sensor is out of range by comparing the 2 values against the high and low limits defined within the engine calibration. If the TP sensor or the MAP sensor are not within the expected limits of the engine calibration, a DTC P0105 is set. During the DTC P0105 test, the actual MAP value is compared to a high limit threshold and low limit threshold for any speed and load that the vehicle is operated in. If the actual MAP value is more than the high limit, or less than the low limit, a malfunction is indicated.

Conditions for Running the DTC

DTCs P0107, P0108, P0117, P0118, P0122, P0123, P0131, P0132, P0171, P0172, P0201, P0202, P0203, P0204, P0300, P0325, P0341, P0342, P0440, P0442, P0502, P0506, P0507, P1441 not set.

    • The engine run time is more than 40 seconds.
    • The engine speed is between 600 RPM and 6375 RPM.
    • The torque converter clutch (TCC) is stable to within 2.5 percent.
    • The engine speed is stable to within 50 RPM.
    • The IAC valve is stable to within 5 counts.
    • The TP sensor is stable to within 2 percent
    • The above conditions are present for 1.5 seconds.

Conditions for Setting the DTC

The MAP sensor is out of an expected range defined on the engine calibration for 14 out of 16 seconds.

Action Taken When the DTC Sets

    • The Malfunction Indicator Lamp (MIL) will illuminate after 2 consecutive ignition cycles in which the diagnostic runs with the malfunction present.
    • The PCM will record the operating conditions at the time that the diagnostic fails. This information will store in the Freeze Frame and Failure Records buffers.
    • A history DTC stores.

Conditions for Clearing the MIL/DTC

    • The MIL will turn off after three consecutive ignition cycles in which the diagnostic runs without a fault.
    • A history DTC will clear after 40 consecutive warm up cycles without a fault.
    • Use a scan tool to clear the DTCs.

Diagnostic Aids

    • With the ignition on and the engine off, the manifold pressure is equal to the atmospheric pressure and the signal voltage will be high. This information is used by the PCM as an indication of the vehicle barometric pressure. Comparison of this reading with a known good vehicle with the same sensor is a good way to test the accuracy of a suspected sensor. The 2 readings should be the same within 0.4 volt.
    • The MAP sensor vacuum source should be thoroughly checked for restrictions at the intake manifold.
    • A TP sensor that is stuck will attempt an auto zero every time the engine runs.
    • If a DTC P0105 cannot be duplicated, the information included in the Freeze Frame and Failure Records can be useful. Use the scan tool DTC Information data in order to determine the status of the DTC.
    • A DTC P0105 may set due to any condition that causes an unreasonably high or low MAP value, including the following engine conditions:
       - An incorrect cam timing
       - A restricted exhaust
       - Any worn piston rings
       - A low fuel pressure
    • A TP sensor that is stuck may attempt to auto zero every time the engine runs. An indication of this is the TP percentage at 0 percent and the TP voltage high.
    • Using a DMM in order to test the 5.0 volt reference circuits may not detect small amounts of resistance within the malfunctioning circuit. Connecting a jumper wire from the 5.0 volt reference circuit to the signal circuit detects the small amounts of resistance.
    • Certain conditions can produce normal results when probed, but can cause a bad reading when connected. Inspect for the following conditions on the TP and MAP sensor connectors:
       - Any spreaded terminals
       - Any poor connections
    • The MAP sensor needs a dedicated vacuum source. Inspect the MAP sensor and the MAP sensor vacuum source for the following conditions:
       - A vacuum leak
       - A split vacuum hose
       - A shared vacuum source

Test Description

The numbers below refer to the step numbers on the diagnostic table.

  1. The TP sensor may be able to auto-zero after several engine starts if the sensor is stuck, but may not be able to reach the full range near 100 percent. The TP angle should increase steadily. If the voltage value spikes high or low, consider the test failed.

  2. The TP sensor has an auto-zeroing feature. If the voltage reading is between 0.2 to 0.9 volts, the PCM will assume the TP sensor is at a closed throttle position (0 percent). If the reading is out of the auto-zeroing range at closed throttle, look for a binding or damaged linkage.

  3. For a MAP sensor that displays a BARO value that does not appear normal for the altitude the vehicle is located, the MAP sensor is considered malfunctioning.

  4. While starting the engine, the MAP sensor should detect any changes in manifold pressure. This test is to determine if the sensor is stuck at a value.

  5. A normal MAP sensor will react as quickly to the throttle changes as they can be made. A MAP sensor should not appear to be lazy or catch up with the throttle movements.

  6. The MAP sensor vacuum source should be thoroughly checked for restrictions. This step determines if the reason for no MAP change was due to a malfunctioning sensor or to a vacuum source problem to the sensor.

  7. A short to voltage in the signal circuit is likely caused by the 5.0 volt reference circuit. Inspect the 5.0 volt reference circuit for being pinched with the signal circuit.

  8. Spread terminals or poor connections can produce normal results when probed but cause incorrect readings when connected. Be sure to inspect all terminals for this condition.

  9. A short to voltage in the signal circuit would most likely be caused by the 5.0 volt reference circuit. Inspect for the 5.0 volt reference circuit for being pinched with the signal circuit.

  10. Spread terminals or poor connections can produce normal results when probed, but cause incorrect readings when connected. Be sure to check all terminals for these conditions.

  11. The replacement PCM must be reprogrammed and the Crankshaft Position System Variation Learn procedure must be preformed.

DTC P0105 -- TP/MAP Sensor Performance

Step

Action

Value(s)

Yes

No

1

Did you perform the Powertrain On-Board Diagnostic (OBD) System Check?

--

Go to Step 2

Go to Powertrain On Board Diagnostic (OBD) System Check

2

Are any other DTCs set?

--

Go to Diagnostic Trouble Code (DTC) List/Type

Go to Step 3

3

  1. Perform a visual and physical inspection of the MAP sensor and TP sensor areas.
  2. If a problem is found, repair as necessary.

Did you find and correct the condition?

--

Go to Step 28

Go to Step 4

4

Is the TP voltage less than the specified value when the throttle is fully closed?

0.90 V

Go to Step 5

Go to Step 6

5

  1. Select the TP Angle parameter on the scan tool.
  2. Monitor the scan tool while slowly depressing the accelerator pedal to the floor and then slowly releasing the pedal. Repeat the procedure several times.

Does the TP angle value increase steadily to more than the first specified value when the accelerator pedal is depressed and decrease steadily to less than the second specified value when the pedal is released?

98%

1%

Go to Step 7

Go to Step 19

6

  1. Inspect the throttle body for the following conditions:
  2. • A binding linkage
    • A damaged linkage
    • An incorrect air rate adjustment
  3. If a problem is found, repair as necessary.

Did you find and correct the condition?

--

Go to Step 28

Go to Step 19

7

Compare the BARO reading with a known good vehicle. The BARO value should be within the specified value of the other vehicle.

Is the BARO within the specified value?

3 kPa

Go to Step 8

Go to Step 11

8

Start the engine while observing the MAP sensor value on the scan tool.

Does the MAP sensor value change while starting the engine?

--

Go to Step 9

Go to Step 10

9

With the engine running, snap the throttle while observing the MAP sensor display on the scan tool.

Does the value change rapidly when the throttle position changes?

--

Go to Step 28

Go to Step 10

10

  1. Turn off the engine.
  2. Remove the MAP sensor or the hose, if applicable, from the manifold port.
  3. Important:: Ensure that the vacuum source is used only for the MAP sensor.

  4. Inspect the port and the hose for the following conditions:
  5. • Any vacuum restrictions
    • Any vacuum leaks
  6. If a problem is found, repair as necessary.

Did you find and correct the condition?

--

Go to Step 28

Go to Step 11

11

  1. Disconnect the MAP sensor electrical connector.
  2. Turn on the ignition, leaving the engine off.
  3. Observe the MAP sensor value on the scan tool.

Does the MAP sensor value equal the specified value?

0.0 V

Go to Step 12

Go to Step 13

12

  1. Connect a fused jumper to the MAP sensor 5.0 volt reference circuit.
  2. Connect the other end of the fused jumper to the MAP sensor signal circuit.

Does the voltage equal the specified value?

5.0 V

Go to Step 14

Go to Step 15

13

  1. Turn off the ignition.
  2. Disconnect the PCM electrical connectors.
  3. Turn on the ignition, leaving the engine off.
  4. Test the MAP sensor signal for a short to voltage.
  5. If a problem is found, repair as necessary. Refer to Wiring Repairs in Wiring Systems.

Did you find and correct the condition?

--

Go to Step 28

Go to Step 27

14

  1. Connect a test lamp to B+.
  2. Probe the MAP sensor ground circuit with the test lamp.

Does the test lamp illuminate?

--

Go to Step 16

Go to Step 18

15

  1. Inspect the 5.0 volt reference circuit for the MAP sensor at the PCM connector for the following conditions
  2. • A poor terminal tension
    • A poor connection
  3. If a problem is found, repair as necessary. Refer to Wiring Repairs in Wiring Systems.

Did you find and correct the condition?

--

Go to Step 28

Go to Step 27

16

  1. Inspect the MAP sensor connector for the following conditions:
  2. • A poor terminal tension
    • A poor connection
  3. If a problem is found, repair as necessary. Refer to Wiring Repairs in Wiring Systems.

Did you find and correct the condition?

--

Go to Step 28

Go to Step 17

17

Replace the MAP sensor. Refer to Manifold Absolute Pressure Sensor Replacement .

Did you complete the repair?

--

Go to Step 28

--

18

  1. Inspect the MAP sensor ground circuit for the following conditions:
  2. • A poor terminal tension
    • A poor connection
  3. If a problem is found, repair as necessary. Refer to Wiring Repairs in Wiring Systems.

Did you find and correct the condition?

--

Go to Step 28

Go to Step 27

19

  1. Turn off the ignition.
  2. Disconnect the TP sensor connector.
  3. Turn on the ignition, leaving the engine off.
  4. Observe the TP sensor value on the scan tool.

Does the voltage equal the specified value?

0.0 V

Go to Step 20

Go to Step 21

20

  1. Connect a fused jumper to the 5 volt reference circuit of the TP sensor .
  2. Connect the other end of the fused jumper to the TP sensor signal circuit.

Does the voltage equal the specified value?

5.0 V

Go to Step 22

Go to Step 23

21

  1. Turn off the ignition.
  2. Disconnect the PCM connectors.
  3. Turn on the ignition, leaving the engine off.
  4. Test the TP signal circuit for a short to voltage
  5. If a problem is found, repair as necessary. Refer to Wiring Repairs in Wiring Systems.

Did you find and correct the condition?

--

Go to Step 28

Go to Step 27

22

  1. Connect a test lamp to B+.
  2. Probe the TP sensor ground circuit at the TP sensor connector with the test lamp.

Does the test lamp illuminate?

--

Go to Step 24

Go to Step 25

23

  1. Inspect the TP sensor 5.0 volt or signal circuit for the following conditions:
  2. • A poor terminal tension
    • A poor connection
  3. If a problem is found, repair as necessary. Refer to Wiring Repairs in Wiring Systems.

Did you find and correct the condition?

--

Go to Step 28

Go to Step 27

24

  1. Inspect the TP sensor connector for the following conditions:
  2. • A poor terminal tension
    • A poor connection
  3. If a problem is found, repair as necessary. Refer to Wiring Repairs in Wiring Systems.

Did you find and correct the condition?

--

Go to Step 28

Go to Step 25

25

Replace the TP sensor. Refer to Throttle Position Sensor Replacement .

Did you complete the repair?

--

Go to Step 28

--

26

  1. Inspect the TP sensor ground circuit for the following conditions:
  2. • A poor connection
    • A high resistance at the TP sensor connector
  3. If a problem is found, repair as necessary. Refer to Wiring Repairs in Wiring Systems.

Did you find and correct the condition?

--

Go to Step 28

Go to Step 27

27

Important:: The replacement PCM must be programmed. Refer to Powertrain Control Module Replacement/Programming .

Replace the PCM. Powertrain Control Module Replacement .

Did you complete the repair?

--

Go to Step 28

--

28

  1. Use a scan tool in order to clear the DTCs.
  2. Operate vehicle within the Conditions for Running the DTC as specified in the supporting text.

Does the DTC reset?

 

Go to Step 2

System OK