GM Service Manual Online
For 1990-2009 cars only
Makes
🢒
Chevrolet
🢒
2001
🢒
Alero Export
🢒
Engine
🢒
Engine Electrical
🢒 Starting and Charging Schematics
Figure
1:
Starting System
Master Electrical Component List
Starting System Description and Operation
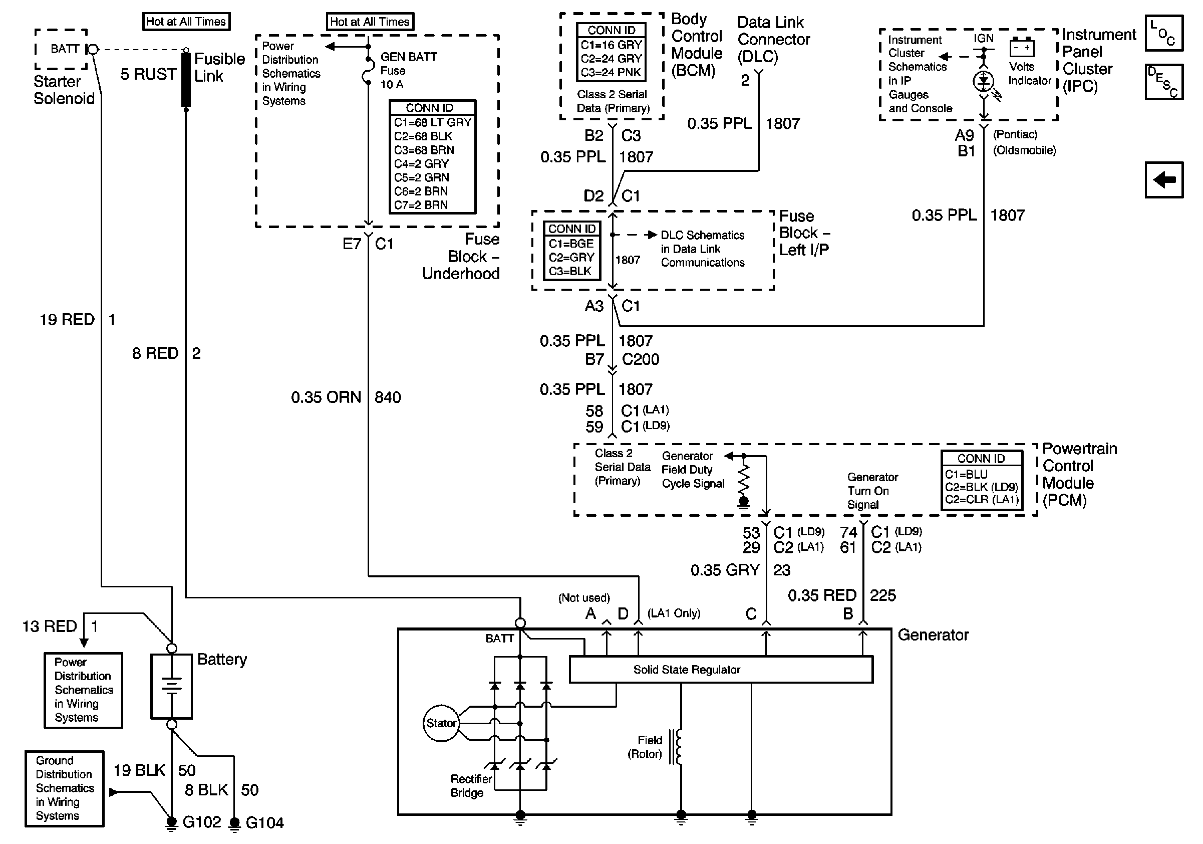
Charging System
B+ Bus Bar and COOL FAN 2 GROUND (V6) Fuse
G102 and G104
Charging System
IGN SW-BATT 1, HTR A/C IGN, ERLS, PCM, ACC, IPC/BFC Fuses
Figure
2:
Charging System
Master Electrical Component List
Charging System Description and Operation
Starting System
Data Link Connector Schematics
RH HDLP, LH HDLP, GEN BATT, LH BEC BATT 2, STOP LPS, HAZARD LPS, IPC/HVACBATT, BFC BATT Fuses
B+ Bus Bar and COOL FAN 2 GROUND (V6) Fuse
G102 and G104