GM Service Manual Online
For 1990-2009 cars only
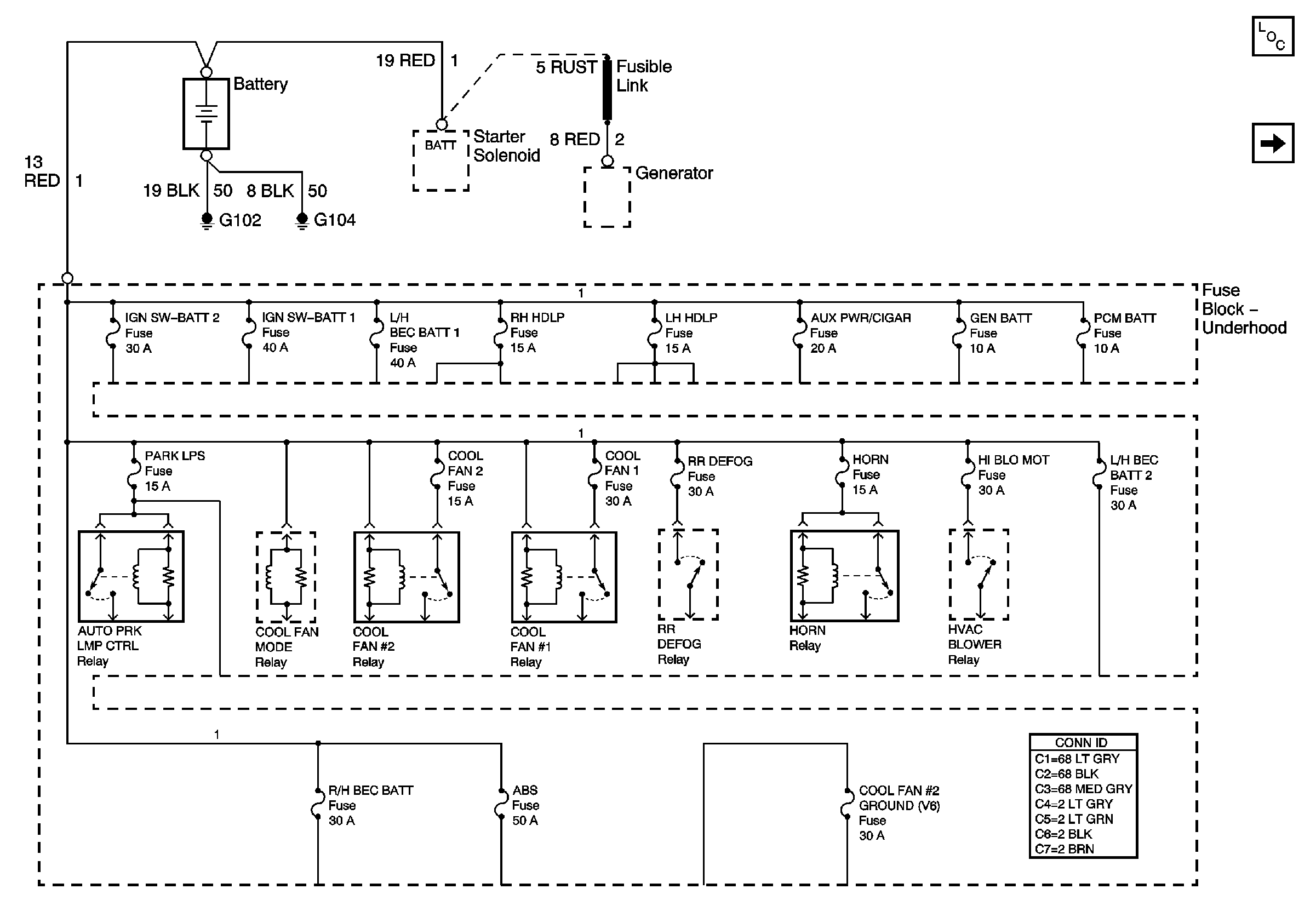
Figure 1:

B+ Bus Bar and COOL FAN 2 GROUND (V6) Fuse


Object Number: 662453  Size: FS
Master Electrical Component List
IGN SW-BATT2, WIPER, AIR BAG, TURN LPS, IGN MOD, BU LMP, PCM IGN, F/PINJR, A/C BFC, AUTO TRANS, ABS, IGN Fuses
Figure 2:

IGN SW-BATT2, WIPER, AIR BAG, TURN LPS, IGN MOD, BU LMP, PCM IGN, F/P INJR, A/C BFC, AUTO TRANS, ABS, IGN Fuses


Object Number: 662458  Size: FS
Master Electrical Component List
IGN SW-BATT 1, HTR A/C IGN, ERLS, PCM, ACC, IPC/BFC Fuses
B+ Bus Bar and COOL FAN 2 GROUND (V6) Fuse
Figure 3:

IGN SW-BATT 1, HTR A/C IGN, ERLS, PCM, ACC, IPC/BFC Fuses


Object Number: 662462  Size: FS
Master Electrical Component List
PWR WNDWS Circuit Breaker, CRUISE SW, Cruise, SUNROOF, HVAC BLOWERFuses
IGN SW-BATT2, WIPER, AIR BAG, TURN LPS, IGN MOD, BU LMP, PCM IGN, F/PINJR, A/C BFC, AUTO TRANS, ABS, IGN Fuses
PWR WNDWS Circuit Breaker, CRUISE SW, Cruise, SUNROOF, HVAC BLOWERFuses
Figure 4:

PWR WNDWS Circuit Breaker, CRUISE SW, Cruise, SUNROOF, HVAC BLOWER Fuses


Object Number: 666623  Size: FS
Master Electrical Component List
LH BEC BATT1, AUX PWR/CIGAR, PARK LPS, PCM BATT, PWR MIRROR, DR LOCK, TRUNK REL/RFA/Radio Amp Fuses, and RWR SEAT Circuit Breaker
IGN SW-BATT 1, HTR A/C IGN, ERLS, PCM, ACC, IPC/BFC Fuses
IGN SW-BATT 1, HTR A/C IGN, ERLS, PCM, ACC, IPC/BFC Fuses
Figure 5:

LH BEC BATT1, AUX PWR/CIGAR, PARK LPS, PCM BATT, PWR MIRROR, DR LOCK, TRUNK REL/RFA/Radio Amp Fuses, and RWR SEAT Circuit Breaker


Object Number: 662465  Size: FS
Master Electrical Component List
RH HDLP, LH HDLP, GEN BATT, LH BEC BATT 2, STOP LPS, HAZARD LPS, IPC/HVACBATT, BFC BATT Fuses
PWR WNDWS Circuit Breaker, CRUISE SW, Cruise, SUNROOF, HVAC BLOWERFuses
Figure 6:

RH HDLP, LH HDLP, GEN BATT, LH BEC BATT 2, STOP LPS, HAZARD LPS, IPC/HVAC BATT, BFC BATT Fuses


Object Number: 662468  Size: FS
Master Electrical Component List
RH BEC BATT, ABS, COOL FAN (V6) GROUND, INT LPS, RADIO BATT, FOG LPS Fuses
LH BEC BATT1, AUX PWR/CIGAR, PARK LPS, PCM BATT, PWR MIRROR, DR LOCK, TRUNK REL/RFA/Radio Amp Fuses, and RWR SEAT Circuit Breaker
Figure 7:

RH BEC BATT, ABS, COOL FAN (V6) GROUND, INT LPS, RADIO BATT, FOG LPS Fuses


Object Number: 676535  Size: FS
Master Electrical Component List
RH HDLP, LH HDLP, GEN BATT, LH BEC BATT 2, STOP LPS, HAZARD LPS, IPC/HVACBATT, BFC BATT Fuses
G103 and G105