GM Service Manual Online
For 1990-2009 cars only

Circuit Description

The powertrain control module (PCM) enables the appropriate fuel injector on the intake stroke for each cylinder. A voltage is supplied directly to the fuel injectors. The PCM controls each fuel injector by grounding the control circuit via a solid state device called a driver. A fuel injector coil winding resistance that is too high, or low, will affect engine driveability. A fuel injector control circuit DTC may not set, but a misfire may be apparent. The fuel injector coil windings are affected by temperature. The resistance of the fuel injector coil windings will increase as the temperature of the fuel injector increases.

Diagnostic Aids

    • Operating the vehicle over a wide temperature range may help isolate the fuel injector that is causing the condition.
    • Perform the fuel injector coil test within the conditions of the customers concern. A fuel injector condition may only be apparent at a certain temperature, or under certain conditions.
    • If the fuel injector coil test does not isolate the condition perform the fuel injector balance test. Refer to Fuel Injector Balance Test with Special Tool or Fuel Injector Balance Test with Tech 2 .

Test Description

The numbers below refer to the step numbers on the diagnostic table.

  1. This step tests each fuel injector resistance within a specific temperature range. If any of the fuel injectors display a resistance outside of the specified value, replace the fuel injector.

  2. This step determines if all of the fuel injectors are within 3 ohms of each other. If the highest resistance value is within 3 ohms of the lowest resistance value, then all of the fuel injector coil windings are OK.

  3. This step determines which fuel injector is faulty. After subtracting the highest and lowest resistance values from the average value, replace the fuel injector that has the greatest resistance difference from the average.

Step

Action

Values

Yes

No

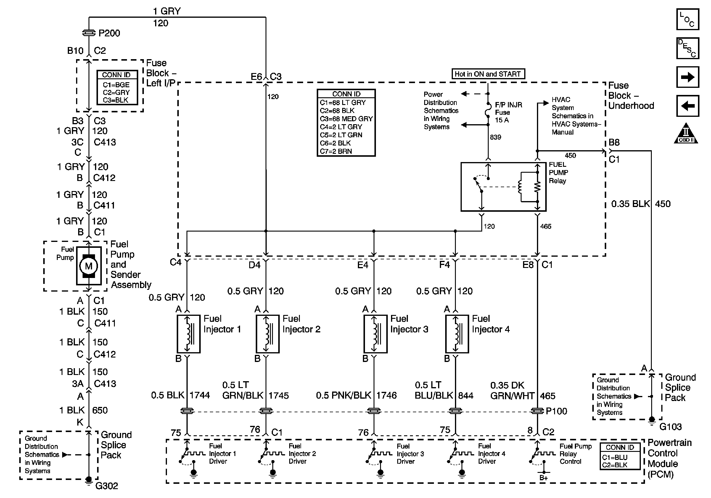
Schematic Reference:

Power, Ground, and Injectors


Object Number: 667569  Size: FS
Master Electrical Component List
Powertrain Control Module Description
Engine Data Sensors
Power, Ground, KS, CMP, CKP Coils, and ICM
OBD II Symbol Description Notice
G103 and G105
Compressor Controls
IGN SW-BATT2, WIPER, AIR BAG, TURN LPS, IGN MOD, BU LMP, PCM IGN, F/PINJR, A/C BFC, AUTO TRANS, ABS, IGN Fuses

1

Did you perform the Diagnostic System Check-Engine Controls?

--

Go to Step 2

Go to Diagnostic System Check - Engine Controls

2

Observe the engine coolant temperature (ECT) with a scan tool.

Is the ECT value within the specified range?

10-32°C (50-90°F)

Go to Step 3

Go to Step 4

3

Measure the resistance of each fuel injector with a DMM. Refer to Testing for Continuity in Wiring Systems.

Do any of the fuel injectors display a resistance outside the specified range?

11-14 ohms

Go to Step 6

Go to Diagnostic Aids

4

  1. Measure the resistance of each fuel injector with a DMM. Refer to Testing for Continuity in Wiring Systems.
  2. Record each fuel injector value.
  3. Subtract the lowest resistance value from the highest resistance value.

Is the difference equal to, or less than, the specified value?

3 ohms

Go to Diagnostic Aids

Go to Step 5

5

  1. Add all of the fuel injector resistance values, to obtain a total resistance value.
  2. Divide the total resistance value by the number of fuel injectors, to obtain an average resistance value.
  3. Subtract the lowest, and the highest, individual fuel injector resistance values from the average resistance value.
  4. Replace the fuel injector that displays the greatest resistance difference, above or below the average. Refer to Fuel Injector Replacement .

Did you complete the replacement?

--

Go to Step 7

--

6

Replace the fuel injector or fuel injectors that are out of the specified range. Refer to Fuel Injector Replacement .

Did you complete the replacement?

11-14 ohms

Go to Step 7

--

7

Operate the system in order to verify the repair.

Did you correct the condition?

--

System OK

Go to Step 2