|
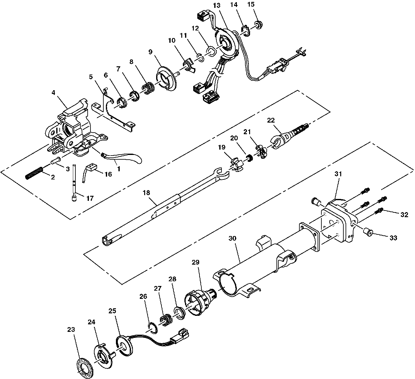
| (1) | Tilt
Lever |
| (2) | Tilt
Spring |
| (3) | Spring
Guide |
| (4) | Bearing
and Housing Assembly |
| (5) | Switch
Adapter Plate |
| (6) | Inner
Race |
| (7) | Upper
Bearing Inner Race Seat |
| (8) | Upper
Bearing Spring |
| (9) | Turn
Signal Cancel Cam Assembly |
| (10) | Cam
Orientation Plate |
| (11) | Bearing
Retainer |
| (12) | Wave
Washer |
| (13) | SIR
Coil |
| (14) | Retaining
Ring |
| (15) | Flanged
Prevailing Torque Nut |
| (16) | Spacer |
| (17) | Anti
Rotation Pin |
| (18) | Lower
Shaft Assembly |
| (19) | Centering
Sphere |
| (20) | Joint
Preload Spring |
| (21) | Centering
Sphere |
| (22) | Race and Upper Shaft Assembly |
| (23) | Steering Shaft Seal |
| (24) | Sensor Retainer |
| (25) | Steering Wheel Speed Sensor Assembly |
| (26) | Lower Spring Retainer |
| (27) | Lower Bearing Spring |
| (28) | Lower Bearing Seat |
| (29) | Adapter and Bearing Assembly |
| (30) | Steering Column Jacket Assembly |
| (31) | Steering Column Support Assembly |
| (32) | TORX® Head Screws |
| (33) | Pivot Pins |